加微信获完整版(非赠品)
微信:14790755414
微信:18205613175 或 17855330686

2026年中考物理模拟试卷9
一、单选题
1.2026央视元宵晚会舞台上,艺人用陕北方言,手持三弦自弹自唱,其曲优美动听,富于变化,如图所示。下列说法正确的是( )

A.艺人发出的声音是由空气振动产生的
B.在弹奏时手按压弦的不同位置,是为了改变声音的音调
C.琴声越大,琴声在空气中的传播速度越大
D.琴声优美动听,一定不会成为噪声
2.小明根据物理课本电与磁的内容绘制的思维导图如图所示,下列填空不合理的是( )

A.①电磁起重机B.②指南针
C.③电磁继电器D.④动圈式话筒
3.常用的电冰箱利用了一种液态制冷剂作为热的“搬运工”,把冰箱里的“热”“搬运”到冰箱的外面。如图所示的冰箱,在使用中包含多种物态变化,下列说法正确的是( )

A.冰箱制冷是利用液态制冷剂在冷冻室汽化放热,在冷凝器液化吸热工作的
B.老式电冰箱内侧壁会附有白色的“霜”,这是水蒸气凝固形成的
C.打开冰箱门时,有时会出现白气,白气是空气液化形成
D.打开冰箱门时,有时会出现白气,白气是水蒸气液化形成的
4.如图是8000多年前的骨笛,吹奏时,能发出类似远古旷野的鹤鸣声。下列说法正确的是( )

A.鹤鸣声在真空中也能传播
B.鹤鸣声是由筒内空气振动产生的
C.换用更大的力吹气改变了鹤鸣声的音调
D.吹气时,按压不同的笛孔改变了鹤鸣声的响度
5.“儿童散学归来早,忙趁东风放纸鸢”,诗中描绘了儿童放风筝的画面,如图所示。以下说法正确的是( )

A.风能使风筝飞行的方向发生改变,说明力能改变物体的运动状态
B.高空中的风筝不受重力的作用
C.越飞越高的风筝相对于地面是静止的
D.线对风筝的拉力和风筝对线的拉力是一对平衡力
加微信获完整版(非赠品)
微信:14790755414
微信:18205613175 或 17855330686
6.如图所示,是我国研制的大型太阳能无人机——“启明星50”。该无人机翼展达45m,无人机机身和机翼采用碳纤维材料,使得整机质量仅为500kg,飞机上设有的通讯设备,可随时保证飞机与地面的联系。下列关于该飞机的说法中,正确的是( )

A.飞机依靠超声波与地面联系
B.机翼做成上凸下平的形状可以减小体积,减小空气阻力
C.飞机在向上飞行的过程中,受到的大气压强逐渐增大
D.机身和机翼使用的碳纤维具有强度大、密度小的特点
7.小陶子在教室静心自习的场景中,下列估测符合实际情况的是( )
A.阅读的九年级物理课本质量约为250gB.正常发光的日光灯两端电压为36V
C.小陶子感觉舒适的气温是37℃D.目前教室的大气压强约为1×102Pa
8.关于图所示的现象,下列叙述中错误的是( )

A.图甲中,地球周围的磁感线从地磁北极出发,回到地磁南极
B.图乙中,通电导线周围存在磁场,电流有磁效应,这是奥斯特首先发现的
C.图丙中,通电导线ab在磁场中受到力的作用,利用此原理制成了电动机
D.图丁中,闭合电路的一部分导体ab在磁场中运动,导体中就一定会产生电流
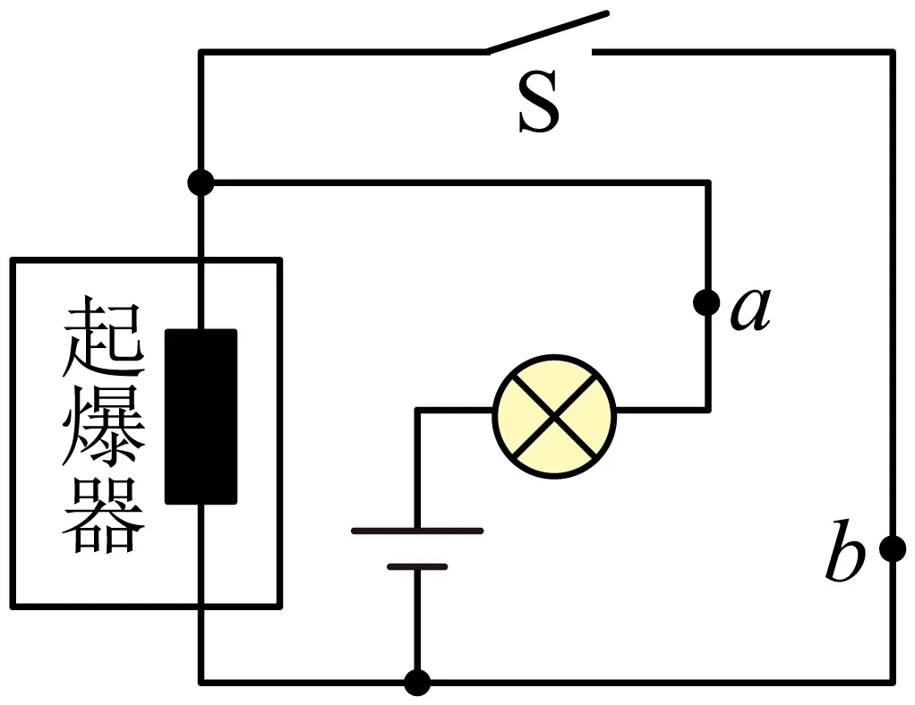
9.定时炸弹是恐怖分子的常用手段,我们的反恐先锋练就了一套拆除定时炸弹的本领。如图所示是定时炸弹的引爆装置简化电路图,为定时开关,、为导线中的任意两处。在引爆过程中,下列说法中正确的是( )

A.当设定起爆时间一到,定时开关会自动闭合
B.为使引爆装置停止工作,应在图中处剪断导线
C.为使引爆装置停止工作,应在图中b处剪断导线
D.拆除前,起爆器中有电流通过
加微信获完整版(非赠品)
微信:14790755414
微信:18205613175 或 17855330686
二、填空题
10.两个相同的薄壁圆柱形容器置于水平桌面上,一个装有4kg的水,另一个装有某种液体。分别从两容器中抽出相同体积的水和该液体,抽出前后水和该液体对容器底的压强如表所示。则该液体抽出前的质量为__________kg,抽出水的体积为__________
__________
取10N/kg)
容器底受到的压强 | 抽出前 | 抽出后 |
| 2000Pa | 1000Pa |
| 2000Pa | 1200Pa |
11.在劳技课,小明体验传统挑担和用滑轮提升物料。如图甲所示,物料的重力为80N,以扁担与小明肩膀的接触点为支点,扁担可看作为杠杆,若小明手握扁担处与重物悬挂处到支点的距离之比为1:2,不计杠杆质量与摩擦,则小明所用力的大小约为___________N,此时扁担可看作是一个___________(选填“省力”“费力”或“等臂”)杠杆;如图乙所示,小明用100N的拉力将80N的物料以0.2m/s的速度匀速提升,小明拉绳的功率为___________W,若增大提升物料的速度,滑轮的机械效率___________(选填“变大”“不变”或“变小”)。

12.如图所示为灯泡和定值电阻的图像。若将灯泡和定值电阻串联在电压恒为的电源两端,此时灯泡电阻为___________

13.如图,库布齐沙漠光伏基地与江苏如东海上风电场两大中国超级工程,分别以“沙漠变绿洲”和“向海要能源”的创新实践,诠释了中国在新能源领域的科技突破与系统整合能力。光伏发电是把_________能转化为电能,风力发电是把_________能转化为电能。

加微信获完整版(非赠品)
微信:14790755414
微信:18205613175 或 17855330686
三、作图题
14.为落实国家“每天综合体育活动不低于2小时”的要求,某校开展“班超”足球联赛。如图所示,足球被运动员向斜上方踢出,正在空中飞行。不考虑空气阻力,请画出此时足球所受力的示意图。

四、计算题
15.2026年3月,某新能源车企发布第二代刀片电池配套的兆瓦级闪充技术,实现“5min充至70%、9min充至97%、极寒仅多3min”的补能体验,彻底解决纯电汽车续航焦虑。物理兴趣小组结合该技术及未来发展规划,开展了以下探究计算:
(1)该车企的A车型使用1500kW闪充桩从10%充电至70%,耗时5min,忽略充电过程中功率变化,求该过程中闪充桩输出的总电能为多少kW⋅h?
(2)某次充电测试中,该闪充桩采用1000 V全域高压架构,使用该闪充桩给这款车充电,充电时实际平均功率为1000 kW,若充电线路的总电阻为0.02Ω,求充电过程中线路因发热损耗的电功率是多少kW?
(3)小明查阅资料了解到,该闪充桩的充电效率恒为95%(电池充入电能占充电桩输出电能的比值),则该款车电池每充入100kW·h电能,闪充桩需要多输出多少kW·h电能?(结果保留一位小数)
(4)五一假期,小明爸爸想带家人去成都玩。已知西安至成都高速全程约750km。结合该车企的闪充技术与混动技术,自驾出行的能耗及成本信息如下:
该车企某款混动车型:纯电续航200km,高速综合电耗14.25kW·h/100km,亏电(纯电续航里程为零)行驶时油耗2.7 L/100km,汽油价格9元/L,高速闪充充电电价约1.5元/(kW·h),按输出电能收费。现有两种行驶方式:A.纯电续航里程用完后,剩下路程亏电行驶;B.纯电行驶,电量快完的时候去高速闪充桩充电。如果小明爸爸驾驶该混动车(出发前电池已充满)去成都,请通过计算选择一种行驶方式,并说明理由。
加微信获完整版(非赠品)
微信:14790755414
微信:18205613175 或 17855330686
五、综合题
16.如图所示,我国有些地方修筑了“音乐公路”。当汽车在该“音乐公路”上以一定速度匀速行驶时,就会响起一段悦耳的乐曲。观察发现,音乐公路的路面上分布着许多横向凹槽,汽车车轮每经过一个凹槽,就会上下振动一次从而发声。
音符 | do | re | mi |
频率/Hz | 260 | 300 | 330 |

(1)凹槽的疏密可以改变乐曲的______(选填“响度”“音调”或“音色”)。该段乐曲中,其中一个音符的频率为260Hz,表示汽车______s内振动260次;
(2)全段音乐公路长为600m,汽车通过这段公路的时间为1min,计算汽车通过这段公路的平均速度是多少m/s;
(3)音乐公路中的某段路面,每米均匀分布了30个凹槽,汽车以(2)中的速度匀速通过这段路面时,其中一个车轮发出的声音频率对应的是图表中哪一个音符?请通过计算判断;
(4)在不违反交通规则的前提下,驾驶车辆的速度变大,听到汽车行驶时产生的乐曲的音调会如何变化?请说明理由。
17.某校家长开放日,物理兴趣小组利用可乐瓶等材料制作火箭模型,并进行发射展示。

【实验过程】
(1)兴趣小组甲制作好如图甲所示的“水火箭”,在可乐瓶中装入适量的水,再用带有打气管的瓶塞将瓶口塞住,最后配制上火箭顶端的整流罩,将水火箭放在地上,利用打气筒通过打气管向瓶内打气,当瓶内压强足够大时,瓶塞脱落,瓶内的水向下喷出,水火箭向上飞起,最后落回地面。
(2)如图乙所示,这是兴趣小组乙制作的“酒精火箭”,它的原理是用打火器在火箭底部引燃酒精蒸气,燃气将瓶体顶出去。
【解释】
(1)“水火箭”升空的原理是________。
(2)“酒精火箭”把瓶体射出去的过程是将酒精的化学能转化成________能,再转化成火箭的________能,其能量转化过程与内燃机的________冲程相同。
【交流】
(1)展示后同学们发现“水火箭”瓶里装不同质量的水和放置角度不一样,都可能会影响水火箭上升的高度。但是又无法直接测量水火箭上升的最大高度。思考后发现,可以通过测量水火箭从发射到落地的时间来间接反映这个高度,其实验方法为________法。下列实验也应用了该方法的是________(填序号)。
①引入“光线”来研究光的传播现象
②通过乒乓球被弹开体现音叉的振动
③在探究平面镜成像的特点时,选用两根相同的蜡烛
(2)当图甲所示的水火箭到达最高点时,若此时撤去一切外力,则水火箭将保持________状态。
加微信获完整版(非赠品)
微信:14790755414
微信:18205613175 或 17855330686
六、实验题
18.小宇在“探究滑动摩擦力大小与哪些因素有关”的实验中,做了如图甲乙丙三次实验。

(1)要使木块在水平方向上滑动时受到的拉力等于摩擦力,则木块必须沿水平方向做______运动;
(2)比较图______两次实验,可以探究滑动摩擦力大小与作用于木块与木板接触面的压力大小关系;
(3)比较图甲、丙两次实验,是为了探究滑动摩擦力大小与______的关系;
(4)小宇同学在实际操作中发现弹簧测力计示数不稳定,改用图丁所示装置进行实验。这样操作的好处是______。(任写一点即可)
19.小濮用两节新的干电池、电压表、电流表、滑动变阻器、开关、导线若干,利用伏安法测量未知电阻的阻值,电源电压保持3V不变。

(1)请用笔画线代替导线,将图1的实物图补充完整(要求:滑片P向左移动时,电流表的示数增大)。
(2)实验前为了保护电路,滑动变阻器的滑片应置于_________(选填“A”或“B”)端。
(3)连接完电路闭合开关后,小濮发现电流表无示数,电压表示数为电源电压。出现此故障的原因可能是_________(选填字母代号)。
A.电流表处断路
B.电阻处断路
C.电阻处短路
(4)排除故障后,小濮正常进行实验并将实验数据记录在表格中。若第2次测量时电流表的示数如图2所示,为_________A,接着进行第3次实验时,滑动变阻器的滑片P应向_________(选填“左”或“右”)移动。
实验序号 | 电压U/V | 电流I/A | 电阻R/Ω |
1 | 1.5 | 0.16 | 9.4 |
2 | 2.0 | ||
3 | 2.5 | 0.24 | 10.4 |
(5)根据三次实验数据可得定值电阻_________Ω(结果保留一位小数)
20.古人云,“以铜为镜,可以正衣冠”,同时发现了铜镜成像“形影相肖、左右相异”的现象,这激发了小明的好奇心和求知欲,他用如图甲所示的装置在水平桌面上进行了平面镜成像特点的实验探究。

(1)组装器材时,应使玻璃板与水平桌面______;
(2)选用两根完全相同的蜡烛A、B是为了比较像与物的______关系;生活中小明感觉靠近镜子时,所成的像仿佛变大了,反之变小。为了验证这个结论是否正确,他改变蜡烛A到镜面的距离,移动镜后的蜡烛B,如果发现______,说明平面镜成像的大小与物体到镜面的距离无关;
(3)为确定像的虚实,需在蜡烛B的位置放一个光屏,并在图乙中的______(选填数字序号)处观察光屏上是否有像;
(4)小明为了更好地研究像与物的位置关系是不是“左右相异”,采用了彩色LED光源进行实验,现有“A、F、M、T、V、X”六种字母形状的光源供选择,最佳选择是______(选填字母)。
加微信获完整版(非赠品)
微信:14790755414
微信:18205613175 或 17855330686

