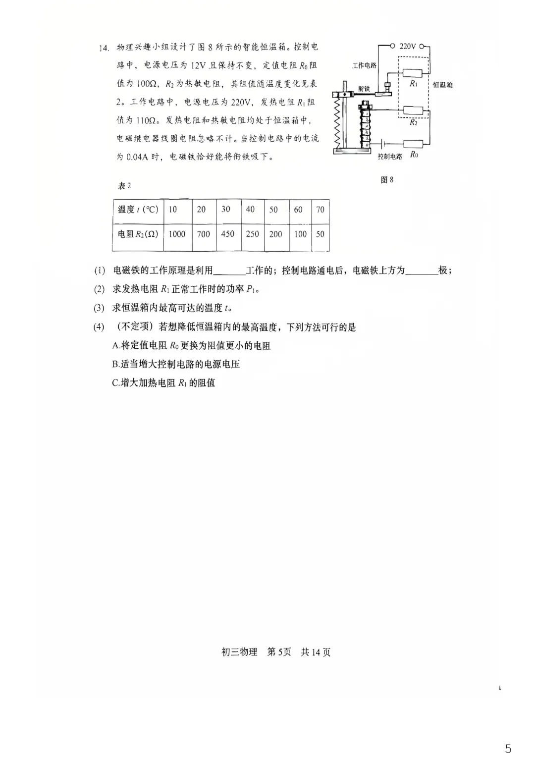
2026九年级松江二模物理试卷-附打印版 四季读书网 2026-04-17 12:35:44 9 0 2026九年级松江二模物理试卷-附打印版高中物理 2026年高三二模上海2026高三二模物理试卷--黄浦2026青浦高三二模物理试卷2026年浦东高三物理二模试卷2026年高三一模闵行区2026年高三物理一模卷2026年高三物理浦东一模试卷-(后附电子版)2026年高三一模(后附宝山、奉贤、杨浦三区一模电子版)2026虹口高三一模初中物理2026九年级一模:2025长宁九年级二模物理考试-(后附2025年九年级二模物理卷汇总)2026年九年级徐汇、杨浦、嘉定一模物理试卷(附打印版)2026杨浦初三一模物理卷初中试卷 九年级下学期月考物理试卷2026金山世外九下三月物理试卷张江集团九上期中物理考试上海徐汇区2025-2026学年九年级上学期期中物理试卷(附电子版)八年级上学期期中考卷上海实验西校2025学年九年级上学期第一次月考物理试卷上海市存志学校2025-2026学年九年级上学期9月物理考试卷电学基础知识梳理上海市浦东惠南学区2024-2025学年(五四制)2024-2025学年八年级下学期期末考试物理试题 (阅读原文获取电子版)上海市上海交通大学附属第二中学初中部2025-2026学年九年级上学期开学物理试卷上海华东师范大学附属进华中学2024-2025学年八年级下学期期中物理试题上海市浦东惠南学区2024-2025学年(五四制)2024-2025学年八年级下学期期末考试物理试题2025年九年级普陀、徐汇二模物理试卷2025九年级杨浦、黄浦两区物理二模答案资料电子版可点击左下角“阅读原文”获取。如有侵权,联系删除 本文地址: https://sjds.net/638453.html 文章来源: 四季读书网 版权声明:本文内容由互联网用户自发贡献,该文观点仅代表作者本人。本站仅提供信息存储空间服务,不拥有所有权,不承担相关法律责任。如发现本站有涉嫌抄袭侵权/违法违规的内容, 请发送邮件至23467321@qq.com举报,一经查实,本站将立刻删除;如已特别标注为本站原创文章的,转载时请以链接形式注明文章出处,谢谢!