题库来源:安全生产模拟考试一点通公众号小程序
安全生产模拟考试一点通平台发布施工员设备方向岗位技能题库,提供免费试题、复审模拟考试、实操视频和理论资料,涵盖考试内容与报名指南,助您轻松掌握考试要点,顺利通过认证。

1、【多选题】事故直接原因包含( )。( AB )
A、机械、物质或环境的不安全状态
B、人的不安全行为
【解析】事故直接原因是指直接导致事故发生的原因,通常包括:A:指设备、工具、场地等客观条件存在的危险因素;B……
2、【多选题】在设备安装工程中常用的自行起重机有( )。( ABD )
A、汽车式起重机
B、履带式起重机
D、轮胎式起重机
【解析】在设备安装工程中,自行起重机是指能够自行移动的起重设备。选项A:汽车式起重机,安装在汽车底盘上,机动……
3、【多选题】安全防范工作的基本原则有( )。( ABCDE )
A、安全第一、预防为主
B、以人为本、维护作业人员的合法权益
C、实事求是
D、现实性和前瞻性相结合
E、权责一致
【解析】选项A:安全防范工作强调将安全置于首位,通过预防措施减少事故发生,是基本原则之一。选项B:体现对人员……
4、【多选题】对房屋建筑安装工程中产生的环境污染源识别后,应按以下程序采取措施:( )。( ABDE )
A、对确定的重要环境因素制定目标、指标及管理方案
B、明确相关岗位人员和管理人员的职责
D、建立对施工现场环境保护的制度
E、建立环境保护信息沟通渠道,实施有效监督,做到施工全过程监控,鼓励社会监督
【解析】本题考察房屋建筑安装工程中环境污染源识别后的管理措施程序。根据环境管理体系要求,识别环境因素后应首先……
5、【多选题】工程实体的形成应是( )。( ABE )
A、符合施工顺序
B、符合工艺规律
E、符合当前的科学技术水平
【解析】工程实体的形成是一个系统性过程,需要遵循科学原则和实际要求。选项A:符合施工顺序,确保工程按合理步骤……
6、【多选题】工程质量控制包括( )。( BCD )
B、事前质量控制
C、事中质量控制
D、事后质量控制
【解析】工程质量控制是指为确保工程质量满足要求而采取的一系列措施和活动。根据工程实施的不同阶段,可以分为:选……
7、【多选题】应急反应的实施原则( )。( ABCD )
A、避免伤亡
B、保护人员不受伤害
C、避免或降低环境污染
D、保护设备、设施或其他财产避免和减少损失
【解析】A:应急反应的首要原则是确保人员安全,避免发生伤亡事故。B:强调在应急过程中采取积极措施,保护人员免……
8、【多选题】影响质量的因素控制包括( )。( ABCE )
A、人的控制
B、材料控制
C、机械控制
E、环境控制
【解析】影响质量的因素控制主要包括:A:指对参与生产或服务的人员的技能、意识和行为进行管理和规范;B:涉及原……

9、【多选题】成本的控制的对象包括( )。( ACE )
A、通过劳务合同进行人工费的控制
C、通过掌握市场信息,采用招标、询价等方式控制材料、设备的采购价格
E、通过定额管理和计量管理进行材料用量的控制
【解析】选项A:通过劳务合同进行人工费的控制,这是对人工成本的控制;选项B:通过施工管理进行材料用量的控制,……
10、【多选题】招标文件会对工程量提出的解释有( )。( AB )
A、不论何种情况提供的工程量清单均不作调整
B、在招标答疑会上允许提出疑问
【解析】A:招标文件中可能明确工程量清单为固定总价,规定一般情况下不作调整,但通常会有例外条款,如变更或误差……
11、【多选题】施工准备计划包括( )。( ABCD )
A、技术准备
B、物资准备
C、劳动组织准备
D、施工现场准备
【解析】施工准备计划是指在施工前为确保工程顺利进行而制定的综合性计划。选项A:指准备施工所需的技术文件、图纸……
12、【多选题】案例13-4:( AB )
A、司承建的我国东南沿海某市旅游度假别墅群的机电安装工程,已处于收尾阶段,其中给水排水工程主要是室内卫生洁具的配管和每栋别墅的给水管冲洗消毒及排水管的通球试验,室外配合园林绿化做喷水池、水景等的给水管敷设。其时正值南方多雨季节,A公司项目部安排了每个月的作业计划,由于计划安排较妥善,3个月的收尾工作虽有曲折,但能如期完成。案例13-4工程在收尾阶段的给水排水安装的特点____。
B、工程比较零星分散
【解析】选项A:工程比较零星分散,正确,因为收尾阶段涉及多个别墅的零星安装工作,分布广泛。选项B:有室内室外……
13、【多选题】滑轮的分类:按滑轮数量多少分有( )。( ABCDE )
A、单滑轮
B、双滑轮
C、三轮
D、四轮
E、多轮
【解析】按滑轮数量分类:A:指只有一个滑轮的滑轮组;B:指包含两个滑轮的滑轮组;C:指包含三个滑轮的滑轮组;……
14、【多选题】现场质量检查的内容( )。( ABCD )
A、工序交接检查
B、开工前检查
C、隐蔽工程检查
D、停工后复工前的检查
【解析】现场质量检查的内容主要包括:A:工序交接时进行的质量检查,确保上道工序合格后才能进入下道工序;B:在……
15、【多选题】确定各项管理体系的流程和措施包括( )。( ABCD )
A、技术措施
B、质量保证措施
C、组织措施
D、安全施工措施
【解析】题目考查的是确定各项管理体系的流程和措施所包含的内容。管理体系通常涉及多个方面,以确保项目的顺利实施……
16、【多选题】管理环节主要有( )。( ABCDE )
A、施工成本预测
B、施工成本计划
C、施工成本控制
D、施工成本核算
E、施工成本考核
【解析】施工成本管理的环节主要包括:A:指在施工前对成本进行估算和判断;B:是在A基础上制定的成本目标方案;……
17、【多选题】管网测绘的基本方法有( )。( ABD )
A、定位
B、高程控制
D、管网竣工图的测量必须在回填土前,测量出管线的起点、终点、窨井标高和管顶标高
【解析】A:定位是确定管网各要素平面位置的方法,是管网测绘的基础步骤;B:高程控制用于确定管网各点的高程,确……
18、【多选题】自制吊杆的规格应符合设计要求,吊杆应( )。( ABC )
A、平直
B、螺纹完整
C、丝扣光洁
【解析】根据建筑装饰装修工程施工规范,自制吊杆的规格必须符合设计要求,同时吊杆应满足以下条件:A:吊杆应保持……
19、【多选题】项目经理负有( )的责任。( ABCD )
A、建立管理体系
B、提出目标或确定目标
C、建立完善体系文件责任
D、在实施中进行持续改进
【解析】根据项目管理职责,项目经理需承担多项责任:A:负责建立并维护项目管理的组织架构和流程;B:负责根据项……
20、【单选题】( ),由项目部技术负责人向全体员工进行交底。( A )
A、工程项目开工前
【解析】根据建设工程施工技术管理规范,技术交底应在施工前进行。选项A工程项目开工前,指的是整个工程项目开始施……
21、【单选题】( )MPa不属于钢丝绳的强度级别。( A )
A、1370
【解析】钢丝绳的强度级别有多个标准等级,常见的有1370、1470、1570、1670、1770、1870、……
22、【单选题】( )在施工活动的全部管理工作中属于首位的。( D )
D、施工进度计划的编制、实施和控制
【解析】题目考查施工进度管理工作的首位环节。A:编制好的施工进度计划是基础,但仅是计划制定阶段;B:施工过程……
23、【单选题】( )要向本队组员工结合作业情况进行安全交底。( A )
A、作业队组长
【解析】选项A:作业队组长是直接负责本队组作业的组织者和指挥者,需要向员工交代作业中的具体安全风险和措施,符……
24、【单选题】ZSTB15的额定动作温度为( )℃。( A )
A、93
【解析】ZSTB15是洒水喷头的型号,其额定动作温度通常与标准温度等级对应。选项A:93℃属于中温级喷头;选……
25、【单选题】不属于主要施工管理计划的是( )。( D )
D、绿色施工管理计划
【解析】主要施工管理计划通常包括进度管理计划、成本管理计划、质量管理计划、安全管理计划、环境管理计划等。选项……
26、【单选题】不属于事故主要原因( )。( A )
A、没有安全规范或不健全
【解析】事故主要原因通常指导致事故发生的直接或关键因素。选项A:没有安全规范或不健全属于管理缺陷,是常见事故……
题库来源:安全生产模拟考试一点通 www.aqscydt.com
27、【单选题】不属于施工项目质量管理的原则( )。( D )
D、质量易受投资、进度制约
【解析】选项A:贯彻科学、公正、守法的职业规范,这是施工质量管理的基本原则之一,强调职业道德和规范操作。选项……
28、【单选题】不属于施工项目质量管理的特点( )。( A )
A、贯彻科学、公正、守法的职业规范
【解析】选项A:这是对施工项目质量管理的基本职业要求,属于管理原则而非特点;选项B:施工项目涉及人员、材料、……
29、【单选题】中标后、开工前项目部首先要做的是( )。( B )
B、编制实施的施工组织设计
【解析】选项A:工程质量目标的实现是项目实施过程中的长期目标,属于后续执行阶段的工作,不是中标后、开工前首先……
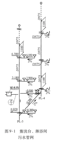
30、【单选题】从图9-1分析,这个排水系统属于( )。
( A )
A、雨污水混流制排放
【解析】图9-1显示排水系统中有两条独立的管道,一条标有雨水,另一条标有污水,且两条管道分别流向不同方向,未……
31、【单选题】作业场所油漆涂料存放量一般不超过( )天使用量,不得过多存放。( C )
C、2
【解析】根据安全生产管理规定,作业场所存放油漆涂料等危险化学品应严格控制数量,以减少火灾和污染风险。选项A:……
32、【单选题】各种材质的给水管,其试验压力均为工作压力的( )倍。( A )
A、1.5
【解析】给水管道的试验压力通常需要高于工作压力,以确保管道系统的安全性和可靠性。根据相关规范,不同材质的给水……
33、【单选题】备案机关发现建设单位在竣工验收过程中有违反国家有关建设工程质量管理规定行为的,应在收讫竣工验收备案文件( )日内,责令停止使用,重新组织竣工验收。( B )
B、15
【解析】根据《建设工程质量管理条例》第四十九条规定,备案机关发现建设单位在竣工验收过程中有违反国家有关建设工……
34、【单选题】外电线路电压为1kV以下,脚手架与外电架空线路的边线之间最小安全操作距离为( )m。( C )
C、4
【解析】根据《施工现场临时用电安全技术规范》规定,外电线路电压等级不同,脚手架与其边线之间的最小安全操作距离……
35、【单选题】如施工中某段管子需隐蔽的,则该段管子应先进行( )。( A )
A、灌水试验和通球试验
【解析】根据管道施工规范,隐蔽管道在隐蔽前必须进行严密性试验和通畅性检查。选项A中的灌水试验用于检查管道严密……
36、【单选题】对施工方案的比较:对一个具体对象编制的施工方案不应少于( )个,以便遴选和优化。( A )
A、2
【解析】根据工程项目管理规范,对施工方案进行比较时,为了确保遴选的合理性和优化效果,应编制不少于2个方案。选……
37、【单选题】尼龙绳和涤纶绳的抗水性能达到( )。( C )
C、96%~99%
【解析】尼龙绳和涤纶绳的抗水性能通常较高,其中涤纶绳因纤维结构疏水,抗水性能更优。选项A:90%~96%的抗……
38、【单选题】工程的承包合同主要指( )。( A )
A、预算收入为基本控制目标
【解析】工程承包合同是项目成本控制的关键依据。选项A:预算收入为基本控制目标,合同价格是预算收入的基础,因此……
39、【单选题】建设工程安全生产管理条例明确的特种作业人员是指( )。( C )
C、架子工
【解析】根据《建设工程安全生产管理条例》,特种作业人员是指从事容易发生事故、对操作者本人、他人及周围设施的安……
40、【单选题】技术准备包括( )。( D )
D、项目扩大初步设计方案的审查,熟悉和审查项目的施工图纸,项目建设地点自然条件、技术经济条件调查分析,编制项目施工图预算和施工预算,编制项目施工组织设计等
【解析】选项A:描述的是施工现场准备,包括测量和临时设施等,不属于技术准备范畴。选项B:描述的是施工队伍和组……
41、【单选题】指挥人员的职责与要求,在开始起吊时,应先用微动信号指挥,待负载离开地面( )并稳定后,再用正常速度指挥。( C )
C、10~20cm
【解析】根据起重机安全操作规程,在起吊开始时,指挥人员应使用微动信号,待负载离开地面一定高度并稳定后,才能转……
42、【单选题】捌链按结构不同,可分为( )。( A )
A、蜗杆传动和圆柱齿轮传动
【解析】捌链是手动提升工具,按结构主要分为两种:A:蜗杆传动,利用蜗轮蜗杆实现自锁和减速;B:链带传动,通过……
43、【单选题】文明施工要求,场容管理不包括( )。( A )
A、建立施工保护措施
【解析】A:建立施工保护措施属于安全管理范畴,不是场容管理的直接内容;B:明确责任制和区域划分是场容管理的基……
44、【单选题】施害物是( )。( C )
C、指直接引起伤害及中毒的物体或物质
【解析】选项A:不完全准确,施害物不仅包括引起中毒的物体或物质,还包括引起伤害的物体或物质,因此A范围过窄。……
45、【单选题】施工方案比较通常用( )两个方面进行分析。( A )
A、技术和经济
【解析】施工方案比较的核心在于权衡方案的可行性与成本效益。选项A:技术和经济,技术代表方案的可行性、安全性和……
46、【单选题】施工记录的内容与( )要相符。( C )
C、目录
【解析】施工记录的内容应与目录保持一致,这是施工资料管理的基本要求,目录是施工记录的索引和框架,内容必须与之……
47、【单选题】施工记录间的时间顺序、制约条件和( )要相符。( A )
A、有机联系
【解析】施工记录间的时间顺序、制约条件必须与工程的内在逻辑关系一致,选项A‘有机联系’准确描述了这种内在的逻……
48、【单选题】施工进度计划确定后,是( )的依据。( B )
B、编制生产资源供给计划
【解析】施工进度计划确定后,需要根据进度来安排各类资源的投入时间和数量,因此它是编制生产资源供给计划的基础。……
49、【单选题】案例10-1、某公司承建的大型体育场环形地沟内冷却水循环管网,管径外径达630mm,管道除与设备法兰连接外,管与管、管与配件的连接均为沟槽式连接,应属于柔性连接。由于该公司大口径柔性连接钢管的技术尚属于初次应用,尤其对其试压会产生的弹性变形和复位情况所知不多,为此项目部编制了作业指导书,按作业指导书要求做了模拟试验,对试压用档墩和稳定支架的布置位置作出了修正,并设置了集水坑、配备潜水泵。试压作业前,项目部技术负责人组织了高层次的技术交底,要求施工员、作业队组长各司其职,实行监护,确保作业人员正确操作,增强安全防范意识。由于整个过程组织合理、方法可靠、对风险有预防,所以试压工作顺利完成,并未发生事故。案例10-1该公司技术交底考虑的内容体现了( )。( A )
A、技术性内容和安全防范性内容
【解析】案例中,项目部编制了作业指导书、进行模拟试验、修正档墩和支架位置等,属于技术性内容;设置集水坑、配备……
50、【单选题】案例13-3:( A )
A、司承建的某行政大楼的机电安装工程,其中通风与空调工程已进入调试阶段。空调工程要调整各房间风量、风速、温度、湿度和噪声等各项指标。由于系统多、工作量较大,防排烟工程主要在主楼有电梯的建筑部分,防排烟工程要经调试和消防功能验收,系统相对较少。调试要求各场所的风压值符合规定,风压的分布规律符合要求,项目部依据业主与公安消防机构约定的日期安排了防排烟工程调试的作业进度计划。项目部考虑其系统较少,安排专业施工员负责通风空调工程的调试,作业队长负责防排烟系统调试。由于作业队长对防排烟系统在理论上对工艺不够熟悉,尤其对诸多调节阀的功能和作用知之甚少,在进度计划实施后,指挥失当、调节效果不大,规定指标较难实现。因而作业进度缓慢,出现较大偏差,距离验收日期日益临近,施工员发现后进行了调整,预计不能按期完成。发生进度偏差的主要因素是____。
【解析】本题考察进度偏差的主要原因。选项A:在项目内部,属于项目管理不当,这是根本原因,因为项目部安排了对工……
51、【单选题】每一个质量控制具体方法本身也有一个持续改进的课题,就要用( )循环原理,在实践中使质量控制得到不断,安全 生产模拟考试一 点通,提高。( D )
D、计划、实施、检查和改进
【解析】选项A:指的是现场质量检查的目测法手段,不涉及持续改进的循环原理。选项B:列举了质量检查的三种方法,……
52、【单选题】环境事故发生后的处置不包括( )。( A )
A、建立对施工现场环境保护的制度
【解析】选项A:建立对施工现场环境保护的制度属于事前预防措施,不是事故发生后的应急处置内容。选项B:按应急预……
题库来源:安全生产模拟考试一点通 www.aqscydt.com
53、【单选题】组织准.安全生 产模拟考 试一点通.备包括( )。( B )
B、建立项目组织机构,集结施工队伍,对施工人员进行入场教育等
【解析】选项A属于技术准备,涉及设计审查、图纸熟悉、施工预算编制等,并非组织准备。选项B涉及建立组织机构、集……
54、【单选题】给水排水立管留洞位置失准属于( )阶段的控制失效。( C )
C、施工准备阶段的后期
【解析】施工准备阶段的前期主要涉及图纸会审、技术交底和施工方案制定等基础工作,若此时图纸或技术交底错误,可能……
55、【单选题】自事故发生之日起( )日内,事故造成的伤亡人数发生变化的,应当及时补报。( B )
B、30
【解析】根据《生产安全事故报告和调查处理条例》规定,自事故发生之日起30日内,事故造成的伤亡人数发生变化的,……
56、【单选题】自制吊杆的规格应符合设计要求,吊杆加长采用搭接双侧连接焊时,搭接长度不应小于吊杆直径的( )倍。( C )
C、6
【解析】根据相关规范要求,吊杆的搭接焊接需要保证足够的连接强度。当采用双侧连接焊时,搭接长度需达到吊杆直径的……
57、【单选题】质量事故的处理方式不包括( )。( D )
D、形成事故质量报告
【解析】质量事故的处理方式通常包括对不合格品或不符合要求的部分采取措施,以消除问题或降低影响。选项A:返工处……
58、【单选题】质量策划是指( )。( B )
B、致力于制定质量目标并规定必要的运行工程和相关资源以实现质量目标
【解析】选项A:描述的是质量改进,旨在提升能力以满足质量要求;选项B:准确描述了质量策划的定义,即制定质量目……
59、【单选题】费用定额的规定,没有( )特点,要注意时效的变化。( D )
D、片面性
【解析】费用定额的规定具有以下特点:地方性(A:不同地区根据实际情况制定)、变异性(B:会随市场、政策等因素……
60、【单选题】进度统计报告是( )。( C )
C、实际成本发生的重要信息来源
【解析】进度统计报告主要反映项目实际完成情况和资源消耗情况,是记录和汇总实际成本数据的重要依据,因此选项C正……
61、【单选题】通球试验是对排水主立管和水平干管的通畅性进行检测,木质球或塑料球进管内,检查其是否能通过,通球率达到( )%为合格。( D )
D、100
【解析】通球试验是检验排水管道是否畅通的重要手段,要求通球率必须达到100%,以确保管道内无堵塞。选项A:9……
62、【单选题】通风与空调工程的调试和调整主要,安 全 生产 模拟 考试一点通,手段是( )。( A )
A、对各类自动或手动的调节阀达到某一个适当的开度,就可满足要求
【解析】通风与空调工程调试和调整的目的是通过调节阀门开度来平衡系统风量或水量,以满足设计要求。选项A:正确,……
63、【单选题】金属及复合管在试验压力下,观察( )min,压力降不大于( )Mpa,然后降到工作压力进行检查,以不渗漏为合格。( C )
C、10,0.02
【解析】根据管道压力试验的相关规范,金属及复合管在试验压力下需要保持一定时间观察压力降,通常为10分钟,并且……
64、【单选题】雨水管道灌水试验的灌水高度必须到每根立管上部的雨水斗,试验持续时间( )h,不渗漏为合格。( A )
A、1
【解析】根据《建筑给水排水及采暖工程施工质量验收规范》(GB 50242)的规定,雨水管道灌水试验要求灌水高……
65、【单选题】项目部要对施工升降机的使用建立相关的管理制度不包括( )。( C )
C、升降机的使用培训
【解析】本题考察施工升降机管理制度的内容。根据相关规定,施工升降机使用管理制度应包括:A:司机的岗位责任制,……
66、【单选题】风机压出端的测定面要选在( )。( A )
A、通风机出口而气流比较稳定的直管段上
【解析】本题考察风机压出端测定面的选择原则。选项A:通风机出口而气流比较稳定的直管段上,符合风机性能测定的要……
67、【单选题】风管连接处严密度合格标准为中压风管每( )m接缝,漏光点不大于( )处为合格。( B )
B、10,1
【解析】根据《通风与空调工程施工质量验收规范》(GB 50243)的规定,风管连接处严密度的合格标准为:中压……
68、【单选题】高度超过( )m的建筑物的周边,当无外脚手架时,应在外围边沿架设一道安全平网。( B )
B、3.2
【解析】根据《建筑施工高处作业安全技术规范》(JGJ 80-2016)的规定,当建筑物高度超过3.2米时,若……
69、【单选题】麻绳使用注意事项:如果与滑轮配合使用,滑轮直径应大于绳径( )倍。( B )
B、7~10
【解析】麻绳与滑轮配合使用时,为保证安全性和减少磨损,滑轮直径需足够大。根据相关安全规范,滑轮直径应大于麻绳……
70、【多选题】下列属于悬浮燃烧的是()( BCD )
B、燃油锅炉
C、燃气锅炉
D、煤粉炉
【解析】悬浮燃烧是指燃料在炉膛空间悬浮燃烧的方式。选项A:流化床锅炉属于沸腾燃烧,不是悬浮燃烧;选项B:燃油……
71、【判断题】合理的施工进度计划有利于工程实体的顺利形成,并确保工程质量、确保安全施工。( √ )
【解析】合理的施工进度计划能够科学安排各工序的衔接,确保施工过程有序进行,从而有利于工程实体的顺利形成。同时……
72、【判断题】在招标答疑会上允许提出疑问,说明工程量复核的必要性。( √ )
【解析】选项A:在招标答疑会上允许投标人提出疑问,这通常涉及对招标文件的理解或工程量清单的疑问,而工程量复核……
73、【判断题】对施工现场环境条件的识别,从安全控制要求、安全生产模 拟考试一 点通、出发,即对施工现场影响安全的危险源识别。( √ )
【解析】选项A:正确,因为施工现场环境条件的识别是安全管理的重要环节,其核心目的是识别出可能影响安全的危险源……
74、【判断题】工程建设强制性标准是指直接涉及工程质量、安全、卫生及环境保护等方面的工程建设标准强制性条文。( √ )
【解析】选项A:该说法正确。根据《实施工程建设强制性标准监督规定》的定义,工程建设强制性标准是指直接涉及工程……
75、【判断题】建筑物施工时用来做横向运输的平台,楼层边沿接料等处,均应装设安全门或活动栏杆。( × )
【解析】根据建筑施工安全规范,在建筑物施工过程中,用于横向运输的平台、楼层边沿接料口等位置,必须设置安全防护……
76、【判断题】建筑电气工程在动力中心的变配电设备安装,机场建设的电力电缆敷设,带有36kV的变配电所的调整试验等。( × )
【解析】题目描述的是建筑电气工程中涉及的不同电压等级和施工内容,包括变配电设备安装、电力电缆敷设以及36kV……
77、【判断题】影响安装工程进度的因素有建设项目内部和外部两个方面。( √ )
【解析】影响安装工程进度的因素确实包括内部和外部两个方面。内部因素可能涉及施工组织、技术应用、资源配置等;外……
78、【判断题】成本考核目的在于贯彻落实责权利相结合原则,根据成本控制活动的业绩给予责任者奖励或处罚,促进企业成本管理、成本控制健康发展。( √ )
【解析】该题考察成本考核的目的。选项A:成本考核的核心在于将成本控制的责任、权力和利益相结合,通过评价各责任……
题库来源:安全生产模拟考试一点通 www.aqscydt.com
79、【判断题】把目标和承诺依靠组织结构体系分解成层层可操作的活动,并用书面文件说明操作的程序和预期的结果。( √ )
【解析】该描述符合目标管理和计划管理中的过程,即通过组织结构将总体目标分解为具体可执行的活动,并制定书面文件……
80、【判断题】报警阀的上腔、下腔的接口不能够接错。( √ )
【解析】报警阀的上腔和下腔接口具有不同的功能,通常上腔连接水源,下腔连接系统管网。如果接反,会导致报警阀无法……
81、【判断题】施工现场管理的基本要求:采用风险管理的理念,实行组织、识别、控制和信息反馈等各个环节的全方位、全过程的管理。( √ )
【解析】该题考察对施工现场管理基本要求的理解。题目描述的内容符合现代工程管理理念,强调风险管理应贯穿于组织、……
82、【判断题】施工组织设计以施工项目为对象编制的,用于指导施工的技术、经济和管理的综合性文件。( √ )
【解析】施工组织设计是专门针对施工项目编制的,其目的是为施工过程提供技术指导、经济分析和管理方案,属于综合性……
83、【判断题】施工质量验收最主要的是检验批“安全生产模 拟考 试一 点通“质量验收记录。( × )
【解析】检验批是工程验收的最小单位,是分项工程乃至整个建筑工程质量验收的基础。虽然检验批验收记录是施工质量验……
84、【判断题】建筑工人的安全帽和摩托车头盔可以通用。( × )
【解析】选项A:错误。建筑安全帽和摩托车头盔的设计标准、防护重点和使用场景不同。建筑安全帽主要防护顶部坠落物……
85、【判断题】施工进度计划是把预期施工完成的工作按时间坐标序列表达出来的书面文件。( √ )
【解析】选项A:施工进度计划确实是将预期施工完成的工作按照时间坐标序列进行表达的书面文件,它用于指导和控制施……
86、【判断题】施工进度计划编制后,必须对生产资源供给的状况和能力进行调查,作出评估。( × )
【解析】选项A:正确。施工进度计划编制后,确实需要对生产资源(如人力、材料、设备等)的供给状况和能力进行调查……
87、【判断题】根据施工现场施工用地紧张的实际状况,必须按建设工程安全生产管理条例规定对生活生产临时设施进行安排,使之既符合生产需要又符合安全要求。( √ )
【解析】该题目考察对建设工程安全生产管理条例中关于临时设施安排的理解。条例明确要求施工现场的生活生产临时设施……
88、【判断题】案例13-1、B公司承建的某行政大楼的机电安装工程,其中通风与空调工程已进入调试阶段。空调工程要调整各房间风量、风速、温度、湿度和噪声等各项指标。由于系统多、工作量较大,防排烟工程主要在主楼有电梯的建筑部分,防排烟工程要经调试和消防功能验收,系统相对较少。由于作业队长对防排烟系统在理论上对工艺不够熟悉,尤其对诸多调节阀的功能和作用知之甚少,在进度计划实施后,指挥失当、调节效果不大,规定指标较难实现。因而作业进度缓慢,出现较大偏差,距离验收日期临近,施工员发现后进行了调整,预计不能按期完成。案例13-1这种影响进度计划实施的因素属于项目内部造成的。( × )
【解析】案例中明确指出,影响进度计划实施的主要原因是作业队长对防排烟系统工艺不熟悉、指挥失当,以及施工员发现……
89、【判断题】民工走路时误入无防护的吊装孔而坠落身亡是一起触电事故。( × )
【解析】该题目描述的是民工因误入无防护的吊装孔而坠落身亡的事件,这属于高空坠落事故,与触电无关。选项A错误,……
90、【判断题】汽车式起重机具有机动性能好、运行速度快、转移方便等优点。( √ )
【解析】汽车式起重机是将起重设备安装在汽车底盘上,具有汽车行驶性能,因此其机动性能好、运行速度快、转移方便等……
91、【判断题】由法规明确的施工记录的内容随着规范标准的修订而变更。( × )
【解析】选项A:错误。施工记录的内容通常由法规、规范或标准明确规定,这些规定具有相对稳定性,不会因规范标准的……
92、【判断题】电动卷扬机的种类按起重量分有0.5t、1t、2t、3t、4t、5t、10t、20t等。( × )
【解析】该题考察电动卷扬机的分类知识。按起重量划分,电动卷扬机确实有0.5t、1t、2t、3t、4t、5t、……
93、【判断题】统一标准共有条文53条,其中强制性条文6条,比例为9%,同时还有8个附录,用以统一划分工程和统一检查记录的表达。( × )
【解析】选项A:该描述存在错误。统一标准共有条文53条,其中强制性条文为6条,但6条占53条的比例约为11.……
94、【判断题】计划成本与承包成本比较即可判定项目的盈亏情况。( × )
【解析】选项A:该说法错误。计划成本是项目预算中的预计成本,承包成本是合同约定的成本,两者比较只能反映成本控……
95、【判断题】试压前施工员应先确定试压的性质是单项试压还是双项试压。( × )
【解析】选项A:正确。在管道试压前,施工员需要明确试压的性质,即判断是单项试压(针对单个系统或部件)还是双项……
96、【判断题】试压泵有电动和手动的两类,但泵的泵体都属于柱塞式泵。( √ )
【解析】试压泵确实分为电动和手动两种类型,但它们的工作原理都是通过柱塞在泵体内往复运动来产生高压,因此都属于……
97、【判断题】进度控制就是进行计划、实施、检查、比较分析、确定调整措施、再进行计划的一个循环过程,这个过程属于开环控制过程。( × )
【解析】进度控制是一个动态循环过程,包括计划、实施、检查、比较分析、确定调整措施、再计划的环节,这种持续反馈……
98、【判断题】送风机是空调系统用来输送空气的设备。( × )
【解析】选项A:送风机在空调系统中确实负责将处理过的空气输送到各个房间或区域,因此该描述是正确的。……
99、【判断题】通过施工质量策划形成的施工质量计划等同于施工组织设计。( √ )
【解析】施工质量计划与施工组织设计在内容和目的上存在差异。施工质量计划主要关注质量管理体系、质量控制点、质量……
100、【判断题】项目部对工程质量控制各个阶段都有针对性的活动,自事前的编制施工组织设计、深化设计、人员上岗培训开始,到事中的材料筛选、管理人员加强巡视检查工程质量,最好把好检查验收关。说明项目部对工程质量策划的控制已全面。( √ )
【解析】该题描述了项目部在工程质量控制各阶段的活动,包括事前、事中和事后控制,体现了全面质量控制策划。但选项……
支持全国各地区精准施工员-设备方向-岗位技能考试试题,支持安全资格证,特种作业操作证,职业技能鉴定等工种题库练习。