各位友友好,我是你的朋友afan。是一个喜欢情感输出,集温柔与善良为一体,自诩才华横溢的光头afan😊
本期聊一个比较前卫的话题——工程设计与项目化试题。
工程设计与物化,在2022版义务教育《科学课程标准》中首次明确为13个学科核心概念之一。
初中阶段主要内容为:
工程需要定义和界定;
工程的关键是设计;
工程是设计方案物化的结果。
学业要求:
1.能定义一个简单的实际工程问题及验收标准(制定评价量表)
2.能基于所学学科原理,应用创造性思维的基本方法,提出多种设计方案,对设计方案进行模拟分析和预测,运用计算思维和批判性思维选择并优化设计方案。
(重点是设计和优化实验方案)
3.能知道工程需要经历明确问题、设计方案、实施计划、检验作品、改进完善、发布成果等过程,制作实物模型,并依据实际反馈结果对实物模型进行迭代改进。(物化产品并不断地迭代改进)
4.乐于设计多种方案,具有质疑创新的态度,尊重证据,实事求是。
(培养质疑与创新精神)
项目化试题讲解:
1.科学课上,同学们开展“制作呼吸模型”项目化学习,下表为模型的评价量表。

某小组利用吸管、木板、气球和铁丝等材料制作模型,用保鲜膜将整个装置包住形成一个密闭环如图甲所示。

(1)图甲模型中气球模拟的人体器官是 肺
(根据要求物化产品)
(2)若要用该模型演示吸气过程,则同学对铁丝的操作为 将铁丝向上抬起
(对物化产品是使用初步解答)
(3)根据评价量表,该模型的指标一被评为优秀,指标二为合格,为使该模型能更好的体现人体结构特征,结合图乙请选择合适的材料对该模型进行改进(写出两点):将保鲜膜改为有弹性的橡皮膜,模拟肌肉的收缩与舒张: 用向上突起且有弹性的材料模拟隔肌。
(利用评价量表对物化产品进行评价,旨在对物化产品的迭代更新)
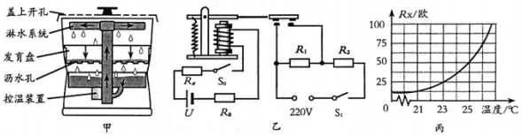
2.某学习小组开展“自制豆芽机”项目化学习活动,主要包括产品设计、功能调试、评价改进三个环节。
[产品设计]
图甲是小组成员完成的设计草图,内客包括发育盘、淋水系统和控温装置。
发育盘上有沥水孔;淋水系统由水泵驱动,立芽机中的水可通过内部管道和沥水孔按箭头方向流动,使用时可通过调节水流大小控制发育盘中的积水量。
控温装置内部电路如图乙所示,可实现加热、保温两档自动切换,其中R0是定值电阻,R1、R2为电热丝,Rx为热敏电阻。

[功能调试]
小组成员购置了相关配件进行产品制作与调试,配件的具体参数如下:
控制电路电源电压 U为3伏,为 R0=25 欧,R1为 440 欧,Rx的阻值与温度的关系如图两所示,电磁铁衔铁在电流大于 60mA 时吸合,小于 30mA 时释放
[评价改进]
小瑞设计了评价量规,部分指标如下表,并以作为豆机评价改进的依据

(1)请根据评价量规,对小组设计的豆芽机的“氧气提供”指标进行等级判定,并写出判断的依据。
等级:优秀
依据:发育盒上有汤水孔,水可流动,利于通气
(利用评价量表判定等级,旨在对物化产品的迭代更新)
(2)功能调试时,小瑞测得豆芽机的保温功率为55瓦,请计算其加热功率。
P保温=U2/(R1+R2)
55w = (220v)2/(440Ω+R2)
R2 =440Ω
P加热=U2/R2=(220v)2/440Ω=110W
(利用电磁继电器原理简单计算)
(3)小科查阅资料发现绿豆发的适宜温度范围是 20℃-25℃,请结合数据分析此款豆芽机自动控制的温度范围是否符合要求。
I=60mA
R总=U/I=3v/0.06A=50Ω
Rx=50Ω-25Ω=25Ω
T=23℃
I=30mA
R总=U/I=3v/0.03A=100Ω
Rx=100Ω-25Ω=75Ω
T=26℃
所以,能实现走动控温,但是温度过高或过低;等级属于合格
(通过计算,根据评价量表判定等级,旨在对物化产品的迭代更新)
项目化试题主要从一下几个纬度设计:
1.物化产品模型
2.评价量表的设计与使用
3.赋予跨学科计算方法,利用评价量表评价产品等级
4.对物化产品的初步迭代方案设计
以上是作者的一点粗浅的见解,不足之处还请大神们指点迷津,我们可以不断地迭代改进。