
4(08海淀一模)如图24所示,电路中电源两端电压保持不变,滑动变阻器的最大阻值为R3。将滑动变阻器的滑片P置于A端,只闭合开关S1时,电压表V1的示数为U1,电压表V2的示数为U2;将滑动变阻器的滑片P置于B端,仍只闭合开关S1时,电压表V1的示数为U1′,电压表V2的示数为U2′,R1消耗的电功率为0.72W。已知U1:U1′= 4:7,U2:U2′= 2:1,R2=12W。

(1)求R1的阻值;
(2)当滑动变阻器的滑片P置于B端时,闭合开关S1、S2、S3,通 过计算说明电流表能否使用0-3A这一量程进行测量。



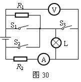
5(08西城一模)如图30所示电路电源两端电压保持不变,灯L标有“6V 6W”字样。只断开开关S1时,电压表的示数为U;只闭合S1时,电流表的示数为I;开关全断开时,电压表的示数为U ¢,电流表的示数为I ¢,灯L的实际功率为1.5W。已知U∶U ¢=7∶5,I∶I ¢=2∶1。不考虑灯丝电阻RL的变化。求:定值电阻R2的电阻值和电路消耗的最大功率。




6(08朝阳一模)如图24所示电路,灯L1和L2分别标有“6V 0.2A”和“2V 0.2A ”。电源电压及灯丝电阻保持不变。当开关S1、S2、S3闭合,S4打开时,灯L1恰能正常发光。当开关S1、S2、S4闭合,S3打开,滑动变阻器的滑片P位于a点时,灯L1也能正常发光;滑动变阻器的滑片P位于b点时,灯L1的功率是额定功率的1/4;当开关S1、S3闭合,S2、S4打开时,灯L1的功率是额定功率的16/25。求:

(1)电源电压
(2)电阻R2的阻值
(3)滑动变阻器滑片P位于a点和b点时接入电路的电阻阻值
(4)电流表在以上状态中的最大电流和最小电流




内容来源于网络 侵权请联系删除
觉得这篇文章对您有帮助,点亮【在看】,让更多人看到