


第二部分通用技术(共50分)
一、选择题(本大题共12小题,每小题2分,共24分。每小题列出的A、B、C、D四个备选项中只有一个是符合题目要求的,不选、多选、错选均不得分)
1.智能机器人技术发展日新月异,如图所示是一款工业级交互式具身作业机器人,自发布以来已获得多个亿元级订单,并完成了首批交付。下列关于该机器人的分析不恰当的是()

A. 研发需要机械工程、电子电路、人工智能、人机交互等多领域知识体现了技术的综合性
B. 采用全新仿生关节设计,相比传统齿轮传动更具柔顺性,体现了技术创新性
C. 该机器人可实现7×24 h 连续作业,体现了设计的可持续发展原则
D. 可替代人类执行重复性、高强度或高危劳动,有助于解放生产力
【答案】C
2.对如图所示无感智能门锁的分析与评价中,不恰当的是()

A. 适配现有的门锁安装位置,无需对门加工,主要是从“环境”的角度考虑
B. 依赖近场无线通讯技术实现无感控制,说明技术发展对设计产生重要影响
C. 门锁外观时尚,赏心悦目,实现了人机关系的舒适目标
D. 携带与门锁配对的蓝牙设备即可自动无感解锁,用户与门锁不存在人机关系
【答案】D
3.液压千斤顶用途广泛,下列描绘其结构原理的示意图中合理的是()

【答案】D
4.下列关于第3题中的液压千斤顶的描述,不合理的是()
A. 顶升重物的操作过程中手柄受弯曲
B. 顶升重物的操作过程中小活塞杆受拉、受压
C. 回油阀与油塞是为了维护时更换液压油方便而设置
D. 若举升重物后鞍座缓缓下降不能自锁,可能是液压油有杂质导致止回阀密封不严
【答案】C
5.下列立体图中,与右侧所示三视图相符的是()

【答案】A
在通用技术实践室,小明用长度合适的 20×20mm 方钢加工如图所示的液压千斤顶摇杆。请完成第6-7题。

6.下列操作中,不合理的是()
A. 划线时,中心线用角尺作导向工具画出点划线
B. 锯割时,方钢用台虎钳竖向夹持固定
C. 锉削时,只需用到平锉、方锉
D. 钻孔时,平口钳夹持工件后,先对准钻头,再启动台钻、下压进给
【答案】A
7.小明设计了下列加工流程,其中最合理的是()
A. 划线→锉削→钻孔→锯割→锉削
B. 划线→钻孔→锯割→锉削→钻孔
C. 划线→钻孔→锉削
D. 划线→钻孔→锯割→锉削
【答案】D
如图所示为一工件加热用电炉炉温自动控制系统。给定环节输出电压Ur代表所要保持的炉温,测温热电偶根据炉温输出电压Uf,形成误差电压ΔU=Ur-Uf,ΔU 经过放大器放大后带动电动机M向一定方向转动,使调压器改变加热电压,从而改变炉温。请完成第8-9题。

8.关于电炉炉温自动控制系统,下列分析不恰当的是()
A. 给定环节、放大器、电动机、调压器、热电偶等共同构成了该系统的组成要素
B. 系统的目标是克服各种扰动,将炉温稳定在给定值,体现了系统的目的性
C. 调压器滑动触点的移动速度会影响炉温调节的响应时间,体现了系统的相关性
D. 优先考虑加热元件的成本,再考虑炉温控制精度,体现了系统分析的整体性原则
【答案】D
9.关于电炉炉温自动控制系统,下列说法正确的是()
A. 测温热电偶的电压Uf是系统的输入量
B. 放大器是该控制系统的被控对象
C. 误差电压△U是系统的控制量
D. 误差电压△U越小,说明炉温与设定值越接近
【答案】D
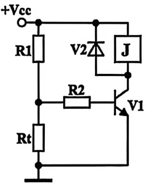
小明设计了如图所示的温度控制电路,温度高于 40°C ,继电器吸合,启动降温。请完成第10∼11 题。

10.小明在搭接电路之前,用数字多用电表正确挡位对元器件进行测试,下列说法正确的是()
A. 温度越高,热敏电阻Rt阻值越小,说明热敏电阻Rt正常可用
B. 黑表笔接基极b,红表笔接发射极e或集电极c,显示0.67,交换表笔后显示OL,则该三极管可用
C. 继电器线圈阻值显示 105Ω ,说明继电器线圈正常
D. 二极管V2,红表笔接负极,黑表笔接正极显示0.02,说明二极管V2正常
【答案】C
11.小明测试元器件都正常后,在面包板上搭接电路后,下列分析不正确的是()
A.R1调大,温度的设定值升高
B.R2调大,温度的设定值降低
C.由于继电器吸合电流远大于释放电流,温度升至 40°C 时降温装置起动,降至 40°C 后不会立即停止
D.V2断路,继电器释放瞬间,容易造成三极管V1损坏
【答案】B
12.小明设计了如图所示的电路,光线强度超过设定值时V3闪烁报警。三极管V2始终处于放大状态,下列分析正确的是()

A. 光线低于设定值,V3常亮
B. 增大R1的阻值,设定值调高
C. 减小R3,设定值不变
D. 增大C1,报警时、V3闪烁的频率变快
【答案】C
二、综合题(本大题共3小题,第13小题8分,第14小题10分,第15小题8分,共26分)
13.小明发现教室图书角的书架上报刊、杂志堆叠在一起,不方便取阅,想设计一款可以分类摆放的多功能书报架,方便学生阅读,构思了如图所示的草图,请完成以下任务:

(1)书报架上部为报刊区,下部为书籍区,主要考虑的结构特性是(单选)▲
A美观性
B.稳定性
C.强度
D.经济性
(2)关于教室图书角书报架的设计,下列说法不恰当的是(多选)▲
A.主体采用实木板材,刷木蜡油,环保美观
B.在室内使用,只需考虑“人”、“物”,无需考虑“环境”
C.底部加装带刹车功能的万向轮,既便于移动,又能可靠定位
D.为降低成本,可使用回收板材制作,忽略其承重与变形问题
(3)从人机关系的角度分析,下列考虑不恰当的是(单选)▲
A.层板高度适配学生坐姿取阅,避免弯腰过度
B.边缘做圆角处理,防止取阅时划伤
C.报刊架无标识分区设计,加快制作速度,忽略学生查找报刊的效率
D.加装移动把手,位置适配学生握持,便于搬运
(4)若选用实木材料,最不适合用于层板与立板的连接方式是(单选)▲
A. 榫卯连接
B. 螺钉固定
C. 胶水粘接
D. 角码连接
【答案】(1)B(2)BD(3)C(4)C
14.小明发现教室阅读角的椅子高度采用螺栓挡位式调节,不太方便,计划设计一款手摇正反转驱动的机械式升降装置,轻松实现座椅高度的连续调节。原座椅拆除高度调节螺栓,其与手摇柄的主要结构如图所示,横杆宽30mm ,高40mm ,导向杆直径70mm ,导向套外径 80mm 。请帮助小明设计该装置。设计要求如下:
(a)装置安装可靠,手摇柄绕水平转轴摇转,能驱动座面顺畅升降;
(b) 升降范围要求为 0∼150mm ;
(c)手摇柄停止转动时,座面能自动锁定在任意高度;
(d)所需材料和配件自选。

请完成以下任务:
(1)装置安装后,需要进行相关的技术试验。以下试验中不必要的是(单选) ▲
A. 连接手摇柄正反转,观察座面能否顺畅升降
B. 在座面上放置 80kg 的重物,观察座面能否从最低升至最高
C. 使座面升至最高,用适当的力向下压座面,观察座面能否锁定
D. 使座面升至最高,用适当的力向下压座面,观察坐面是否变形
(2)画出最优方案的设计草图;
(3)在草图上标注主要尺寸。
【答案】(1)D;

(2) 评分参考: (1)安装可靠,位置合适:2分
(2)能实现升降:2分
(3)手摇柄停止摇动时椅面能保持在所在高度。
(3)升降范围0-150mm:1分;其他合适的尺寸。1分
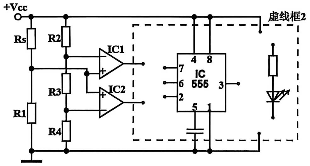
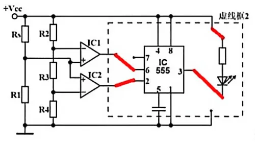
15.小明发现食品存储仓库湿度太高,食品容易变质,于是设计了湿度控制电路,如图所示。其中 Rs 是负特性湿敏电阻,V1 发光表示除湿装置工作,V1不发光表示除湿装置不工作。请完成以下任务:

(1)控制湿度上限的比较器是(单选)▲(A.IC1;B.IC2);
(2)根据题目要求将虚线框1中的电路连接完整;
(3)适当增加R3的阻值,下列说法正确的是(单选)▲
A.下限变高,上限变低
B.下限变低,上限变高
C.上下限均变高
D.上下限均变低
(4)小明发现手头没有或非门电路,只有555,请在虚线框2中完成连线,将电路补充完整。

【答案】(1)A
(2)

(3)B
(4)


通用技术易考通系列资料:
《易考通选考宝典(新教材版)》是选考知识点为主,考前冲刺必备宝典。
《易考通草图设计(新教材版)》是草图案例为主,拓展思维。
《易考通草图刷题含解析(新教材版)》是草图练习题为主,图文详解。
《易考通三视图(新教材版)》是三视图选择题原理方法讲解和配套练习题为主,配答案和立体图。
《易考通基础刷题含解析(新教材版)》是按照通用技术选考试卷题型考点编写的必修一、必修二的练习题和详解,建议一轮使用。
《易考通电控刷题含解析(新教材版)》是按照通用技术选考试卷题型考点编写的选修电子控制技术的练习题和详解,建议一轮使用。
《易考通基础拉分练含解析(新教材版)》是按照通用技术选考试卷题型高频考点编写的必修一、必修二的练习题和详解,建议二轮使用。
《易考通电控拉分练含解析(新教材版)》是按照通用技术选考试卷题型高频考点编写的选修电子控制技术的练习题和详解,建议二轮使用。
《易考通真题精练(新教材版)》是按照通用技术选考真题编写的考点式刷题资料,每题配详解,建议考前使用。
一轮刷题资料:
《易考通基础刷题(新教材版)含解析》、《易考通草图刷题(新教材版)含解析》和《三视图(新教材版)》
二轮刷题资料:
《易考通电控拉分练(新教材版)含解析》和《易考通基础拉分练含解析》

