🔥 电学基石 + 高频考点 + 实验陷阱 = 中考必拿分!
今天我们来系统梳理初中物理最重要的定律之一——欧姆定律。它不仅是计算题的核心,更是实验题的“命门”。掌握它,电路分析不再懵!
📘 一、欧姆定律是什么?(基础概念篇)
✅ 定义
导体中的电流,跟导体两端的电压成正比,跟导体的电阻成反比。
✅ 核心公式
I = U ÷ R
其中:
- I:电流,单位安培(A)
- U:电压,单位伏特(V)
- R:电阻,单位欧姆(Ω)
💡 理解关键:这个公式是“因果关系”——电压是原因,电流是结果;电阻是阻碍作用。
🧩 二、欧姆定律适用条件 & 注意事项
表格
| 项目 | 说明 |
|---|---|
| ✅ 适用范围 | 纯电阻电路(如灯泡、定值电阻),不适用于电动机、电解槽等非纯电阻元件 |
| ✅ 同一性 | I、U、R 必须对应同一个导体或同一段电路 |
| ✅ 同时性 | 三个量必须是同一时刻的数值(尤其在动态电路中) |
| ⚠️ 常见误区 | 不要认为“电阻随电压变化”——电阻是导体本身属性,与电压电流无关!(除非温度变化) |
🛠️ 三、解题万能技巧 & 口诀(收藏版)
🔹 技巧1:串并联电路中欧姆定律的应用
1. 串联电路
- 电流处处相等:I₁ = I₂ = I总
- 电压分配(分压原理):U₁ : U₂ = R₁ : R₂
(电阻越大,分得的电压越大)
2. 并联电路
- 各支路电压相等:U₁ = U₂ = U总
- 电流分配(分流原理):I₁ : I₂ = R₂ : R₁
(电阻越大,流过的电流越小)
🔹 技巧2:动态电路分析四步法
- 判断电路连接方式(串/并)
- 明确电表测量对象
- 分析滑片移动 → 电阻变化 → 电流变化 → 电压变化
- 用欧姆定律和串并联规律推导
🔹 技巧3:实验题控制变量法
- “探究电流与电压关系” → 控制电阻不变
- “探究电流与电阻关系” → 控制电压不变 ← 本题重点!
🎯 记忆口诀
“欧姆定律三兄弟,电压电流加电阻;串联电流都一样,并联电压不分家;实验要想做得好,控制变量不能差!”
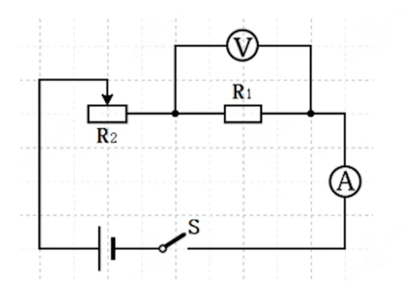
📐 四、实战演练|经典实验题深度拆解
我们以这道中考高频题为例,手把手带你突破“探究电流与电阻关系”的实验难点!
📌 经典例题
小华用如图所示的电路探究电流与电阻的关系,已知电源电压为6V,滑动变阻器R₂的最大电阻为20Ω,电阻R₁为10Ω。
实验过程中,将滑动变阻器滑片移到某一位置时,读出电阻R₁两端电压为4V,并读出了电流表此时的示数。紧接着小华想更换与电压表并联的电阻再做两次实验,可供选择的电阻有15Ω、30Ω、45Ω和60Ω各一个。
为了保证实验成功(即保持电压表示数不变),小华应选择的电阻是哪两个?

🔍 五、解题步骤详解(结合欧姆定律+控制变量)
第一步:明确实验要求 —— 控制电压不变!
这是本题的灵魂!题目隐含要求“电压表示数不变”,意味着无论换哪个电阻,都要通过调节滑动变阻器,让定值电阻两端电压始终保持4V。
所以,滑动变阻器两端电压恒为:U滑 = U总 - U定 = 6V - 4V = 2V
第二步:利用串联分压比例求最大允许电阻
在串联电路中,电压与电阻成正比。我们可以列出比例式:
U定 : U滑 = R定 : R滑
代入已知数据:4V : 2V = R定 : R滑化简得:R定 = 2 × R滑
这意味着:定值电阻的阻值,不能超过滑动变阻器接入阻值的2倍。
因为滑动变阻器的最大阻值只有 20Ω,所以定值电阻能取的最大值是:R定(max) = 2 × 20Ω = 40Ω
👉 结论:可选的电阻必须小于或等于 40Ω。
第三步:筛选可用电阻
可供选择的电阻有:15Ω、30Ω、45Ω、60Ω
- 15Ω < 40Ω ✅ (可行)
- 30Ω < 40Ω ✅ (可行)
- 45Ω > 40Ω ❌ (不可行,滑片调到最大也分不走足够的电压)
- 60Ω > 40Ω ❌ (不可行)
✅ 最终答案:应选择 15Ω 和 30Ω 的电阻。
⚠️ 六、易错点 & 避坑指南(考试扣分重灾区!)
表格
| 错误类型 | 正确做法 |
|---|---|
| ❌ 忘记“电压表示数不变” | ✅ 每次换电阻后都要调滑片,让电压表回到原数值(如4V) |
| ❌ 直接用电源电压算电流 | ✅ 要用定值电阻两端电压(4V)来算电流 |
| ❌ 忽略滑动变阻器最大阻值 | ✅ 最大能接多大的电阻?由滑动变阻器决定!公式:R定 ≤ (U定/U滑) × R滑(max) |
| ❌ 认为只要电阻小就行 | ✅ 太小也没问题,但太大就调不到目标电压了! |
💡 七、拓展思考(提升思维)
如果题目改成“电压表示数改为3V”,其他条件不变,那最大能选多大电阻?
- 算出滑动变阻器电压:U滑 = 6V - 3V = 3V
- 列比例:3V : 3V = R定 : R滑 → R定 = R滑
- 因为 R滑最大是20Ω,所以 R定最大只能是 20Ω。
- 此时只能选 15Ω,30Ω就不行了!
