



第二部分 通用技术(共50分)
一、选择题(本大题共12小题,每小题2分,共24分。每小题列出的四个备选项中只有一个是符合题目要求的,不选、多选、错选均不得分)
如图所示是某国产的便携式即热饮水机,可以根据设定的几挡温度,快速出热水;设置有童锁按钮,只有在解锁状态才能出水;通过矿泉水瓶的螺纹口将矿泉水瓶安装到饮水机上。请根据题图与描述完成16- 17题。

16.从技术的角度分析,以下关于该产品的说法中不正确的是
A.方便携带,体现了技术的目的性
B.融合了负压给水、电磁速热等技术,体现了技术的综合性
C.获得了专利授权后将永久对该成果享有独占、使用、处置的权利
D.电磁速热技术使该产品得以面世,体现了技术发展对设计产生重要影响
【答案】C
17.从人机关系及设计分析与评价的角度分析,以下关于该产品的说法中不恰当的是
A.内置大功率加热片,水温上升快,实现了人机关系的高效目标
B.“童锁”按钮的设计,主要考虑了特殊人群
C.接口设计遵循标准化尺寸,兼容市面主流矿泉水瓶,符合设计的技术规范原则
D.不使用时可以组装成收纳状态,减小空间,主要考虑了“环境”的因素
【答案】A
18.下列三视图中符合投影关系的是


【答案】C
小明想设计一款如图a所示的金属手机支架,背板视图如图b所示。根据题图完成19- 21题。

19.底座上旋转分度盘既可以顺时针或逆时针转动,又能提供一定的卡紧力,下列构思方案中不合理的是

【答案】D
20.用厚1mm的铁板加工背板,下列加工操作合理的是
A.用钢锯下料,起锯时用左手扶住锯弓,防止钢锯滑移
B.背板的划线需要用到划规,划圆弧前可先在圆心处冲眼
C.弯折时将背板用平口钳夹持,用铁锤直接敲击成型
D.为了防止背板生锈,可以先喷涂油漆再进行淬火处理
【答案】B
21.下列关于背板的加工流程中最合理的是
A.划线 → 钻孔 → 锯割 → 弯折 → 锉削
B.划线 → 锯割 → 弯折 → 钻孔 → 锉削
C.划线 → 钻孔 → 锯割 → 锉削 → 弯折
D.划线 → 锯割 → 钻孔 → 锉削 → 弯折
【答案】C
22.如图所示的对称压紧机构,推杆与横杆为刚连接,在力F的作用下将工件压紧。当工件被压紧时,下列对各构件主要受力形式的分析中,正确的是

A.横杆受压、受弯曲
B.连杆1受拉
C.压杆受拉、受弯曲
D.机座立杆受拉
【答案】A
如图所示是氢燃料电池控制系统,分为供氢控制子系统和循环水温度控制子系统。供氢控制子系统的工作过程是:控制器根据设定的工作模式,控制电磁阀的开度,从而控制从储氢罐进入燃料电池的氢气流量。氢气进入燃料电池后和空气发生反应,驱动负载。循环水温度控制子系统的工作过程是:控制器将温度探头检测到的循环水温度和设定的水温比较,控制加热器的功率,从而将循环水的温度控制在设定的范围内。水泵用于驱动循环水以固定的流速在管道内流动。风机和换热器可以利用燃料电池反应产生的热量加热循环水。请根据题图和描述完成 23- 24 题。

23.下列关于氢燃料电池控制系统的分析中不正确的是
A.负载大小是影响系统优化的因素
B.手动阀堵塞会导致系统不能正常工作,体现了系统的整体性
C.设置风机和换热器可以降低加热器的功率,节约能源
D.选择电磁阀规格时,根据燃料电池的功率计算出需要的流量
【答案】A
24.下列关于循环水温度控制子系统,从控制系统角度进行的分析中恰当的是
A.该控制方式属于开环控制
B.被控对象是换热器
C.控制量是流过水泵的流速
D.加热器损坏属于干扰因素
【答案】D
25.如图a所示为一款水箱水位自动控制电路套件,图b为该套件电路原理图。小明准备在印刷电路板上制作该电路,下列说法中合理的是

A.手工锡焊形成焊点后,先移走烙铁,再移走焊锡
B.先焊接电阻、二极管,再焊接电解电容、继电器等
C.图b中的G1-G4对应的元器件为双4输入与非门集成电路
D.继电器参数“SRD-12VDC-SL-C”中的“12V”指继电器触点的开路电压
【答案】B
26.如图所示的双限水位报警电路,要实现:当水位高于高水位或者低于低水位时,VD发光报警,其余情况,VD都不发光。题图虚线框中应该补全的电路是


【答案】A
27.小明设计了如图所示的温度控制电路,温度低于下限时继电器吸合加热,温度高于上限时继电器释放停止加热。下列分析中正确的是

A.Rt是正温度系数热敏电阻
B.VD可以在继电器通电瞬间保护VT3
C.调大Rp3,温度上下限都调低
D.加热时,VT2、VT3都处于导通状态
【答案】D
二、非选择题(本大题共3小题,其中第28题8分,第29题10分,第30题8分,共26分。各小题中的“▲”处填写合适选项的字母编号)
28. 如图所示为小明网购的一款笔记本电脑木质支架,侧板与后横档之间采用榫卯连接。小明准备在此支架的基础上,增加一个电机驱动装置,实现支架倾斜角度的调节功能。请完成以下任务:

(1)以下关于该木质支架的设计中,主要从使用者角度考虑的是(单选)▲
A.采用榫卯连接 B.倾斜角度 C.侧板尺寸
(2)下列说法中,遵循系统分析综合性原则的是(单选)▲
A.先考虑电机的类型,再考虑角度倾斜功能的实现
B.通过试验、计算确定支架的倾斜角度
C.在实现倾斜角度的控制的同时兼顾结构的稳固性
(3)下列关于支架的结构设计中,可提高支架结构强度的是▲(多选,全选对得分):
A.将总体长度由24cm增加到28cm
B.在后横档榫头涂上胶水后再与侧板连接
C.抬高前端翘起高度
D.增加侧板的厚度
(4)设计该电机驱动装置时,不需要考虑的是(单选)▲。
A.笔记本电脑的厚度
B.电机的安装位置
C.装置的强度
【答案】(1)B(2)C(3)BD(4)A
29.请你帮助小明设计该装置的机械部分,实现28题中支架倾斜角度的调节功能。调节方式如图所示,设计要求如下:

(a)采用电机驱动,通过往复运动机构或者电机正反转来实现功能;
(b)支架倾斜角度能在0-30°范围内转动,并能保持在所调节的角度;
(c)装置的机械部分与支架的连接牢固可靠,并说明具体连接部分;
(d)可以适当加工支架,但不改变原支架的形状和尺寸。
请完成以下任务:
(1)请在头脑中构思符合设计要求的多个方案,并画出其中最优方案的设计草图,如有必要,简要说明方案的工作过程;
(2)在草图上标注主要尺寸;
(3)完成装置的设计与制作后进行技术试验,以下措施合理的是▲(单选)。
A.在电脑软件中绘制装置模型,并进行仿真试验;
B.运行电机,观察支架倾斜角度调节是否顺畅;
C.在支架上放置20kg重物,测试支架能否承受。
【答案】(1) 评分参考: 能实现支架倾斜角度调节 2 分
可以在角度方向上保持 2 分
明确装置与支架的连接及位置 2 分
(2)角度调节 30° 1 分
其他合理尺寸 1 分
(3)B
30.为了实现支架倾斜角度调节,小明设计了如图a所示的电机控制电路。按下启动键SW1并迅速松开,电机运转一段时间后停止,使支架调整一定角度θ。初始状态时电机停转。请完成以下任务:

(1)电路中与角度θ调节相关的电阻是 ▲(单选);
A.Rp1 B.Rp2 C.Rp3
(2)根据原理图搭接电路进行测试,下列描述中正确的是▲ (多选,全选对得分);
A.若J1-1虚焊,电路功能不发生改变
B.电机运转时,按下SW1并迅速松开,电机将马上停转
C.若VD1虚焊,按下SW1并迅速松开,电机将无法停转
D.电机停转后,马上按下SW1并迅速松开,电机不会运转
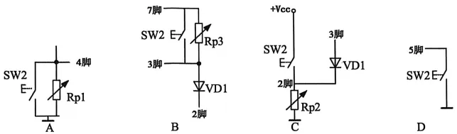
(3)小明准备在电路中增加一个停止键SW2,当电机运转时,按下SW2并迅速松开,电机停转。下列电路方案中可行的是 ▲(多选,全选对得分);

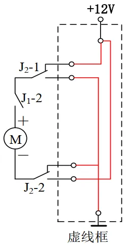
(4)小明调试后发现原电路只能控制电机单向转动,需要增加正反转切换功能,当拨动开关打向正转档,电机正转(电流从“+”到“-”);打向反转挡,电机反转(电流从“-”到“+”),请你完成虚线框处电路的连线。

【答案】(1)C(2)CD
(3)ABD
(4)


Q
怎么购买正版浙江通用技术易考通系列资料?
梁珂老师唯一淘宝店铺名:浙江通用技术选考
A
Q
请问易考通系列资料有哪些?
A
Q
为什么淘宝上易考通系列链接很多,价格也不一样?
易考通系列资料都是统一价格,淘宝上很多链接都是标高价格进行代卖赚取差价,请认准梁珂老师唯一店铺:浙江通用技术选考,掌柜名:usdfuv;以防购买盗版资料,影响学习。
A
Q
梁珂老师店铺二维码给一个?

A
Q
请问梁珂老师店铺网址?
A
