中考科学电磁继电器模块冲刺
电磁继电器在中考试题中是一个高频考点。其原理是利用电磁铁制作的一个自动开关,利用弱电流,低电压控制强电流,高电压的自动装置。
以下内容是结合近几年的中考试题做一简单解析,望能达到抛砖引玉的效果。
(2025浙江)
为实现路灯白天自动熄灭、夜晚自动亮起,小科用光敏电阻和电磁继电器等元件,设计了路灯自动控制电路(如图).

(1)电磁铁是电磁继电器中的重要部件,其工作原理主要是 (填字母): B
A.电磁感应
B.电流周围存在磁场
C.通电导体在磁场中受到力的作用
(2)要实现路灯自动控制功能,光敏电阻的阻值应随光照强度增加而 减小 (填"增大“或"减小").
【白天光照强度比较强,路灯应该是处于关闭状态,电磁铁应该把衔铁吸引才能实现这个,此刻控制电路的电流要比较大,那么光敏电阻的阻值就要比较小才能实现。所以要实现路灯自动控制功能,光敏电阻的阻值应随着光照强度的增强而减小。】
(3)测试时,闭合开关S,发现白天路灯未能自动熄灭。请写出一种改进措施:
适当减小保护电阻的阻值(增大控制电路的电压)
【白天路灯未能自动熄灭,说明电磁铁的磁性还不够强,不能自动切断电源。所以可以适当减小保护电阻的阻值或增大控制电路的电压或增加电磁铁的线圈匝数。来实现控制电路电流的增加,从而增大磁性,实现白天自动切断工作电路电流。】
(2023金华)
人员密集的室内场所,容易造成二氧化碳含量偏高,对人体产生不利的影响。研究小组设计了如图:AB所示的电路。R2为气敏R电阻,其阻值随CO2气体浓度的增大而减小,当室内CO2气体含量升高到一定浓度时,工作电路中的排风扇开始工作,把室内气体排出。回答下列问题:

(1)在设计电路时要实现自动换气功能,排风扇应连接在工作电路中的 AB 位置;
【当二氧化碳浓度增加,控制电路中气敏电阻的阻值会减小,控制电路中的电流会增大,从而增强电磁铁的磁性,电磁铁会把控制电路中的衔铁往下吸,使得工作电路AB连接到工作电路中,实现排气。】
(2)要使排风扇在二氧化碳浓度更低时就能开始工作,以下几种改进方法正确的是( AC )
A.增加电磁铁线圈匝数
B.控制电路中再串联一个电阻
C.把滑动变阻器R的滑片向上移
【二氧化碳浓度较低时,气敏电阻阻值较大,控制电路中电流较小,无法实现控制电路吸引衔铁。所以,可以通过增加电磁铁线圈匝数可以减少控制电路当中的保护电阻的阻值,也可以增大控制电路的电压来实现增大控制电路的电流,增大电磁铁磁性。】
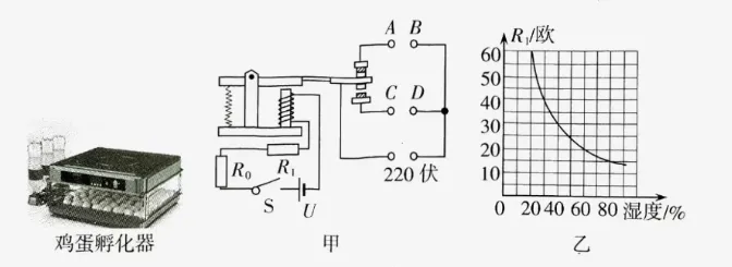
(2023绍兴)
如图为市场上在售的某款鸡蛋孵化器,鸡蛋的孵化需要适宜的湿度和温度。某项目化小组设计了一个自动控湿电路(图甲)。控制电路电源电压U为9伏,定值电阻R0的阻值为30欧,R为湿敏电阻,其阻值随湿度的变化情况如图乙所示。当线圈中的电流为0.18安时,衔铁被吸合;当线圈中的电流为0.15安时,衔铁释放。(线圈电阻不计)

(1)由图乙可知,湿敏电阻的阻值随湿度增大而减少(选填“增大”“不变”或“减小”)。
【根据图像信息判断变阻器随外界因素变化而变化的规律】
(2)按控湿电路的工作要求,加湿器应接在工作电路的AB(选填“AB”或“CD”)之间。
【电磁继电器的工作原理:当外界湿度减小时湿敏电阻的阻值增大,电磁继电器的电流将会减小,电磁性减弱,衔铁被弹开,工作电路AB段工作即加湿器工作】
(3)通过计算说明该控湿电路的湿度变化范围。
当I=0.18A时
R0+R1=9V/0.18A=50Ω
R1=50Ω—30Ω=20Ω
湿度为60%
当I=0.15A时
R0+R1=9V/0.15A=60Ω
R1=60Ω—30Ω=30Ω
湿度为40%
所以湿度范围:40%—60%
(4)如果要适当提高控湿电路的最大湿度值,下列措施中可行的有AC
A.换用阻值更大的R0
B.适当提高电源电压U
C.减少该电磁铁线圈匝数
如图所示是小宁设计的水位自动控制电路,其中工作。电路由指示灯L、电动机M等元件组成,由家庭电路供电;控制电路中,金属板A、B置于水箱中不同位置,水箱中的天然水是导体。

(1)我国家庭电路电压为 220 V.
(2)当水箱内水面处于金属板A以下时,工作电路中的 电动机 处于工作状态.
【当水箱内水面处于金属板A以下时,电磁继电器不工作,衔铁被往上弹,工作电路中电动机的电路被接通。】
(3)测试时,小宁发现由于电磁铁磁性太弱,电磁继电器无法正常工作。适当 增加 (填"增加”或"减少")电磁铁的线圈匝数,可以解决上述问题。
【控制电路的电流太小,磁性太弱,电磁继电器无法正常工作。可以增加电磁铁线圈匝数,增大控制电路的电压,减小保护电阻的阻值。】