
本题是2013年(经典永流传)北京理综的21题,今天重点研究第5小问,内容如下:
(18 分)某同学通过实验测定一个阻值约为 的电阻 的阻值。
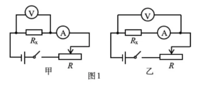
(1) 现有电源(4V,内阻可不计)、滑动变阻器(,额定电流 2A),开关和导线若干,以及下列电表:
电流表(,内阻约 )
电流表(,内阻约 )
电压表(,内阻约 )
电压表(,内阻约 )
(2) 图2是测量 的实验器材实物图,图中已连接了部分导线。请根据在(1)问中所选的电路图,补充完成图2中实物间的连线。

(3) 接通开关,改变滑动变阻器滑片 的位置,并记录对应的电流表示数 、电压表示数 。某次电表示数如图3所示,可得该电阻的测量值 (保留两位有效数字)。
(4) 若在(1)问中选用甲电路,产生误差的主要原因是 ;若在(1)问中选用乙电路,产生误差的主要原因是 。(选填选项前的字母)
A. 电流表测量值小于流经 的电流值B. 电流表测量值大于流经 的电流值C. 电压表测量值小于 两端的电压值D. 电压表测量值大于 两端的电压值
(5) 在不损坏电表的前提下,将滑动变阻器滑片 从一端滑向另一端,随滑片 移动距离 的增加,被测电阻 两端的电压 也随之增加,下列反映 关系的示意图中正确的是 。

如果你对限流接法的滑动变阻器的选择做到了重点复习掌握,本题是手到擒来。
为何这样说,开始今天我们的主题:
滑动变阻器限流接法,阻值到底该怎么选?
实验做不好,往往是“滑动变阻器”没选对
在高中物理电学实验中,滑动变阻器几乎是“出场率最高”的元件之一。不管是测电阻、测电源电动势和内阻,还是描绘小灯泡的伏安特性曲线,都离不开它。
然而,很多同学在实验题中频频失分,一个常见原因就是:搞不清限流接法下滑动变阻器的阻值选择要求。
今天,我们就专门把“限流接法”拎出来,把这个问题彻底讲清楚。
一、先搞清楚:什么是限流接法?
滑动变阻器在电路中有两种基本接法:限流式和分压式。
限流接法:滑动变阻器与待测电阻串联,通过改变接入电路的阻值来改变电路中的总电阻,从而限制并调节通过待测电阻的电流。

它的典型电路如下图所示:
电源正极 → 滑动变阻器(一上一下) → 待测电阻 → 电流表 → 电源负极,电压表并联在 两端。

特点:
电流从最小值到最大值之间连续可调 但无法从0开始(最小值是)

电路简单,省电
实物连接,一上一下


二、核心问题:对滑动变阻器最大阻值有什么要求?
这是考试和实验设计中最关键的问题。
结论先行:
滑动变阻器的最大阻值 应与待测电阻 的阻值相近,或者比 稍大一些。
更精确地说:在 2~5 倍范围内,调节效果最好。
三、为什么不能太大?
假设 较大(比如 =10 甚至更大),会出现什么问题?
现象:
滑动变阻器滑片在大部分行程中,电路总电阻变化很大,但电流变化很小

只有当滑片移动到靠近最小阻值端(阻值很小的一段)时,电流才急剧增大

结果是:调节不均匀,前段几乎无效,后段过于敏感
定量分析:
电路电流
当 从(图中左端) 降到 0 时:
在 较大的一段(左侧)(比如从 降到 ,电流变化很小

在 之后,电流才开始明显上升

结论:可调范围被压缩在一个很小的滑片区间内,实验操作困难。
四、为什么不能太小?
若 (比如只有 的 1/5),问题同样存在:
现象:
即使滑动变阻器调到最大阻值,电路总电阻仍然不够大 最小电流 =不够小,接近最大电流 =

电流调节范围非常窄
结论:
限流作用不明显,失去了“限流调节”的意义。好比你想把水龙头水流调小,但阀门只能关掉一小部分。
五、“刚刚好”是什么感觉?
当 与 相近(比如 时):
滑片从一端滑到另一端,电流均匀、连续变化

最小电流与最大电流有适当差距(通常 在 1/3 到 1/6 左右) 实验中容易找到合适的电流或电压点
举例:若 ,取 ,则:
调节范围覆盖 3 倍电流变化,非常合适。

取各值电压随滑片位置变化对比:







从图中可以:
看出限流电路中滑动变阻器阻值越小,电压变化范围越小,如果变阻器取值太小,调节功能几乎消失;
如果滑动变阻器阻值太大,虽然增加了电压变化范围,但电压随移动距离的变化不平滑,调节极不方便。
因此对限流电路而言,变阻器太大或太小均不可取,应针对不同情境具体分析。
分析到这里,咱们开篇的真题第5问的图像题,答案是不是就呼之欲出了。你做对了吗?
六、容易混淆:对比分压接法
为了更深刻地理解限流接法的阻值要求,不妨与分压接法对比一下:
| 限流式 | ||
| 分压式 |
注意:很多同学会记反,因为直觉上觉得“分压需要大电阻才能分更多电压”——这是错误的。分压接法中,滑动变阻器阻值越小,调节线性度越好。(详见上篇文章)
七、特殊情况与常见考题陷阱
1. 题目给出“可选滑动变阻器”,怎么选?
步骤:
先估算或读出待测电阻 寻找规格中 与 最接近(或略大)的选项 不要盲目选最大阻值最大的变阻器
2. 题目说“电流调节范围尽量大”
此时优先考虑限流接法,但前提是 不能远小于 。
3. 题目说“电压从 0 开始调节”
这时必须用分压接法,不再适用限流的阻值选择逻辑。
4. 注意电源电动势和电流表量程
即使阻值关系合适,也要校核:
最小电流是否小于电流表量程 最大电流是否超过电流表或 ( R_x ) 的额定值
八、一道典型例题(帮助理解)
某实验小组要测量一个约 的电阻 。现有两个滑动变阻器:
甲: 乙: 若采用限流接法,应选哪一个?为什么?
解析:
甲: → 偏小,调节范围窄 乙: → 偏大,调节不均匀 二者都不完美,但选乙(因为题目往往要求“能调节”,且乙可以通过适当操作勉强使用;若另有 或 则更佳)
在实际实验中,教师通常会建议选用 左右的变阻器。
九、记忆口诀(方便考前复习)
限流接法要记牢,阻值相近或稍高。太大调节不均匀,太小范围窄又糟。
十、总结
掌握好这一原则,限流接法的滑动变阻器选择题,再也不会丢分。
最后留一道思考题(欢迎留言讨论):如果待测电阻 约为,电源电压 6V,电流表量程 0.6A,你会在以下变阻器中选哪一个:A. B. C. ?
下期研究点啥内容,评论区留言!
如果你觉得这篇文章有帮助,欢迎点赞、在看、转发给更多需要的同学。

全部模型,联系作者(微信):lantianwuli


#AI赋能教学#高中物理#虚拟仿真实验#信息技术融合#智慧课堂#AI+教育 #人工智能赋能教学#信息技术与物理融合#智慧课堂#数字化实验室
