中考历史思维导图与核心知识点拨
中国古代史概述
中国古代史始于中国境内早期人类活动,止于1840年鸦片战争, 重点叙述5000多年中华文明的演进,以及统一多民族国家的起源、建立、巩固和发展的历程。
中国古代史版块
专题01史前时期:中国境内早期人类与文明的起源

(1)政治:中国进入原始社会,并逐渐形成了部落联盟
(2)经济:原始农业出现并不断的发展,原始农耕文化产生,成为向文明过渡的里程碑。
三大远古人类 | 元谋人、北京人、山顶洞人 |
两大原始农耕居民 | 半坡原始居民、河姆渡原始居民 |
人文始(初)祖 | 炎帝、黄帝 |
一种制度 | 禅让制 |
专题02夏商周时期:早期国家和社会变革

本阶段时间界限为约公元前2070年——公元前221年,主要包括四部分内容:夏商周的更替、青铜器与甲骨文、动荡的春秋时期、战国时期的社会变化和百家争鸣。
政治上:夏朝的建立,标志着中国早期国家的诞生。随着王朝的兴衰更替,依次经历了夏、商、西周、东周(春秋战国)时期,同时也引起了政治制度的变革,相继形成了王位世袭制、分封制、宗法制、礼乐制等一系列制度。
经济上:随着社会生产力的变革,推动了社会经济的巨变。早期国家以奴隶制经济(井田制)为主,但在春秋末期,随着铁犁牛耕的出现,促进了土地私有制的产生,推动着井田制的逐步瓦解。
军事上:社会动荡导致了大量战争,最为频繁集中于春秋战国时期,发生了许多著名的战争:长平之战、马陵之战、桂陵之战等,战争兼并了许多小国家。
文化上:商周时期以青铜器和甲骨文文明为主,到春秋战国时期,为解决社会问题,儒、道、法、墨等诸子百家相继提出了自己的理论,推动形成了中国古代第一次思想文化的高峰。
一种文字 | 甲骨文。 |
一次改革 | 商鞅变法。 |
两大制度 | 世袭制和分封制。 |
三大朝代 | 夏、商、周。 |
四大学派 | 儒家、道家、法家、墨家。 |
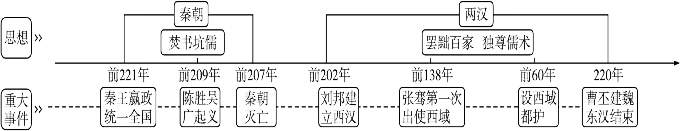
专题03秦汉时期:统一多民族国家的建立和巩固

本阶段时间界限为公元前221年秦朝建立至184年黄巾起义,主要包括:
秦朝、西汉与东汉的建立、秦汉统一措施与灭亡;两汉的科技与文化。
政治上:公元前221年秦始皇建立秦朝,结束了长期混乱的局面,建立起我国历史上第一个统一的多民族封建国家,在中央建立皇帝制度和三公九卿制,在地方实行郡县制。汉承秦制,设立刺史制度,监督地方高官,汉武帝颁行“推恩令”加强中央集权,东汉时期外戚宦官交替专权。
经济上:秦朝从统一货币和度量衡入手,利于促进经济发展。汉初采取“休养生息”政策,统一货币为五铢钱,实行盐铁专卖、平抑物价等措施,缓解了秦末以来经济凋敝现象。
思想文化上:秦朝的统一便利了文化的交流,但严刑峻法、焚书坑儒等措施阻碍了文化的发展。汉武帝提出“罢黜百家、独尊儒术”使儒学居于主导地位,影响深远。两汉时期社会经济的繁荣促进了科技文化的快速发展。
一条主线 | 统一多民族国家的建立和巩固。 |
两大人物 | 秦始皇和汉武帝。 |
三大成就 | 秦统一六国、汉武帝大一统、张骞通西域。 |
四大措施 | 郡县制;统一文字、度量衡与货币;“推恩令”;“罢黜百家,独尊儒术”。 |
专题04三国两晋南北朝时期: 政权分立与民族交融

继两汉之后,中国历史进入一个大分裂时期,期间也有过短暂的统一,也就是三国两晋南北朝时期(历史时期:三国、西晋、东晋、南北朝)。
1.分裂中的统一因素:魏晋南北朝时期,各民族之间的交融;南方经济的发展;科技文化的进步等都为统一局面的出现奠定了基础。
2、历史阶段特征:政权分立、民族交融。(分裂是这一时期的一大特点;民族融合成为这一历史时期的另一特征)
这一时期,我国封建社会由统一走向分裂,在分裂中孕育着统一的元素。统一是历史的主流。
一次改革 | 北魏孝文帝改革。 |
两条线索 | 政权分立和民族融合。 |
三个政权 | 魏、蜀、吴。 |
三大战役 | 官渡之战、赤壁之战、淝水之战。 |
四大人物 | 曹操、刘备、孙权、北魏孝文帝。 |
专题05隋唐时期: 繁荣与开放的时代

从581年隋朝建立到907年唐朝灭亡,这一段历史是我国封建社会的繁荣发展时期,也是我国历史上著名的隋唐盛世。
政治:国家统一、中央集权完善、政治清明
经 济:高度繁荣
民族关系:民族政策开明平等、民族关系融洽
对外关系:对外开放、交流频繁
科技文化:科技进步、文化辉煌
隋唐时期时代特点:繁荣与开放的时代
隋唐时期总体特点:封建社会的鼎盛时期
阶段特征 | 繁荣与开放。 |
制度创新 | 科举制、三省六部制。 |
繁荣的社会 | 贞观之治、开元盛世。 |
开放的社会 | 遣唐使、玄奘西行、鉴真东渡、国际化都市长安。 |
民族关系 | 文成公主入藏。 |
专题06辽宋夏金元时期:民族关系发展和社会变化

阶段特征:辽、宋、夏、金、元时期我国历史发展的基本特征是民族政权并立,民族交融的进一步加强和封建经济的继续发展。这一时期,民族融合进一步加强,江南经济发展起来,赶上并超过北方。
(1)政治:①从民族政权并立(辽、北宋、南宋、西夏、金)走向国家统一(元)。②专制主义中央集权制度进一步发展(重文轻武政策、行省制度)
(2)经济:①南宋时经济重心南移完成。②商业活动突破坊市界限。③“交子”的使用,标志着商品货币经济发展到空前水平
(3)民族关系:民族政权并立,是我国古代民族交融的高潮时期
(4)科技:科技发展出现高峰,处于世界领先地位
阶段特征 | 民族政权并立,经济重心南移,社会经济高度发展。 |
制度创新 | 行省制。 |
经济重心 | 唐朝中期开始南移,至南宋完成。 |
民族关系 | 民族政权间时战时和,以和为主。 |
海外贸易 | 宋代海外贸易兴盛,设立市舶司管理海外贸易。 |
专题07明清时期:统一多民族国家的巩固与发展

明清(鸦片战争以前)时期特征:封建社会的衰落时期(统一多民族国家的发展巩固和社会的危机)
(1)政治:①统一多民族国家得到进一步巩固和发展。②君主专制制度进一步强化
(2)经济:①封建经济继续发展。②重农抑商和闭关锁国政策严重阻碍了资本主义萌芽的发展
(3)思想文化:八股取士和文字狱严重阻碍了思想、学术的发展和进步
(4)民族关系:加强对边疆地区的管辖,维护国家统一
(5)对外关系:①由开放逐渐走向闭关自守。②中国人民开始了反殖民、反侵略斗争
一条主线 | 统一多民族国家的巩固与发展。 |
两大危机 | “闭关锁国”政策导致中国的落后和闭塞;出现了一系列侵略中国的战争,如荷兰入侵台湾。 |
君主集权机构 | 锦衣卫、东厂、军机处等。 |
边疆行政机构 | 台湾府、伊犁将军、驻藏大臣等。 |
中国近代史概述
中国近代史始于1840年鸦片战争,止于1949年中华人民共和国成立,重点叙述列强侵略中国,中国逐渐成为半殖民地半封建社会;中华民族对外反抗列强侵略,对内反对封建专制统治,最终由中国共产党团结带领全国各族人民实现了民族独立、人民解放,夺取了新民主主义革命的伟大胜利。
中国近代史版块
专题08中国开始沦为半殖民地半封建社会

1、阶段特征:开始沦为半殖民地半封建社会
2、主要表现:
(1)社会性质(政治):中国开始沦为半殖民地半封建社会;农民的反抗斗争不断发生。
(2)社会经济:自然经济开始解体;
(3)社会矛盾:外国侵略势力与中华民族的矛盾上升为主要矛盾;
(4)外交:闭关锁国状态被打破,中国开始妥协退让的屈辱外交。
3、中外联系:19世纪中期,完成了工业革命的西方列强为了开拓海外市场和掠夺生产资料,把侵略扩张的矛头指向幅员辽阔的中国,用武力打开中国国门,中国闭关锁国的状态被打破,被迫卷入资本主义世界市场。
4、关键词:
一条主线 | 中国开始沦为半殖民地半封建社会 |
两大主题 | 中国近代史上的侵略战争与中国人民的抗争。 |
三大条约 | 《南京条约》《天津条约》《北京条约》 |
四大事件 | 虎门销烟、鸦片战争、第二次鸦片战争、太平天国运动 |
专题09近代化的早期探索与民族危机的加剧

1、阶段特征:近代化的早期探索与民族危机的加剧
2、主要表现:
(1)政治方面:中国完全陷入半殖民地半封建社会的深渊;面对内忧外患,地主阶级和资产阶级维新派先后发起救亡图存的探索,从学习西方的器物(洋务运动)到学习西方的制度(戊戌变法)。
(2)经济方面:洋务派迈出经济近代化的第一步;中国民族资本主义产生和发展;列强对中国的侵略方式从商品输出变为资本输出为主。
(3)思想文化方面:戊戌变法在思想文化方面产生广泛而持久的影响;中国教育近代化起步;新闻出版业兴起并得到发展
3、中外联系:日本通过明治维新强大起来后,发动了甲午中日战争,使中国的民族危机大大加深,引发了中国的维新变法运动。第二次工业革命使西方主要资本主义国家进入帝国主义阶段,列强掀起瓜分中国的狂潮。
4、关键词:
两大主题 | 近代化的早期探索与民族危机的加剧 |
两个阶段 | 经济近代化探索、制度近代化探索 |
两大条约 | 《马关条约》《辛丑条约》 |
六大事件 | 洋务运动、甲午中日战争、瓜分中国狂潮、戊戌变法、义和团运动、八国联军侵华战争 |
专题10资产阶级民主革命与中华民国的建立

1、阶段特征:资产阶级民主革命与中华民国的建立
2、主要表现:
(5)革命纲领:三民主义;
(6)革命政党:同盟会;
(7)革命成果:创建中华民国和颁布《中华民国临时约法》
3、中外联系:辛亥革命受到西方资产阶级革命影响,主张建立资产阶级民主共和国;第一次世界大战期间,西方列强忙于欧洲战事,中国民族工业发展迅速。
4、关键词:
一条主线 | 资产阶级民主革命。 |
两个政府 | 南京临时政府和北洋政府。 |
两个团体 | 兴中会和中国同盟会。 |
七次革命行动 | 萍浏醴起义、安庆起义、广西起义、黄花岗起义、武昌起义、二次革命、护国运动。 |
专题11新民主主义革命的开始

1、阶段特征:新民主主义革命的开始
2、主要表现:
(8)思想解放运动:新文化运动;五四运动;
(9)新的政党:中国共产党;
(10)新的奋斗目标:推翻资产阶级政权,建立无产阶级政权,实现共产主义。
3、中外联系:俄国十月革命的胜利为中国送来了马克思主义,马克思主义的传播,促进了五四运动的爆发;巴黎和会上中国外交的失败,引发了国内的五四运动,为中国共产党的诞生奠定了思想基础。
4、关键词:
一条主线 | 新民主主义革命的开端 |
两大任务 | 反帝反封建 |
两个阶段 | 旧民主主义革命时期和新民主主义革命时期 |
三大事件 | 新文化运动、五四运动、中国共产党诞生 |
专题12从国共合作到国共对立

1、阶段特征:国共合作到国共对立
2、主要表现:
(1)合作事件:建立黄埔军校、进行北伐战争
(2)对立事件:南昌起义、秋收起义、红军长征
3、中外联系:中国借鉴俄国革命经验,以城市为中心开展武装斗争,失败后将革命重心转向农村;资本主义世界经济大危机期间,日本加紧侵华,发动局部侵华战争。
4、专题线索:
一条主线 | 国共两党关系从合作到对峙。 |
两大革命 | 国民革命、土地革命。 |
两个政府 | 南京国民政府、中华苏维埃共和国临时中央政府。 |
五次会议 | 中共三大、国民党一大、八七会议、古田会议、遵义会议。 |
五大事件 | 北伐战争、南昌起义、秋收起义、井冈山会师、红军长征。 |
专题13中华民族的抗日战争

1、政治:日本侵略加剧,国共两党合作领导全民族抗战,最终取得了近代以来第一次反侵略战争的彻底胜利;
2.经济:长期的战乱和日本侵略,使国民经济濒临崩溃;
3.思想:毛泽东思想逐步走向成熟,并被确立为党的指导思想;
4.中外联系:经济大危机波及日本,日本为转嫁危机,发动了侵略中国的九一八事变;中国战场是世界反法西斯战争的东方主战场。中国的抗日战争是世界反法西斯战争的主要组成部分。
5、专题线索:
一条主线 | 中华民族的抗日战争。 |
一次会议 | 中共七大。 |
两大战场 | 国民党正面战场、共产党敌后战场。 |
两个阶段 | 局部抗战和全面抗战。 |
三次胜利 | 平型关大捷、台儿庄战役、百团大战。 |
五次事变 | 九一八事变、西安事变、七七事变、八一三事变、皖南事变。 |
专题14人民解放战争

1、政治:抗战胜利后,内战爆发,国共两党的关系由合作走向对立,中国共产党领导人民取得了战争的胜利;
2.经济:国民党的反动统治,使得国民经济濒临崩溃;
3.中外联系:美国为了称霸世界,推行冷战政策,支持蒋介石打内战,中国陷入国共内战的混乱局面。
4、专题线索:
一次谈判 | 重庆谈判 |
三个阶段 | 战略防御、战略进攻、战略决战 |
四次战役 | 辽沈战役、淮海战役、平津战役、渡江战役 |
专题15 近代经济、社会生活与教育文化事业的发展

1、阶段特征:近代经济、社会生活与教育文化事业的发展
2、主要表现:
(1)近代中国人创办的第一个也是规模最大的文化出版机构:商务印书馆
(2)中国自己拍摄的第一部无声电影:《定军山》
(3)中国第一部有声电影:《歌女红牡丹》
3.经济:中国的民族资本主义产生,民族工业在恶劣的生存环境中艰难成长;
4.社会生活:西方的文化和器物大量涌入,深刻改变了中国人的生产方式和生活方式;
5.专题线索:
两条主线 | 近代民族资本主义的曲折发展、近代社会生活与教育文化。 |
两种经济形式 | 民族资本主义经济、自然经济。 |
四大变化 | 交通通信、饮食服饰、传媒娱乐、风俗习惯。 |
中国现代史概述
中国现代史是指1949年10月中华人民共和国成立以后的历史,叙述全国各族人民在中国共产党领导下,进行社会主义革命、建立社会主义制度、推进社会主义建设、进行改革开放、走中国特色社会主义道路、建设社会主义现代化国家、开创中国特色社会主义新时代的历程,展现了中华民族从站起来、富起来到强起来的伟大飞跃。
中国现代史版块
专题16 中华人民共和国的成立和巩固

1、阶段特征:中华人民共和国的成立和巩固
2、表现:
1).政治上:中华人民共和国成立后,中国由新民主主义社会向社会主义社会过渡;西藏和平解放,使祖国大陆获得统一,各族人民实现了大团结。
2).经济上:在新解放区进行土地改革,使农业生产获得迅速恢复和发展,为国家的工业化建设准备了条件。
3).军事上:进行抗美援朝战争并取得胜利,大大提高了我国的国际地位。
4).中外联系:新中国的成立,壮大了世界和平民主和社会主义的力量;中华人民共和国成立后,加入社会主义阵营,以美国为首的西方国家对新中国进行封锁和威胁。
5)、关键词:
一条主线 | 中华人民共和国成立和政权巩固。 |
两大任务 | 恢复国民经济、巩固新生政权。 |
四大事件 | 中华人民共和国的成立、西藏和平解放、抗美援朝战争、土地改革。 |
专题17 社会主义制度的建立与社会主义建设的探索

1、阶段特征:社会主义制度的建立与社会主义建设的探索
2、表现:
(1).政治:三大改造基本完成,标志着我国进入社会主义初级阶段;人民代表大会制度在我国确立;“文化大革命”给党、国家和各族人民带来新中国成立后最严重的挫折。
(2).经济:一方面,第一个五年计划绝大部分指标大幅度超额完成,取得了巨大成就,为经济发展打下良好基础;另一方面,由于缺乏经验,在探索社会主义建设道路的过程中也出现了严重失误,如“大跃进”、人民公社化运动,它们给社会主义建设造成了巨大的损失。
(3).科技文化:在思想文化、国防科技、教育方面取得了重大成就,但在“文化大革命”时期,教育发展出现停滞和倒退的现象。
3、中外联系:中国借鉴苏联模式,实施第一个五年计划,优先发展重工业,第一个五年计划各项指标大幅度超额完成;美国等西方国家对中国进行经济封锁和军事威胁。
4、关键词:
一条线索 | 社会主义建设在探索中前进。 |
一个良好开端 | 中共八大的召开。 |
四大成就 | 一五计划、三大改造、1954年《中华人民共和国宪法》、两弹一星 |
三大失误 | “大跃进”运动、人民公社化运动、“文化大革命”。 |
四大模范人物 | 王进喜、邓稼先、焦裕禄、雷锋。 |
专题18中国特色社会主义道路

1、阶段特征:中国特色社会主义
2、主要表现:
(11)政治:开辟了中国特色社会主义道路;确立了中国特色社会主义知道;全面推进依法治国。
(12)经济:开始对内改革(家庭联产承包责任制、城市经济体制改革)、对外开放(经济特区、沿海开放城市、沿海经济开放区、加入世界贸易组织),逐步建立起社会主义市场经济体制;
(13)思想:形成了中国特色社会主义理论体系;
3、中外联系:中国实现对外开放政策,加强于世界的经济联系;通过改革开放,中国综合国力显著增强,中国的和平崛起促进了世界多极化趋势的发展。
4、关键词:
一条主线 | 中国人民是如何建设中国特色社会主义的。 |
一个转折 | 十一届三中全会的召开。 |
两大途径 | 对内改革(家庭联产承包责任制、国有企业改革)、对外开放。 |
四个全面 | 全面建成小康社会、全面深化改革、全面依法治国、全面从严治党。 |
五大理念 | 创新、协调、绿色、开放、共享的发展理念。 |
专题19民族团结与祖国统一

1、阶段特征:民族团结与祖国统一
2、主要表现:
(1)政治:民族区域自治制度的确立,各民族和睦相处,和谐发展实现了民族大团结;“一国两制”伟大构想提出;在“和平统一、一国两制”方针的指导下,港澳回归,海峡两岸关系不断改善。
(2)经济:民族区域自治制度的实施,促进了民族地区经济建设快速发展;
3、中外联系:邓小平提出“一国两制”构想,为解决国际争端和国家历史遗留问题提供了新的思路,为维护世界和地区和平作出了贡献。
4、关键词:
一个基本方针 | “和平统一,一国两制”。 |
一项基本政治制度 | 民族区域自治制度。 |
三大成就 | 香港回归、澳门回归、海峡两岸关系蓬勃发展。 |
专题20国防建设与外交成就

1、阶段特征:国防建设、外交成就
2、主要表现:
(1)国防:新中国成立以来,我国国防和军队建设发展迅速,筑起了保卫祖国的钢铁长城。
(2)外交:中国坚持独立自主的和平外交方针,积极开展外交工作,在国际事务中发挥着越来越大的作用,为维护世界和平和促进共同发展作出了巨大贡献。
3、中外联系:1955年周恩来在万隆会议上提出“求同存异”方针,促进了会议的圆满成功;1971年在广大亚非拉国家的支持下,中国恢复在联合国的合法席位。
4、关键词:
两个领域 | 国防、外交。 |
两大会议 | 万隆会议、亚太经合组织会议。 |
三大军事力量 | 人民海军、人民空军、导弹部队。 |
六大外交成就 | 和平共处五项原则、提出“求同存异”方针、中国恢复在联合国的合法席位、中美关系的改善和中美建交、中日建交。 |
专题21科技文化与社会生活

1、阶段特征:科技文化与社会生活
2、主要表现:
(1)科技文化:中华人民共和国成立以来,科学技术研究取得了举世瞩目的重大成就;文化事业不断发展,极大了丰富了人们的文化生活。
(2)社会生活:随着经济建设的发展,中国人民的生活水平不断提高;衣食住行用等社会生活各个方面的变迁,见证;俄时代的进步。
3、关键词:
一个方针 | “双百”方针(“百花齐放”“百家争鸣”)。 |
三大科技成就 | “两弹一星”、飞天之旅、籼型杂交水稻。 |
五位人物 | 邓稼先、钱学森、袁隆平、屠呦呦、莫言。 |
世界古代史概述
世界古代史从早期人类的出现到15世纪,展现古代文明的产生、发展与多元面貌。其间大体经历了原始社会、奴隶社会和封建社会,但有一些民族、国家未经过奴隶社会、封建社会的连续发展过程。
总体发展特征:奴隶社会→封建社会
两大阶段:上古时期、中古时期
两大文明:大河文明(四大文明古国)、海洋文明(古希腊文明与古罗马文明)
两种文明交流方式:暴力冲突(战争)、和平交流
三大宗教:佛教、基督教、伊斯兰教
四大帝国:压力山大帝国、罗马帝国、拜占庭帝国、阿拉伯帝国
.世界古代史版块:
专题22 古代亚洲、欧洲文明

1、阶段特征:大河文明、农耕文明、海洋文明、工商业文明
(1)政治:尼罗河流域的古埃及、两河流域的古巴比伦、印度河流域的古代印度先后步入文明时代,进入奴隶社会。古希腊开创了西方民主政治的先河;罗马创造了辉煌的法制文明。
(2)经济:亚非古代文明典型的大河文明,依靠河流灌溉,农耕经济发达;欧洲古代文明典型的海洋文明,工商业发达。
(3)文化:古埃及的象形文字与金字塔,两河流域的《汉谟拉比法典》,古印度的佛教;古希腊、罗马在文化上取得了辉煌的成就(文学、雕塑、建筑等)。
(4)对外交流:亚历山大东征、罗马帝国的征服与扩张给人类带来了灾难的同时也促进了人类文明的交流。
2.中外联系:诞生于古印度的佛教、在张骞通西域后,通过丝绸之路传入中国,丰富了中国文化,佛教艺术对中国古代雕塑产生了深远的影响,如云冈石窟等都吸收了外来佛教造型艺术的特点。陆上丝绸之路在公元前2世纪成为东西方经济文化交流的桥梁,罗马帝国与汉朝通过丝绸之路建立了经济文化联系。
3、关键词:
一大宗教 | 佛教。 |
一部作品 | 《荷马史诗》。 |
一种制度 | 雅典民主政治。 |
两大文明 | 古希腊文明、古罗马文明。 |
两大帝国 | 亚历山大帝国、罗马帝国。 |
两大建筑 | 雅典帕特农神庙、罗马大竞技场。 |
四大人物 | 伯里克利、亚历山大、凯撒、屋大维。 |
五大成果 | 金字塔、象形文字、《汉谟拉比法典》、楔形文字、阿拉伯数字。 |
六大古国 | 古埃及、古巴比伦、古印度、中国、古代希腊、古代罗马 |
专题23 封建时代的欧洲、亚洲

1、阶段特征:封君封臣制、庄园经济、大学兴起、大化改新、阿拉伯文化
(1)政治:西欧封建制度普遍确立(法兰克王国封君封臣制),早期资产阶级诞生(西欧中世纪城市的兴起和自治城市的出现),法治建设取得丰硕成果。大化改新使日本发展成为一个中央集权制的封建国家,阿拉伯半岛在穆罕默德的统治下实现了统一。
(2)经济:自给自足的庄园经济盛行一时;10世纪开始,西欧城市重新兴起。
(3)思想文化:中世纪大学的兴起促进了学术发展和新思想的萌发;拜占庭帝国创造出独居特色的拜占庭文化,为后来的文艺复兴运动提供了丰富的精神营养。7世纪初,穆罕默德在阿拉伯半岛创立了伊斯兰教;阿拉伯数字是阿拉伯人对世界文化的独特贡献。
2.中外联系:意大利旅行家马可波罗沿陆上丝绸之路来华;中国的印刷术、指南针、火药等科技发明传播到欧洲,促进了欧洲社会转型。唐朝时期。日本派遣遣唐使学习唐朝先进的制度传回日本,推动了日本的大化改新;鉴真东渡,为中日文化交流做出了卓越贡献;玄奘西行天竺带回大量佛经,促进了中外文化交流;阿拉伯人将中国的造纸术、指南针、火药等重大发明传到欧洲。
3、关键词:
一大宗教 | 基督教。 |
一种制度 | 西欧封建等级制度。 |
一次改革 | 日本大化改新。 |
一大宗教 | 伊斯兰教。 |
一大帝国 | 阿拉伯帝国。 |
两部法律 | 《查士丁尼法典》《罗马民法大全》。 |
两大帝国 | 查理曼帝国、拜占庭帝国(东罗马帝国)。 |
三大兴起 | 庄园经济兴起、城市兴起、大学兴起。 |
三大文化成就 | 阿拉伯数字的传播、《医学集成》和《医典》、《天方夜谭》。 |
世界近代史概述
世界近代史的起讫时间大约从16世纪初至19世纪末,重点展现资本主义的产生、发展与全球扩张,社会主义从空想到科学的发展,以及殖民地半殖民地人民争取民族解放的斗争历程。在这一历史阶段中,世界各地区前资本主义文明的相对孤立和相互隔绝状态,被日益发展的资本主义世界市场和血腥的殖民扩张打破,人类逐渐步入相互联系、相互依赖的阶段,进而产生了真正意义上的世界历史。
西欧从中世纪向近代化过渡的表现:
(1)经济上:资本主义萌芽出现;
(2)政治上:资产阶级和新贵族出现;封建君主要加强王权,反对教权,天主教会受到挑战。
(3)思想上:文艺复兴运动冲击天主教会的统治。
.世界近代史版块:
专题24走向近代

1、阶段特征:思想经济近代化
(1)思想文化:文艺复兴极大地促进了人们思想解放运动。
(2)经济:手工工场和租地农场的出现。促进了西欧经济和社会发展;新航路开辟和殖民扩张,打破了世界各地区相对隔绝的状态,世界市场开始形成。
(3)对外交往:新航路开辟和殖民掠夺。打破了世界各地区相对隔绝的状态。
2.中外联系:新航路开辟后,欧洲国家开始早期殖民扩张,葡萄牙殖民者攫取在澳门居住权,荷兰殖民者侵占台湾,后来郑成功打败荷兰殖民者,收复台湾;新航路开辟后,世界各地与美洲联系加强,明代引进了原产于美洲的玉米、甘薯、马铃薯等物种。
3、关键词:
一条主线 | 资本主义的产生、发展及巩固。 |
两大问题 | 殖民侵略与反殖民斗争(民族解放运动);资产阶级压迫与无产阶级革命(国际工人运动)。 |
三大时期 | 早期资产阶级革命时期、自由资本主义时期、垄断资本主义时期。 |
格局趋势 | 逐步形成西方先进、东方落后,东方从属于西方的格局。 |
政治趋势 | 人治走向法治,专制走向民主。 |
经济趋势 | 自然经济向市场经济发展,农业经济向工业经济发展,手工劳动走向机器生产。 |
专题25资本主义制度的初步确立

1、阶段特征:资产阶级革命
(1)政治:英国、美国和法国先后进行了资产阶级革命,确立了资本主义制度。
(2)思想:文艺复兴和启蒙运动广泛传播,解放了人们的思想,成为资产阶级革命的思想基础,启蒙思想家为资本主义制度的确立规划了蓝图。
2.中外联系:美国独立战争后确立的政治体制影响了中国辛亥革命,中华民国临时政府模仿美国的民主共和政体,建立了资产阶级民主共和国;中国借鉴美国1787年宪法分权与制衡原则,颁布了《中华民国临时约法》。
3、关键词:
一条主线 | 欧美主要国家迈进资本主义社会。 |
两大人物 | 华盛顿、拿破仑。 |
三次资产阶级革命 | 英国资产阶级革命、美国独立战争、法国大革命。 |
五部文献 | 《权利法案》、《独立宣言》、美国1787年宪法、《人权宣言》、《拿破仑法典》。 |
专题26工业革命和国际共产主义运动的兴起

1、阶段特征:工业革命、马克思主义
(1)政治:英国成为资本主义世界头号强国;国际共产主义运动兴起并蓬勃发展。
(2)经济:传统的手工工场逐渐被大工厂替换,现代工厂制度确立;世界市场初步形成(第一次工业革命)。
(3)思想:马克思主义诞生,从此,无产阶级的斗争有了科学理论的指导。
(4)科技:科学技术突飞猛进,科技发明层出不穷,但科学与技术尚未真正结合。
2.中外联系:英国在工业革命期间,发动鸦片战争,中国开始从封建社会变为半殖民地半封建社会,被迫卷入资本主义世界市场;1918年,马克思主义传入中国,改变了新文化运动的发展方向,促进了五四运动的爆发,为中国共产党的诞生奠定了思想基础。
3、关键词:
两条主线 | 第一次工业革命、马克思主义的诞生和实践。 |
三大事件 | 英国宪章运动、马克思主义诞生、巴黎公社。 |
四大成就 | 珍妮机、改良蒸汽机、火车、铁路。 |
五大人物 | 瓦特、斯蒂芬森、马克思、恩格斯、欧仁·鲍狄埃。 |
专题27殖民地人民反抗与资本主义制度的扩展

1、阶段特征:殖民地反抗与资本主义制度扩展
(1)政治:拉丁美洲、印度相继爆发了反抗殖民统治、争取民族独立的武装起义;美国、俄国和日本等国通过资产阶级革命或改革等方式巩固和扩展资本主义制度。
(2)经济:随着第二次工业革命的进行,各主要资本主义国家实现了由自由资本主义向垄断资本主义过渡。
2.中外联系:日本通过明治维新实现了富国强兵,日本强大后,发动侵略中国的甲午中日战争,清政府战败,标志着洋务运动的破产,引发了中国变法维新运动。
3、关键词:
两条主线 | 殖民地人民的抗争。(拉美独立运动、印度民族大起义) |
资本主义统治的巩固与扩大。 | |
四大事件 | 彼得一世改革、俄国农奴制改革、美国南北战争、明治维新。 |
六大人物 | 玻利瓦尔、圣马丁、章西女王、林肯、亚历山大二世、明治天皇。 |
专题28第二次工业革命和近代科学文化

1、阶段特征:工业革命与科学文化
(1)经济:第二次工业革命使人类进入“电气时代”,主要资本主义国家经济高速发展,向垄断资本主义过渡。
(2)思想:自然科学从宗教的束缚中解放出来,人类创造出辉煌的科技和文化成果。
2.中外联系:日本发动甲午中日战争,帝国主义掀起了瓜分中国的狂潮,中国进行了戊戌变法;主要帝国主义国家发动八国联军侵华战争,使中国完全陷入了半殖民地半封建社会的深渊,中国进行;俄一系列探索(如辛亥革命);严复译述《天演论》,宣传生物进化理论,推动了维新变法思想的广泛传播。
3、关键词:
两条主线 | 第二次工业革命。 |
近代科学文化发展。 | |
三大发明成就 | 爱迪生发明白炽灯泡、卡尔·本茨制造出内燃机驱动的汽车、莱特兄弟试飞飞机成功。 |
两大科学家 | 牛顿、达尔文。 |
五大作品 | 《物种起源》《人间喜剧》《战争与和平》《英雄交响曲》《向日葵》。 |
世界现代史概述
世界现代史主要叙述的是20世纪初以来世界历史发展的基本进程,主要涉及两次世界大战、“冷战”与国际格局的新发展,社会主义从理想变为现实,社会主义力量从壮大到遭遇挫折,殖民体系的崩溃与发展中国家的发展,以及和平、发展、合作、共赢成为时代潮流。进入20世纪以来,世界日益成为一个密不可分的整体,构成世界各国既相互依存又相互竞争的复杂局面,完整意义上的世界历史终于形成。

世界现代史版块:
专题29第一次世界大战和战后初期的世界

1、阶段特征:第一次世界大战与战后世界秩序(俄国十月革命与社会主义建设、凡尔赛-华盛顿体系、亚非拉民族民主运动)
2、主要表现:
(1)政治方面:第一次世界大战是西方列强为重新瓜分世界、争夺世界霸权而发动的一场帝国主义战争。战后,建立了被称为“凡尔赛—华盛顿体系”的国际新秩序。战争激化了亚非殖民地半殖民地国家与宗主国之间的矛盾,推动了拉丁美洲的民主改革。列宁领导的十月革命,建立了世界上第一个无产阶级专政的国家。第一次世界大战后,亚非拉民族民主运动高涨。
(2)经济方面:20世纪二三十年代,列宁实行新经济政策,斯大林推进工业化和农业集体化。1928—1937年苏联先后完成了第一个、第二个五年计划,由落后的农业国变成了强大的工业国。
(3)思想文化方面:马克思主义得到发展。
3、中外联系:
(1)甲午中日战争与八国联军侵华战争使民族危机空前加剧(2)一战期间列强暂时放松了对中国的侵略,中国民族工业快速发展(3)俄国十月革命为中国送来了马克思主义(4)在巴黎和会上中国外交失败引发国内五四运动;《九国公约》维持了几个帝国主义国家共同支配中国的局面。
4、关键词:
一战一体系 | 第一次世界大战、凡尔赛—华盛顿体系。 |
社会主义革命与建设 | 俄国十月革命、苏联(俄)社会主义建设(新经济政策、苏联模式)。 |
三大民族民主运动 | 印度非暴力不合作运动、埃及华夫脱运动、墨西哥卡德纳斯改革。 |
专题30经济大危机和第二次世界大战

1、阶段特征:经济大危机、罗斯福新政与第二次世界大战
2、主要表现:
(1)政治上:罗斯福新政挽救了资本主义制度;二战,欧洲的力量被严重的削弱,形成美苏两极格局。
(2)经济上:出现了国家调控经济的新模式。
1.中外联系:经济大危机波及日本,为转嫁危机,日本发动了侵略中国的九一八事变,中国人民局部抗战,揭开了世界反法西斯战争的序幕。第三次长沙会战的胜利,是太平洋战争爆发后,盟军获得的第一个胜利,鼓舞了盟军的反法西斯斗争。中国战场是世界反法西斯战争的东方主战场,为世界反法西斯战争的胜利作出了巨大贡献。
4、关键词:
一场危机、两种应对 | 1929—1933年经济大危机。 |
罗斯福新政(美国)、法西斯道路(德、日)。 | |
一次大战、两大集团 | 第二次世界大战。 |
轴心国集团、世界反法西斯联盟。 | |
三个法西斯国家 | 德国、意大利、日本。 |
三大会议 | 慕尼黑会议、26国华盛顿会议、雅尔塔会议。 |
四大节点、六大事件 | 爆发(德国闪击波兰)、扩大(苏德战争爆发、太平洋战争爆发)、转折(斯大林格勒战役)、结束(柏林战役、日本投降)。 |
专题31二战后的世界变化

1、阶段特征:第二次世界大战后,苏两国之间开始了长达数十年的冷战对峙局面。一些资本主义国家相继调整统治政策,逐步实现经济复苏。广大发展中国家日益成为影响世界发展的重要力量。
2、主要表现:
政治上:(1)二战后,美苏两极格局形成;(2)西欧各国逐渐走向联合,努力提高自身在国际上的地位。
经济上:形成了美、日、西欧三足鼎立局面。
3.中外联系:新中国成立后,中美关系处于敌对状态;20世纪70年代,在美苏争霸中,美国处于战略守势,中美关系开始走向正常化。新中国成立后,与苏联等社会主义国家建交,并在苏联帮助下完成“一五”计划,建立起新中国的工业化基础。万隆会议上周恩来提出“求同存异”方针,加强;俄中国同亚非各国的团结与合作。
4.关键线索:
一场无硝烟的战争 | 美苏冷战。 |
两大对峙集团 | 北约与华约。 |
两种社会制度的发展 | 战后资本主义的发展(美、日、欧洲)、 战后社会主义的发展(东欧社会主义国家、苏联)。 |
三大洲的民族解放运动 | 亚非拉民族解放运动高涨与帝国主义殖民体系的崩溃。 |
专题32走向和平发展的世界

1、阶段特征:政治多极化趋势与经济全球化
(1)政治:欧盟、日本、中国、俄罗斯等国家联盟或国家在国际和地区事务中发挥着重要作用,推动世界朝着多极化方向发展
(2)经济:世界贸易组织成立,经济全球化趋势加强;20世纪90年代,人类进入“信息时代”
2.中外联系:中国是推动世界格局朝着多极化方向发展的重要一极,为构建世界经济新秩序和应对人类挑战贡献了中国智慧和中共力量。
3、关键线索:
一个时代主题 | 和平与发展。 |
两大世界支柱 | 联合国、世界贸易组织。 |
两大发展趋势 | 经济全球化、世界格局多极化。 |
三大焦点问题 | 网络安全问题、生态问题、人口问题。 |