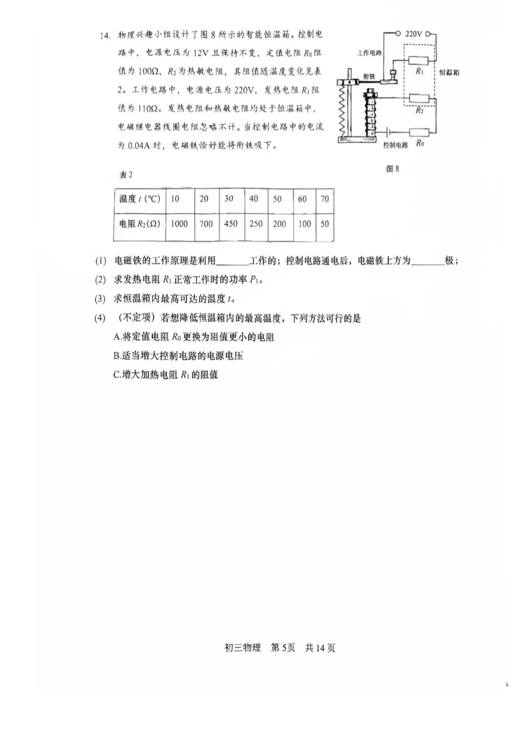
2026上海市松江区初三二模物理试卷 四季读书网 2026-04-17 10:56:57 9 0 2026上海市松江区初三二模物理试卷 本文地址: https://sjds.net/637793.html 文章来源: 四季读书网 版权声明:本文内容由互联网用户自发贡献,该文观点仅代表作者本人。本站仅提供信息存储空间服务,不拥有所有权,不承担相关法律责任。如发现本站有涉嫌抄袭侵权/违法违规的内容, 请发送邮件至23467321@qq.com举报,一经查实,本站将立刻删除;如已特别标注为本站原创文章的,转载时请以链接形式注明文章出处,谢谢!