
贵阳市2026-2028届初中体育中考项目考试规则
↓↓↓

一、统一现场考试各项目规则
(一)800 米、1000 米跑
场地器材:400 米标准环形跑道田径场,地面平坦。发令旗 1面,口哨 1 枚,秒表若干块,或采用 800/1000 米跑考试仪器。
考试方法:根据跑道数量安排每组测试人数(至少两人一组)。采用站立式起跑,不得穿钉鞋。受试者听到口令后跑出,以分、秒为单位记录成绩,不计小数。在考试过程中,应关注学生的适时情况,如学生出现异样,应提醒停止考试,防止意外的发生。
(二)200米游泳
场地器材:考试场地标准为室内(外)50 米或 25 米标准游泳池,根据参加考试的人数分为若干泳道,泳道之间用泳道线标记(泳道线之间距离不低于 1.5 米)。考场配备电子计时设备以及秒表和发令枪,并泳池边必须配备至少 4 名及以上持有国家职业资格证书的专业救生员,并应根据泳池大小和考生数量酌情增加,考点视频监控系统全覆盖。
考试方法:随机安排泳道考试,特殊情况可要求在浅水区泳道考试。每位考生一条泳道,每人限考一次,不限泳姿。以分、- 16 -秒为单位记录成绩,不计小数。学生在考试过程中,应关注学生的适时情况,如学生出现异样,应提醒停止考试,防止意外的发生。注:考生须着合体游泳衣、裤、泳帽、泳镜,泳姿不限。考生入池后身体任何部分触池壁并处于静止状态时(立定入水),当听到“发令”信号后(同时计时)出发。游进中,考生不得使用或穿戴任何有利于其速度、浮力的器具(如手、脚蹼),须在规定的泳道中划水行进。转身时,允许考生使用身体任何部位触及池壁或水下转身后,用脚蹬池壁。到达终点时,可用身体任何部分触池壁,成绩以考生身体任何部分一经触池壁即停表记录的时间计取。其他事项按游泳规则执行。
(三)一分钟跳绳
场地器材:地面平整、干净的场地一块,地质不限。主要考试器材包括考试仪器、计数器。考试用绳由考场提供,考生不得自带绳进入考场。
考试方法:考生将绳的长短调至适宜长度,听到开始信号后开始跳绳,动作规格为正摇双脚跳绳,每跳跃一次且摇绳一回环(一周圈),计为一次。听到结束信号后停止,考务员报数并记录考生在 1 分钟内的跳绳次数,每位考生只有一次机会。测试单位为“次”。
注:考生因绳拌脚造成测试中断,应继续进行,不计失败次数,只记录总的完成次数。
(四)足球
场地器材:在人工(天然)草坪足球场上进行,测试区域长 30米,宽 10 米,起点线至第一标志杆(高度不低于 1.2 米)距离为 5 米,各杆间距 5 米,共设 5 根标志杆,标志杆距两侧边线各5 米(图 1)。考试器材包括秒表、考试仪器、皮尺,标志杆 5根,足球(圆周长 680 毫米至 710 毫米,质量为 390 克至 450 克之间)若干个,考试用球由考场提供,考生不得自带球进入考场。

考试方法:考生站在起点线后准备,听到出发口令后开始向前运球依次过杆,考生和球均越过终点线即为结束。每位考生两次机会,记录其中最好一次成绩。以秒为单位记录考试成绩,精确到小数点后一位(小数点后第二位数非“0”时进 1)。
注意事项:考试过程中出现以下现象均属犯规行为并取消当次成绩,出发时抢跑、漏绕标志杆、碰倒标志杆、故意手球、未按要求完成全程路线等。
(五)篮球
场地器材:考试场地长 20 米,宽 7 米,起点线后 5 米设臵两列标志杆(高度不低于 1.2 米),标志杆距同侧边线 3 米各排标志杆相距 3 米,共设 5 排标志杆,全长 20 米,并列的两杆间隔1 米(图 2)。考试器材包括秒表、考试仪器、发令旗、皮尺,标志杆 10 根,篮球(圆周长 695 毫米至 725 毫米质量为 490 至 560克之间)若干个,考试用球由考场提供,考生不得自带球进入考场。

考试方法:考生持球站立于起点线后,听到出发口令后,按图中箭头所示方向单手(或换手)运球依次过杆。每位考生两次机会,记录其中成绩最好一次。以秒为单位记录考试成绩:精确到小数点后一位(小数点后第二位数非“0”时进1)。
注意事项:
①考试中篮球脱手后,如球仍在考试场地内,受试者可自行捡回,并在脱手处继续运球,不停表。
②考试过程中出现以下现象均属犯规行为,并取消当次成绩:出发时抢跑、运球过程中双手同时触球、膝盖以下部位触球:漏绕标志杆、碰倒标志杆、人或球出考试区域、未按图示要求完成全程路线、通过终点时人球分离等。
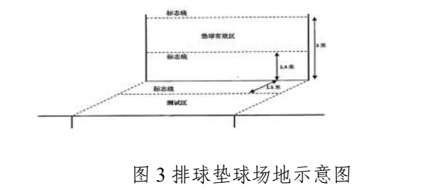
(六)排球
场地器材:在墙面距地面高度 1.40 米、3 米处各设一标志线;在地面距墙壁 1.50 米处划一标志线,考试场地宽度按照 3 米场地宽度设臵。考试器材包括考试仪器、皮尺、排球(圆周长 650毫米至 670 毫米,质量为 240 克至 260 克之间)若干个,考试用球由考场提供,考生不得自带球进入考场。

考试方法:考生站在地上标志线外测试区,自己将球向上抛起(开始计时),连续对考试电子仪器墙面垫球。将球垫至考试电子仪器墙面垫球有效区,方能计数,反之不予计数。记录考生在 40 秒钟内的有效垫球数。
注意事项:
①在垫球过程中,球落地由考生自行捡球并继续进行垫球,直至时间结束;
②每位考生两次机会,记录其中成绩最好一次,时间为 40秒。
(七)立定跳远
场地器材:立定跳远采用考试仪器进行,起跳地面要平坦,不得有坑凹。每个场地配备丈量尺 1 把。
考试方法:受试者(不准穿钉鞋)两脚自然分开站在起跳线后,脚尖不得踩线,屈膝预摆后,两脚原地同时起跳(不得有垫步或连跳动作),并用双脚落地。丈量远度是以身体任何部分触地的最近点至起跳线的垂直距离为准。每位考生跳三次,取其中最好一次成绩。登记成绩以米为单位,取小数点后两位。
(八)原地掷实心球
场地器材:投掷区设臵在坚实、平坦的地面上,宽 4 米,长不少于 20 米,并有明显的区域标志线。考试用球重 2 千克、周长 420-780 毫米,表面材质防滑。
考试方法:采用正面双手前掷实心球。发出考试信号后,考生站在投掷线后,两脚前后或左右开立,身体面对投掷方向,双手举球至头上方,稍后仰,原地用力把球向前方掷出;球出手前,考生的双脚均不能移动。球出手的同时,一脚可以向前迈一步,但不得触碰或越过投掷线。测量距离为投掷线后沿至球着地点后沿之间的垂直距离。以米为单位记录考试成绩,保留小数点后 1位。每名考生可以投掷三次,计取最好成绩。登记成绩以米为单位,取小数点后一位。
> 中考体育改革关键信息总结 <
2026届(现初三):总分保持50分,与往年一致。
2027届(现初二):总分上调至60分,新增10分理论考试。
2028届(现初一):总分提高到80分,统一现场考试由40分增至60分。
二、考试项目变化
2026届(现初三):新增“游泳”选项。
2027届(现初二):从本届即可选择“游泳项目”。
2028届(现初一):可选择游泳;初三立定跳远项目新增“实心球”替代选项。
三、计分规则:优分覆盖法
当年跑步或游泳成绩若优于往年,自动以更高分覆盖;若成绩下降,则按当年实际成绩计分。
