
+




2026年1月浙江省普通高校招生选考科目考试
技术
第二部分通用技术(共50分)
一、选择题(本大题共12小题,每小题2分,共24分。每小题列出的四个备选项中只有一个是符合题目要求的,不选、多选、错选均不得分)
1. 2025年破土动工的西藏雅下水电工程,其装机容量相当于3座三峡水电站,年发电量将达到3000亿千瓦时。下列关于该工程的分析不恰当的是()
A. 工程推进中,研发了极寒、高海拔盾构机关键技术,体现了技术的实践性
B. 工程将拉动当地水泥、建材、装备制造等产业链,体现了技术的复杂性
C
工程投产后,与周边风、光能源形成清洁能源集群,将进一步完善我国“西电东送”体系
D. 工程不筑高坝,减少对核心生态区的扰动,体现我国在技术发展的同时注重环境保护
【答案】B
2. 对如图所示裁布剪
分析与评价中,不恰当的是()

A. 采用软包胶手柄,贴合手型,实现了人机关系的舒适目标
B. 电池技术的发展让裁布剪的小型化和便携式设计得以实现
C. 配有多种刀头,适应不同厚度的布料,主要是从“物”的角度考虑
D. 无电线束缚,续航时间长,有利于实现人机关系的高效目标
【答案】C
如图a所示的方管切断机(为便于观察,已将前夹板拆卸),在力F1作用下,手柄绕刀架转动,带动刀片竖直向下运动将工件切断。在剪切过程中,工件对刀片产生反作用力F2。图b是摆杆与杆1连接处的局部放大图(图中没有绘制出连接件)。请完成下面小题。

3. 在剪切过程中,构件的主要受力形式是()
A. 手柄受弯曲,杆1受拉,杆2受压
B. 摆杆受弯曲,杆1受拉,杆2受拉
C. 手柄受弯曲,杆1受压,杆2受压
D. 摆杆受弯曲,杆1受压,杆2受拉
【答案】A
4. 下列尺寸合适的连接件中,不适合用于连接摆杆与杆1的是()

【答案】D
5. 下列三视图中,左视图不符合投影关系的是()

【答案】C
在通用技术实践室,小明用长100mm、宽25mm、厚13mm的钢材加工如图所示的压板。请完成下面小题。

6. 下列操作中,不合理的是()
A. 划线时,先划出中心线,再划轮廓线
B. 起锯时,行程要短,压力要小
C. 锉削时,右手紧握锉柄,左手握住或扶住锉刀前端
D. 攻丝时,平口钳夹持工件后,用丝锥和丝锥扳手攻出M8内螺纹
【答案】D
7. 小明设计了下列加工流程,其中不能完成该工件加工的是()
A. 划线→钻孔→锯割→锉削→攻丝
B. 划线→锯割→锉削→钻孔→攻丝
C. 划线→锯割→钻孔→锉削→攻丝
D. 划线→钻孔→攻丝→锯割→锉削
【答案】B
如图所示的工件加工系统,由工件定位控制、机床加工和计数子系统组成,其工作过程为:位置控制器将位置传感器获取到的工件位置信息与设定位置进行比较,当工件到达设定位置时,位置控制器发送指令给传送机构,传送机构停止运行,此时工件加工位置处于刀具下方。同时计数器计数,位置控制器向通用机床控制电路发出加工信号,刀具开始对工件进行加工。请完成下面小题。

8. 下列对工件加工系统的分析,不恰当的是()
A. 题图所给的系统模型不属于数学模型
B. 传送机构的运行速度是定位精度优化的影响因素
C. 先满足定位精度的要求,再考虑传送效率等目标,体现了系统分析的综合性原则
D. 缩小刀具与工件之间的距离,可以提高加工位置的定位精度
【答案】D
9. 下列关于工件定位控制子系统的说法,正确的是()
A. 位置传感器用来反馈工件位置信息
B. 计数器显示的数值是输出量
C. 刀具是执行器
D. 通用机床控制电路属于控制器
【答案】A
10. 下列元器件中不具有开关功能的是()

【答案】B
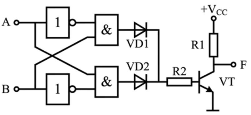
11. 如图所示的信号处理电路,A、B为输入信号,F为输出信号。下列波形关系中可能出现的是()


【答案】A
12. 如图所示为强光翻转电路,R3、R4阻值相同,无光照时光敏电阻Rg阻值较大,当强光短暂照射Rg时,继电器J状态翻转;强光移除后,J保持当前状态,下列分析中不恰当的是()

A. J通电状态下,强光短暂照射Rg,电容C1放电
B
若Rg周围环境光线较强,可能导致J不能断电
C. 适当增大R2阻值,可减小输出翻转所需光照强度
D. 适当减小C1电容值,可缩短两次有效照射的最短时间间隔
【答案】C
二、综合题(本大题共3小题,其中第28小题8分,第29小题10分,第30小题8分,共26分。各小题中“______”处填写合适选项的字母编号)
13. 小明发现下雨时学校附近的步行街游客人数下降,结合商户遮阳需求,他想为商铺设计一款自动晴雨棚,用于遮阳避雨。图a为步行街,图b为商铺结构。请完成以下任务:

(1)为了设计晴雨棚,小明收集并分析了商铺相关信息,下列说法不恰当的是________
A. 晴雨棚尽量选用轻质材料
B. 晴雨棚自动展开或收拢过程中,应禁止行人通行
C. 商铺内配有市电插座,晴雨棚只能采用交流电机驱动
D. 商铺有时需进行位置调整,晴雨棚收拢后尽可能不影响其调整
(2)小明考虑到增加晴雨棚后,商铺稳定性可能不满足加装要求,于是提出了以下改进方案,其中最合理的是________

(3)小明在选择晴雨棚的金属材料时,不需要考虑材料的________
A. 防锈蚀B. 各向异性C. 强度D. 耐高温
(4)小明制定好初步方案后,设计了如下商铺改装流程,下列对该流程的分析,不恰当的是________

A. 机械原材料加工与装配属于串行工序
B. 晴雨棚经反复调试和性能检测,性能理想后再进行安装
C. 先将商铺加固后才能安装晴雨棚,所以商铺加固要先于晴雨棚组装、调试
D. 晴雨棚调试和性能检测环节可考虑合并为一个环节
【答案】(1)BC(2)D(3)BD(4)C
14. 为解决在阳台外的晾晒床单时遮挡楼下住户采光的问题,小明计划设计一款用手摇柄(如图a所示)摇动实现晾衣杆升降的装置。供晾衣杆滑动的导轨已安装在阳台两侧的外端上(如图b所示)晾衣杆直径为35mm,请帮助小明设计该装置。设计要求如下:

(a)装置能驱动晾衣杆在导轨内顺畅滑动;
(b)晾衣杆两端要同步滑动,防止其脱离导轨;
(c)手摇柄停止摇动时,晾衣杆能自动锁定;
(d)所需材料和配件自选。
请完成以下任务:
(1)画出最优方案的设计草图;
(2)在草图上标注主要尺寸;
(3)装置安装后,需要进行相关的技术试验。以下试验中不必要的是________
A. 摇动手摇柄,观察晾衣杆能否在导轨内顺畅滑动
B. 在晾衣杆上挂2—3条床单,摇动手摇柄,观察晾衣杆能否从下端滑动至上端
C. 挂上床单,使晾衣杆滑动至上端,用适当的力拉床单,观察晾衣杆能否锁定
D. 挂上床单,使晾衣杆滑动至上端,用适当的力拉床单,观察晾衣杆是否变形
【答案】(1)(2)

或

(3)D
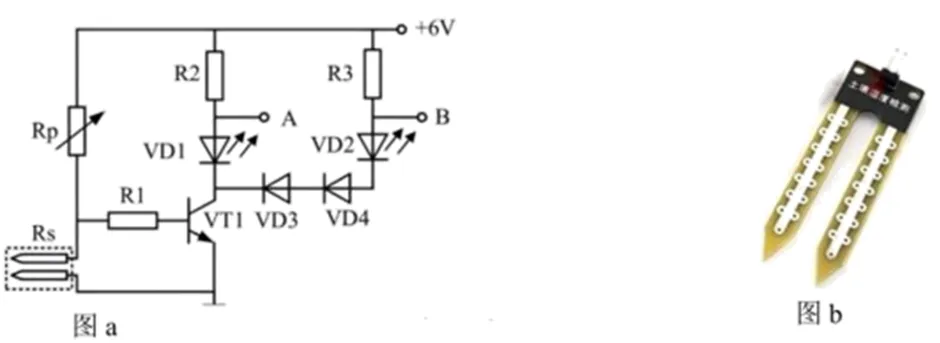
15. 小明发现学校草坪中
草因缺水出现了枯萎现象,设计了如图a所示的草坪土壤湿度指示电路,其中A、B为待连接点。VD1、VD2为同型号发光二极管,用图b所示的传感器Rs检测土壤的湿润程度。土壤湿润时VD1不发光;土壤干燥时VD1正常发光,VD2不发光;土壤很干燥时VD2正常发光。请完成下列各题。

(1)传感Rs的阻值________
A. 随土壤湿度增大而减小B. 随土壤湿度增大而增大
(2)土壤干燥时,三极管处于________
A
截止状态B. 放大状态
C. 饱和状态D. 放大与饱和状态均有可能
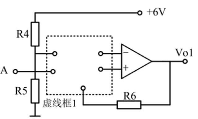
(3)小明在原电路的基础上增设了如下图所示的自动浇水控制电路。连接点A与题图a中的连接点A为同一点。土壤干燥时,Vo1为高电平,水泵启动;土壤湿润时,Vo1为低电平,水泵停止。请在虚线框1中完成连线,以实现电路的区间控制功能;

(4)为防止草坪得不到及时浇水,小明设计了如下图所示的报警控制电路。连接点B与题图a中的连接点B为同一点。当土壤很干燥的时候,Vo2输出一定频率的信号。通过驱动电路使喇叭发出报警声。请在虚线框2内用“+”“-”号标出比较器两输入端的极性,并在虚线框3内选择合适的接线端连线,以实现电路的自动报警功能。

【答案】(1)A(2)B
(3)

(4)


Q
怎么购买正版浙江通用技术易考通系列资料?
梁珂老师唯一淘宝店铺名:浙江通用技术选考
A
Q
请问易考通系列资料有哪些?
A
Q
为什么淘宝上易考通系列链接很多,价格也不一样?
易考通系列资料都是统一价格,淘宝上很多链接都是标高价格进行代卖赚取差价,请认准梁珂老师唯一店铺:浙江通用技术选考,掌柜名:usdfuv;以防购买盗版资料,影响学习。
A
Q
梁珂老师店铺二维码给一个?

A
Q
请问梁珂老师店铺网址?
A
