


第二部分通用技术(共50分)
一、选择题(本大题共12小题,每小題2分,共24分。每小题列出的四个备选项中只有一个是符合题目要求的,不选、错选均不得分)
1. 如图所示是飞行除冰机器人,专为解决输电线路、机场跑道等冬季结冰隐患而研发的智能装备,它融合了飞行控制、超声波除冰、红外监测等技术,可在低温、强风等复杂环境下自主完成除冰作业。下列关于该飞行除冰机器人的分析,不恰当的是()

A. 可替代人工在高危环境下作业,体现了技术保护人与解放人的作用
B. 可在低温、强风等复杂环境下自主完成除冰作业,体现了技术的目的性
C. 能根据不同覆冰厚度自主优化除冰算法,体现了技术的实践性
D. 可减少融冰盐的使用,降低对环境的影响
【答案】C
2. 对如图所示的手持激光测距仪的分析与评价中,正确的是()

A. 机身采用防滑橡胶包边,握持不易滑落,实现了人机关系的安全目标
B. 采用Type-C端口,支持240W功率输出,体现了人机关系的高效目标
C. 支持曲面、不规则物体的智能扫描测量,主要是从“人”的角度考虑
D. 强光、强磁干扰等场景均能正常工作,主要是从“环境”的角度考虑
【答案】D
如图所示是小明设计的平口钳,丝杠与活动钳口采用螺钉连接(螺钉连接未画螺钉),转动手柄能使活动钳口移动。请完成下面小题。

3. 下列丝杠和螺钉的选用,合理的是()

【答案】B
4. 如图所示是活动钳口半成品(未攻丝)的主视图和俯视图,下列左视方向的剖视图中正确的是()

【答案】D
5. 加工活动钳口时,下列做法合理的是()
A. 钻孔前,先用划针划点划线作为中心线,再在交点处用样冲冲眼
B. 需要用到2种规格的麻花钻头
C. 倒角可以用锉刀加工
D. 钻孔和攻丝时,都可以加切削液
【答案】D
6. 用大小合适的钢块加工活动钳口时,下列加工流程最合理的是()
A. 划线→钻小孔→倒角→钻中孔→钻大孔→攻丝
B. 划线→倒角→攻丝→钻小孔→钻中孔→钻大孔
C. 划线→钻中孔→钻大孔→倒角→钻小孔→攻丝
D. 划线→钻大孔→钻中孔→钻小孔→攻丝→倒角
【答案】 A
7. 如图所示是一种天平,在两边分别挂上重物,下列说法不正确的是()

A. L杆受弯曲,立柱受压
B. 连杆1受拉、受弯曲,连杆2受压、受弯曲
C. 增大底座支撑脚之间的距离,可以提高结构的稳定性
D. 连杆1与立柱、指针、L杆均为铰连接
【答案】D
如图所示为森林烟火巡检系统示意图,该系统由定位控制子系统、巡检子系统组成,其工作过程为:位置控制器接收到(由GPS定位模块采集的)无人机实时位置信息后,与预设巡检航点进行对比判断:当到达设定巡检航点时,位置控制器发出控制信号使无人机悬停,同时启动红外热成像相机,开始对下方区域进行烟火识别检测。请根据描述完成下面小题。

8. 下列对森林烟火巡检系统的分析,正确的是()
A. GPS定位模块能获取的无人机位置信息,体现了系统的目的性
B. 先分解成多个子系统分别研究,再进行统筹,体现了系统分析的整体性原则
C. 森林中的复杂环境是巡检定位精度优化的约束条件
D. 到达设定巡检航点时,位置控制器发出控制信号,使无人机悬停,体现系统的环境适应性
【答案】C
9. 下列关于无人机定位控制的说法,正确的是()
A. GPS定位模块用来反馈无人机位置信息
B. 控制方式属于开环控制
C. 红外热成像相机是执行器
D. 烟火识别控制电路属于控制器
【答案】A
如图所示已经搭接好的面包板实验电路。当闭合开关S,干簧管断开时LED灯不亮,干簧管闭合时LED灯亮;断开开关S,LED灯一直亮。请根据描述完成下面小题。

10. 根据电路示意图和检测,说明面包板上的IC芯片是()
A. 555芯片B. 比较器芯片C. 四2输入与非门D. 二4输入或非门
【答案】A
11. 电路中的A、B为输入信号,F为输出信号。下列波形关系中可能出现的是()

【答案】C
12. 如图所示是三极管实验电路。下列分析中正确的是()

A. 调节Rp拨片,LED1和LED2可能同时发光
B. 调节Rp拨片,LED2和LED3可能同时发光
C. 调节Rp拨片,LED1和LED3可能同时发光
D. LED3发光时,改变R2阻值,LED3的亮度不变
【答案】C
二、综合题(本大题共3小题,其中笫28题8分,第29题10分,第30题8分,共26分)
13. 小明设计制作了如图所示的塔式起重机模型,请完成下列问题:

(1)关于起重机立柱高度与横梁长度的说法,合理的是(单选);
A. 横梁越长,起吊重量越小B. 立柱越高,横梁越短C. 横梁越长,立柱越低
(2)为提高起重机稳定性,下列设计合理的是(多选);
A. 每个撑脚的高度可调节,适应不平整地面
B. 底座撑脚可外扩,增大支撑面积
C. 吊钩另一侧配置配重
D. 两根钢丝索拉挂横梁
(3)下图所示是该起重机的回转机构,能实现横梁绕着立柱水平转动,其中驱动马达、护罩外壳、支承刚性连接。下列分析中不合理的是(单选);

A. 采用蜗轮蜗杆能防止横梁随风转动
B. 采用蜗轮蜗杆,可实现电机与蜗轮转盘之间的减速
C. 支承与横梁刚连接,蜗轮转盘与下方立柱铰连接
D. 支承与下方立柱刚连接,蜗轮转盘与横梁刚连接
(4)完成模型制作后,小明需要对吊机进行相关的技术试验。以下的试验中,不合理的是(单选)。
A. 吊钩上空载时,观察在配重下吊机是否能平衡
B. 吊钩在横梁末端时,逐渐增加吊的重物,测试最大的起吊重量
C. 起吊最大重物并启动回转最大速度时,看吊机是否平稳
D. 在不加配重的情况下,在横梁末端悬挂最大起吊重量物件,看吊机是否明显变形
【答案】(1)A(2)ABC(3)C(4)D
14. 如图为遮阳伞示意图,立柱上固定的机械控制机构与伞面骨架结构关联。机械控制机构上的D型转轴可以控制伞面开合:正转伞面打开,反转伞面收合。为了方便远程控制,小明准备设计一款电动装置,利用图示电机驱动,可自动将伞面打开、收合。请帮助小明设计该装置的电机转轴与D型转轴之间的机械传动部分,设计要求如下:

(a)装置能驱动D型转轴正、反转;
(b)传动结构具备自锁能力(伞打开后无法反转而收拢);
(c)采用电机驱动,电机安装位置自选;
(d)所需材料和配件自选。
请完成以下任务:
(1)机械控制机构可沿着立柱上下调节,并通过某标准件与螺纹孔的连接进行紧固。从调节的便捷性考虑,下列标准件最合适的是

(2)画出最优方案的设计草图;
(3)在草图上标注主要尺寸。
【答案】(1)A(2)设计草图:1.装置能驱动D型转轴正、反转
2.传动结构具备自锁能力
3.与电机轴和D型转轴的连接
(3)

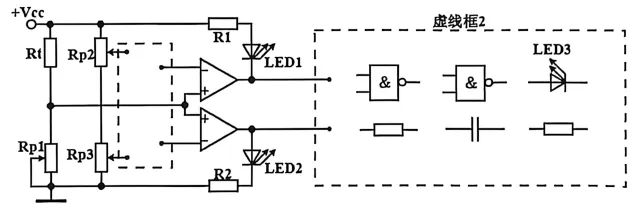
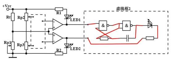
15. 如图所示是温室指示电路,其中Rt是热敏电阻。当温度高于上限时窗户全开,LED1亮;温度低于下限时窗户全关,LED2亮;温度在上下限之间时窗户半开,LED1、LED2均不亮。请完成以下任务:

(1)热敏电阻Rt的特性是(单选);
A. 随温度升高而减小B. 随温度升高而增大C. 无法确定
(2)要实现电路功能,请在虚线框1中完成连线;
(3)现要调整电路参数,将温度上限调高,下限不变。下列措施可行的是(单选);
A. Rp2滑片上调B. Rp2滑片下调C. Rp3滑片上调D. Rp3滑片下调
(4)当温度合适时窗户半开,新增LED3灯闪烁,其它情况LED3不亮。请在虚线框2中完成电路的连接。

【答案】(1)B(2)

(3)D
(4)


通用技术易考通系列资料:
《易考通选考宝典(新教材版)》是选考知识点为主,考前冲刺必备宝典。
《易考通草图设计(新教材版)》是草图案例为主,拓展思维。
《易考通草图刷题含解析(新教材版)》是草图练习题为主,图文详解。
《易考通三视图(新教材版)》是三视图选择题原理方法讲解和配套练习题为主,配答案和立体图。
《易考通基础刷题含解析(新教材版)》是按照通用技术选考试卷题型考点编写的必修一、必修二的练习题和详解,建议一轮使用。
《易考通电控刷题含解析(新教材版)》是按照通用技术选考试卷题型考点编写的选修电子控制技术的练习题和详解,建议一轮使用。
《易考通基础拉分练含解析(新教材版)》是按照通用技术选考试卷题型高频考点编写的必修一、必修二的练习题和详解,建议二轮使用。
《易考通电控拉分练含解析(新教材版)》是按照通用技术选考试卷题型高频考点编写的选修电子控制技术的练习题和详解,建议二轮使用。
《易考通真题精练(新教材版)》是按照通用技术选考真题编写的考点式刷题资料,每题配详解,建议考前使用。
一轮刷题资料:
《易考通基础刷题(新教材版)含解析》、《易考通草图刷题(新教材版)含解析》和《三视图(新教材版)》
二轮刷题资料:
《易考通电控拉分练(新教材版)含解析》和《易考通基础拉分练含解析》

