【中考物理】中考复习之电热器专题2

四季读书网 1 0
【中考物理】中考复习之电热器专题2
【中考物理】中考复习之电热器专题2 第1张
中考物理之电热器专题
(试题收集来源于网络)
【中考物理】中考复习之电热器专题2 第2张
一、电热器基本原理及设计
1.原理:焦耳定律,利用电阻率大、熔点高的镍铬合金做发热体。发热器的档位问题是由发热体的 决定的,发热体电功率越大,档位越    
2.多档位电热器模拟电路设计
【中考物理】中考复习之电热器专题2 第3张
 思考:每一幅图开关处于什么位置,电热器处于什么档位?
 3.解题思路:确定电路档位,画出不同档位电路图,标出已知量进行求解。
二、典型例题及练习
例1CFXB型“220V 1100W”电饭煲的原理图如图所示,它有高温烧煮和焖饭、保温两挡,通过单刀双掷开关S进行调节,R0为电热丝.当开关S接高温烧煮挡时,电路的功率为1100W,当开关S接焖饭、保温挡时,电路的总功率为22W。
(1)电饭煲在高温烧煮挡时,开关S应与哪个触点连接?
(2)电热丝R0的阻值多大?
(3)开关S在“1”挡时,串联电阻R上消耗的电功率.
【中考物理】中考复习之电热器专题2 第4张
练习1如图所示,电热水器有加热和保温两种状态(由机内温控开关S2自动控制),其铭牌技术参数如表中所示。
(1)开关S1、S2均闭合时,热水器处于哪种工作状态?电阻R1、R2的阻值分别是多少?
(2)利用原有电路元件,设计出另一种能够实现加热和保温两种工作状态的实用电路(由机内温控开关S2自动控制)。画出设计的电路图,算出加热时的总功率。
【中考物理】中考复习之电热器专题2 第5张
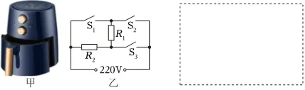
例2家庭中普遍喜欢使用空气炸锅(如图甲所示)烹制食物,图乙是其加热部分的简化电路图,额定电压为220V,定值电阻R1和R2为发热体,其中R1=44Ω。开关S1、S2、S3的通断可实现高、中、低三个挡位的调节(S1、S2不会同时闭合),只闭合S3时为中温挡,此时电路中的电流为2A。求:
(1)请画出只闭合S2、S3时的空气炸锅等效电路图。
(2)定值电阻R2的阻值;
(3)当开关S1、S3闭合,S2断开时,空气炸锅处于高温挡位
(选填“高温”“中温”或“低温”),判断依据?
(4)高温挡正常工作100s,电流通过R1产生的电热;
(5)若空气炸锅低温挡的额定功率为300W,则在低温挡正常工作10min,电路消耗的总电能为多少?
【中考物理】中考复习之电热器专题2 第6张
练习2 小明家买了一台电烤箱,有高、中、低三个发热挡位,其发热功率P:P:P=4:2:1,内部简化电路图如图所示,电源电压220V,只闭合开关S1时,电烤箱功率为1100W。
(1)电烤箱电路设计时绝对禁止同时闭合开关
(2)只闭合开关S1、S3,电烤箱处于 挡。
(3)电阻丝R2的阻值为  Ω。
(4)电烤箱处于低挡时,20min产生热量 J。
【中考物理】中考复习之电热器专题2 第7张
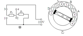
例3 在学校创新比赛中,某同学设计了一个多挡位电热水器。其工作电路图如图甲所示,R1和R2是两根电热丝;旋转开关如图乙所示,内有一块绝缘圆盘,圆盘的边缘共有10个金属触点(触点编号与电路图对应,编号相同的触点用导线连接)。可以绕中心轴转动的开关旋钮两端各有一个金属滑片,可以将相邻的触点连接。当旋钮上的箭头指向图中位置D,金属滑片将1、2两触点接通,同时另一端也将3、4两触点接通。旋钮上的箭头指向A、B、C、D不同位置时,可以实现四挡依次递减或递增的加热功率。他设计的四挡加热功率如下表所示:
(1)旋钮上的箭头指向D位置时,电热丝R1和R2的连接方式是 (选填“并联”、“串联”或“无法确定”)
(2)当旋钮上的箭头指向A位置时,加热功率为 W。
(3)电热丝R2的阻值为多少?
(4)根据计算结果,借助电池组、电压表和电流表分别截取了电阻大小符合要求的两根电热丝,按图甲连接。检查无误后,将电热器接入家庭电路,借助电能表和计时器测量电热器在不同挡位工作时消耗的实际电功率,结果发现每一挡的实际功率均小于设计要求,而电源电压为220V不变。产生这种偏差的原因是 。
【中考物理】中考复习之电热器专题2 第8张
【中考物理】中考复习之电热器专题2 第9张
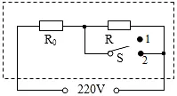
例4如图甲是一个电饼铛,可实现烙、煎、烤等多种功能,功率多档位可调。工程师们最早研究的档位调节电路如图15乙所示,两根发热电阻丝并联,其中R0=40Ω,R1=121Ω。为了实现连续调节功率,工程师们又设计出如图丙所示电路,变阻器R的最大阻值为444Ω。技术追求无止境,现在工程师们用半导体材料制成“可控硅”元件,使加热电阻上的电压可调到任意值,从而实现功率调节,如图丁所示。求:
(1)乙图电路的最大功率可达多少?
(2)丙电路中电路总功率可调范围?
(3)在丁图中,当R0的实际功率为1000W时,加在R0两端的电压为多大?
请针对乙电路和丙电路的设计,分别指出一个缺点。
【中考物理】中考复习之电热器专题2 第10张
例5如图甲所示是一种家用电熨斗,额定电压为220V,其简化电路如图乙所示,虚线框内为底板加热电路,R0是定值电阻,R是可变电阻,当滑片在两端点之间滑动时(可以滑动到两个端点),可以调控电熨斗底板的温度。该电熨斗温度最高时的电功率为484W,电阻R0在温度最高时与温度最低时的电功率之比为4:1,求:
(1)温度最高时,通过电熨斗的电流为多少A?
(2)电熨斗温度最低时,应将R的阻值调为多少Ω?
(3)假定电熨斗每秒钟消耗的电能W跟电熨斗底板温度与环境温度的温度差△t的关系如图丙所示,如果在温度为20℃的房间使用该电熨斗来熨烫毛料西服,要求熨斗底板温度为220℃,且保持不变,应将R的阻值调为多少Ω?
【中考物理】中考复习之电热器专题2 第11张
【中考物理】中考复习之电热器专题2 第12张参考答案
例1 (1)电饭煲在高温烧煮挡时,开关S应与触点2连接。
(2)电热丝R0的阻值为44Ω。
(3)当电饭煲在保温时实际功率为220W;保温10min,电热丝R0消耗的电能为264J。
练习1(1)当开关全闭合时,饮水机处于加热状态,R1的阻值为880Ω,R2的阻值为88Ω;
(2)设计电路如上图。
【中考物理】中考复习之电热器专题2 第13张
例2 (1)R1被短路,电路中只有R2接入电路。
(2)110Ω;
(3)高温;当开关S1、S3闭合,S2断开时,R1与R2并联,根据P=U2/R可知,在电源电压U一定时,总电阻R越小,功率P越大。并联电路的总电阻小于任何一个分电阻,因此此时总功率最大,空气炸锅处于高温挡;
(4)电流通过R1产生的电热1.1×105J;(5)电路消耗的总电能1.8×105J。
练习2(1)S2和S3;(2)高;(3)44;(4)6.6×105
例3 (1)并联;(2)264;(3)电热丝R2的阻值为110Ω;          (4)电路中的导线有一定的电阻,会分走一部分电压,电阻丝两端的实际电压低于220V,所以由P=UI=U2/R可知,实际功率比理论值小。
例4 答案:(1)电流热效应;高温;(2)①R3的阻值是242Ω;
②利用高温挡使水温升高1℃,需要消耗的电能为10800J;
③通过计算分析可知,使用高温挡更节能。
例5 (1)2.2A(2)100Ω(3)10Ω
【中考物理】中考复习之电热器专题2 第14张

相关链接

【中考物理】中考物理基础知识错题再现6

【中考物理】中考物理压强类综合错题再现

【中考物理】中考物理基础知识错题再现5

【中考物理】中考物理基础知识错题再现4

【中考物理】中考物理电学综合计算错题再现

【中考物理】中考物理基础知识错题再现3

【中考物理】中考基础知识错题再现2

【中考物理】基本概念错题再现1

【中考物理】中考复习之机械运动典型例题

【中考物理】一道压强浮力综合计算题(多状态图像类)

【中考物理】模拟强化训练(两电一力)

【中考物理】一道压强切割问题的试题(图像类)

【中考物理】一道浮力压强综合题(多状态图像分析)

【中考物理】一道电学综合计算题(多状态类)

【中考物理】一道电学综合计算题(图像类)

【中考物理】一道浮力压强综合训练题

【试题分享】中考物理总复习作业本

【中考物理】中考易考题型—滑轮组功和机械效率分析对策及预测

【中考物理】中考易考题型-运动和力试题分析对策与预测

【中考物理】中考易考题型-物态变化分析对策与预测

【中考物理】中考易考题型-光现象分析对策与预测

【中考物理】中考易考题型-生活物理量估计题分析对策与预测

中考题型复习汇集

中考必考题型13——电学实验

中考易考题题16---浸物变压题

中考易考题型9-电加热问题

中考必考题型10——探究浮力影响因素

中考必考题型6——电与磁

中考必考题型5——滑轮组

中考必考题型4——力学概念问题

中考必考题型3——物态变化

中考必考题型2——光现象

中考必考题型1——生活物理量估计

【中考物理】中考复习之电热器专题2 第15张
【中考物理】中考复习之电热器专题2 第16张
   市级课题《数字化视域下“共学课堂”的实践研究》,区《公众号建设驱动的初中物理共学课堂模式实践研究》,大中衔接课题《初中物理生活化实验开发与公众号科普应用研究》研究成果。
课题组负责人:牟银勇
区课题:李军、郭小源、向钰婷、邓景怡、莫慧兰等
大中课题组成员:牟银勇、牟嘉乐、卓莉萍、黄莎、郭敏
【中考物理】中考复习之电热器专题2 第17张
【中考物理】中考复习之电热器专题2 第18张
编辑:卓莉萍
作者:卓牟鸟
【中考物理】中考复习之电热器专题2 第19张

抱歉,评论功能暂时关闭!