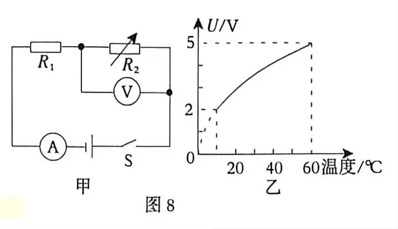
10. 图8-甲是一种电子温度计原理图,用电表充当温度计仪表,温度升高时仪表示数增大。热敏电阻R₂的阻值随温度的升高而增大,定值电阻R₁起保护电路的作用。已知电路的电源电压为6 V,定值电阻R₁的阻值为10 Ω,温度计的测量范围为10 ℃~60 ℃,电压表示数随温度变化的图像如图8-乙所示。下列说法正确的是()

A. 仪表示数是由电流表显示的
B. 温度升高时,电路中电流变大,总功率变大
C. 温度计示数为10 ℃时,电路中电流为0.4 A,电阻R₁的电功率为1.6 W
D. 温度计在测量范围内,电路总功率范围为0.6~3 W
解析:
(1)温度升高,R₂增大,电流表示数减小,电压表示数增大。温度升高仪表示数增大,所以仪表示数是电压表显示的。故A项错。
(2)温度升高,R₂增大,电流表示数减小, P=UI,总电压是不变的,所以总功率是减小的。故B项错。
(3)温度计示数为10 ℃时, U₂=2V,总电压为U, U₁=U-U₂=6V-2V=4V,电路中电流I= U₁/R₁=4V/10Ω=0.4 A,电阻R₁的电功率P₁=U₁I=4V×0.4 A=1.6 W。故C项正确。
(4)温度计示数为10 ℃时, U₂=2V,总电压为U, U₁=U-U₂=6V-2V=4V,电路中电流I= U₁/R₁=4V/10Ω=0.4 A,此时电流最大,电路最大总功率P=UI=6V×0.4 A=2.4 W;t'=60℃时U₂'=5V,U₁'=U-U₂'=6V-5V=1V,电路中电流I'= U₁'/R₁=1V/10Ω=0.1 A,此时电流最小,电路最小总功率P=UI=6V×0.1 A=0.6 W。故D项错。
(图8-甲:电路图,定值电阻R₁与热敏电阻R₂串联,电流表测电路电流,电压表并联在R₂两端;图8-乙:U-t图像,纵轴为电压U/V,横轴为温度/℃,起点约为t=10℃时U=2V,终点为t=60℃时U=5V,曲线随温度升高而上升)