电路故障判断是中考物理电学的核心必考题型(选择、填空、实验均有),主要考查断路、短路两种故障,解题关键是串并联结构 + 电表现象 + 故障特征的组合分析。

解决电路故障判断类难题的核心解题思路,可总结为“建模 - 审题 - 溯源 - 排错”四步法,具体思路如下:
1. 模型建构:先定结构,后定对象
解题首要任务是剥离干扰、确立框架。快速识别电路是串联还是并联,将电流表视为导线、电压表视为开路,简化电路结构;同时明确电压表、电流表分别测量哪部分元件,锁定分析对象,为后续判断奠定基础。
2. 审题抓信息:聚焦现象,定位特征
精准抓取题干中的关键现象,如灯亮 / 灯灭、电表有无示数、示数变大 / 变小等。这些现象是故障的 “线索”,需据此初步锁定故障大方向(是断路还是短路,是局部故障还是整体故障),缩小分析范围。
3. 回扣知识:调用规律,精准溯源

4. 巧用排除:辨析选项,规避陷阱
分析选项时,重点关注 “可能” 与 “一定” 的表述差异。结合前面的结构、现象、规律分析,逐一排除表述绝对化、不符合电路规律的选项,同时验证正确选项的唯一性,避免因表述歧义或逻辑漏洞丢分。
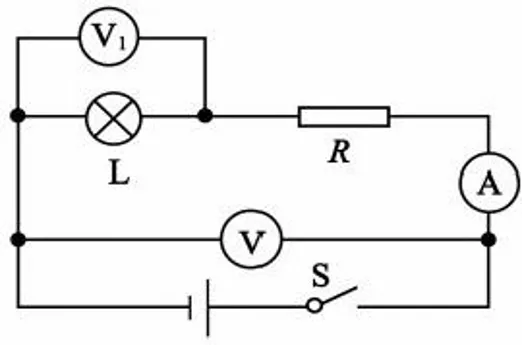
举例:(2025泰安)10.如图所示电路,电源电压保持不变,闭合开关S,只有一个电表指针发生偏转。已知电路故障只发生在灯泡L或电阻R上,其它元件均完好。下列对电路故障的分析正确的是( A )
A.可能是电阻R断路 B.可能是灯泡L短路
C.一定是电阻R短路 D.一定是灯泡L断路

解题思路:
第一步,分析电路图:串联,电压表测量电阻R两端电压;
第二步,审题,抓关键信息:只有一个电表指针发生偏转。已知电路故障只发生在灯泡L或电阻R上
第三步,结合电路故障的基础知识,分析各个选项导致的现象,与题目给出的现象和线索是否一致。

第三步,注意关键词,巧用排除:因为A、C选项中的故障都符合题意,但是C选项中有“一定”,所以C错误,A正确。
举例:
(2022泰安)11.如图所示电路中,电源电压恒定。闭合开关,电路正常工作一段时间后,灯泡L突然熄灭,电路中只有两个电表有示数。电阻R或灯泡L仅有一个出现了故障,其它元件均完好。下列说法中( )
①可能灯泡L断路 ②可能灯泡L短路
③可能电阻R断路 ④可能电阻R短路
A. 只有①②正确 B. 只有③④正确
C. 只有②④正确 D. 只有①③正确


(2024泰安)9. 如图所示电路,电源电压保持不变。闭合开关后,电路中各元件正常工作,两个相同的电流表(均有0~0.6A ,0~3A 两个量程)指针偏转的角度相同。一段时间后电流表A1指针偏转的角度突然变为原来的1/5 ,若定值电阻 R1或R2出现了断路故障,其它元件均完好。针对故障电路的观察分析,下列说法正确的是( )
A.电压表示数为零 B.电流表A1 的示数一定大于A2 的示数
C.一定是电阻 R1出现了断路故障 D.一定是电阻 R2 出现了断路故障

