
25-26一中九下物理
期中考试

—试卷分析—
扫码进群
新生同学扫码入群获取“空白试卷+参考答案+压轴题手写解析+压轴题讲解视频”


本次一中期中物理试卷整体难度中等偏上,知识覆盖面广,选择题和实验题注重物理原理与实际应用的结合,填空题和计算题在压轴部分具备明显区分度,突出考查学生的综合分析能力、电路分析能力、受力分析能力以及物理建模能力。试题设计贴近生活与科技前沿,如光伏发电、无人机、静电消毒、电动汽车充电桩等,体现了新课标对物理核心素养的考查导向。
01
题型与考点分布

试卷分析-黄雨洁老师

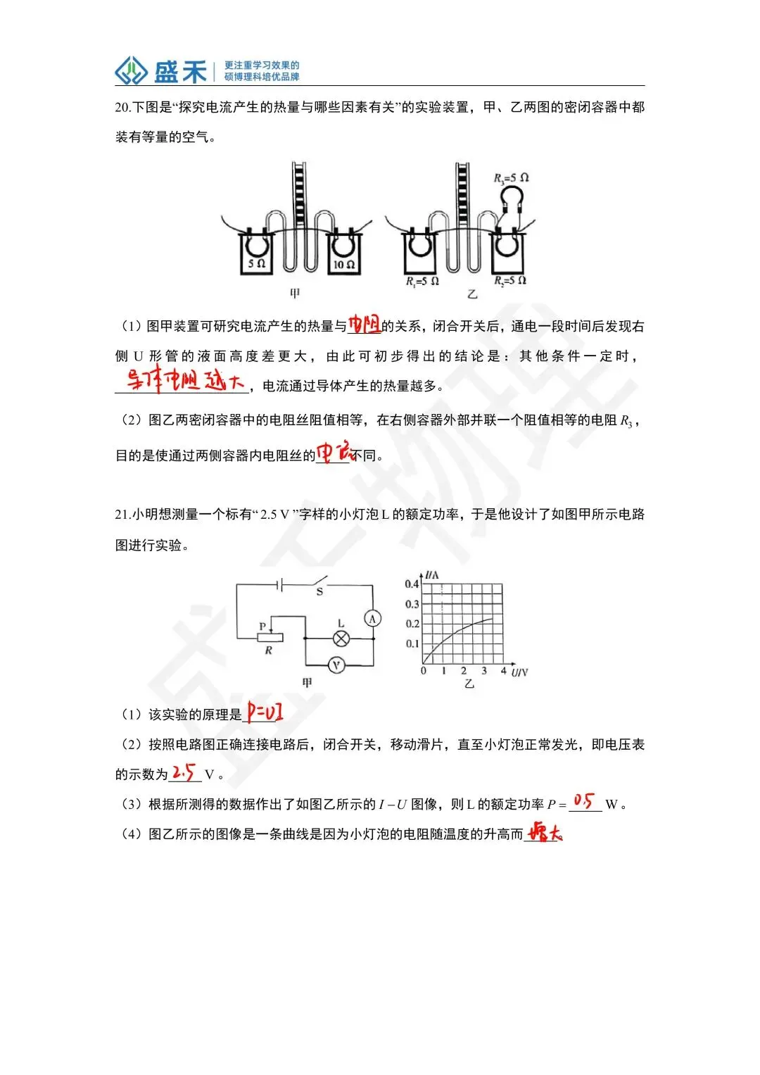
选择题方面情景丰富,注重物理原理在实际情境中的应用。单选题部分较为基础,多选题第12题结合电机保护电路,考查电磁铁、热敏电阻及电路分析,综合性较强,学生需理清电磁铁磁性强弱与电流、电阻变化的关系。
填空题方面基础与计算并重,部分题目需结合图像或电路图分析。第16题为电路压轴题,考查串并联电路识别、动态电路分析与功率计算,综合性较强,学生需结合电流比与电压变化,利用欧姆定律与电路等效思想进行求解,对电路分析能力要求较高。
作图题与实验题整体较为基础,注重基本操作与原理的落实。
计算题部分第23题为简单并联电路问题,考查欧姆定律与并联电路电流关系,难度适中;第24题综合性强,涉及压强、重力、浮力、受力分析及动态加水过程分析,对学生的综合建模能力和方程求解能力要求较高,具有较好的区分度。
整体而言,试卷结构合理,题型分布均衡,既注重基础知识的落实,又突出物理思维与应用能力的考查,对学生的审题能力、信息提取能力、逻辑推理能力和综合计算能力均有较高要求。
题型分布-黄雨洁老师


压轴讲解-王永得老师

02
试卷文件

空白版









解析版-王永得老师









试卷文件
03
本期介绍

分析与制作老师



往期推荐



04
联系我们


题目咨询
(王永得老师)

题目咨询
(黄雨洁老师)

课程咨询
(大盛老师)
-END-