

2020年广州市初中毕业生学业考试
物理
本试卷分第一部分和第二部分。第一部分第1至第4页,第二部分第4至第8页,共8页。总分100分。考试时间80分钟。
注意事项:
1.答题前考生务必在答题卡上用黑色字迹的签字笔或钢笔填写自己的考生号、姓名;填写考点考场号、座位号;再用2B铅笔把对应该两号码的标号涂黑;
2.第一部分每小题选出答案后,用2B铅笔把答题卡上对应题目的答案标号涂黑;如需改动,用橡皮擦干净后,再选涂其他答案;不能答在试卷上;
3.第二部分答案必须写在答题卡各题目指定区域内的相应位置上;如需改动,先划掉原来的答案,然后再写上新的答案,改动的答案也不能超出指定的区域;除作图可用2B铅笔外,其他都必须用黑色字迹钢笔或签字笔作答。不准使用涂改液。不按以上要求作答的答案无效;
4.考生必须保持答题卡的整洁。考试结束后,将本试卷和答题卡一并交回;
5.全卷共24小题,请考生检查题数。
第一部分(共36分)
一、选择题(每小题3分)每小题给出的四个选项中,只有一项最符合题意。
1. 图为试卷示意图,你正在使用的物理试卷宽约为( )

A. 27mB. 27nmC. 270cmD. 270mm
2. 甲音叉发声时每秒振动256次,乙音叉发声时振动频率为512Hz,相比于乙音叉,甲音叉( )
A. 发声时振幅一定更小
B. 发声时振动频率一定更高
C. 发出声音的音调一定更低
D. 发出声音
响度一定更大
3. 物质M因发生物态变化放热,M在该物态变化前后都具有流动性,则这种物态变化为( )
A. 熔化B. 凝固C. 液化D. 汽化
4. 如图所示,轻质棒M放在绝缘支架上,与毛皮摩擦后带上负电的绝缘棒L靠近M的A端时,A端被L吸引,则( )

A. M一定带负电
B. M一定带正电
C. 摩擦时,L失去电子
D. 摩擦时,L得到电子
5. 图为注射器,小芳迅速下压活塞,注射器内密封的气体温度升高。此过程密封气体的( )

A. 内能增加
B. 分子动能减小
C. 分子热运动速度减小
D. 内能转化为活塞动能
6. 金属球用细绳挂在车厢内,并相对于车静止,位置如图甲所示。下列选项中能导致球突然从如图甲位置变成如图乙位置的是( )

A. 车向西起动
B. 车做匀速直线运动
C. 车向东直线运动时加速
D. 车向东直线运动时减速
7. 球竖直向上运动,并落回地面,这过程中先后经过M、S两点。球在这两点的动能和重力势能如图所示,则球在M点的( )

A. 速度比在S点的大
B. 机械能大于在S点的
C. 机械能等于在S点的
D. 离地高度比在S点的低
8. 如图所示,小明分别使用甲、乙、丙、丁四种机械匀速提升物体(绳长不变),测得拉力和物体M、N所受的重力如表所示,则( )
F甲 | F乙 | F丙 | F丁 | GM | GN |
5.5N | 12N | 5.5N | 8N | 5N | 10N |

A. 甲的机械效率比丙的大
B. 乙、丁的机械效率相同
C. 使用丙提升物体M时省力
D. 实验测得的数据无法算出机械效率
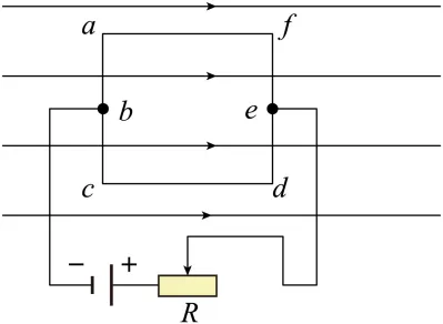
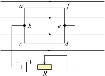
9. 矩形铜线框在某磁场中的位置如图所示,ab、bc、ed和fe段都受到该磁场的作用力,下列哪两段受到该磁场的作用力方向相同( )

A. ab段与bc段B. ab段与ed段
C. ab段与fe段D. fe段与ed段
10. 小明测量不同型号铅笔在纸上涂划所得线条的电阻,实验步骤如下:
(1)用铅笔在纸上画出两段长为15cm的线条,在其中一段线条上重复涂划3次,另一段6次;
(2)换用不同型号铅笔重复(1)的操作,得到多组等长等宽的线条如图;
(3)测出每段线条两端的电阻记录在表。

| 2B | 4B | 6B | 8B | 9B |
| |||||
3 | ① | 0.79 | 0.67 | 0.49 | ③ |
6 | ② | 0 | 0.43 | 0.28 | ④ |
根据实验数据,可推测电阻最小的是( )
A. ①B. ②C. ③D. ④
11. 图甲中圆柱形容器装有适量的水,当水温从0°C升到15°C时,水的密度ρ和水温t关系如图乙所示,此过程水的质量不变,不考虑圆柱形容器的热胀冷缩,下列选项中能正确反映图甲中容器底受到水的压强p和水温t关系的是( )

A.
B. 
C.
D. 
12. 图甲中圆柱形容器装有适量的水,当水温从0°C升到15°C时,水的密度ρ和水温t关系如图乙所示,此过程水的质量不变,不考虑圆柱形容器的热胀冷缩,如图丙,把测力计下悬挂的实心金属块M(体积不变)浸没在水中,M处于静止状态,下列选项中能正确反映测力计示数F和水温t关系的是( )

A.
B. 
C.
D. 
第二部分(共64分)
二、填空作图题(共25分)
13. (1)如图,光源S发出的一束光从空气射向水面,在容器壁上点P、Q处出现光点,画出上述现象的入射光线、反射光线和折射光线______;

(2)如图所示物体MN放在凸透镜前,0cm处为凸透镜光心,M点发出
光线a平行于主光轴;

①凸透镜的焦距为______cm;
②画出光线b经光心后的光线______;
③物体MN经凸透镜成的像相对于物是______(选填“放大”“等大”“缩小”)的;
④要使光线a经凸透镜后的光线经过K点,应使凸透镜沿主光轴水平向左还是水平向右移动______?
14. 图甲为紫外线的三个波段示意图,其中UVC对人体伤害最大,UVC能通过石英玻璃,普通玻璃可有效阻碍UVC的传播。图乙中家用消毒柜的紫外线灯可发出波长为254nm的紫外线。

(1)波长为254nm的紫外线属于______波段(选填“UVC”“UVB”“UVA”);
(2)波长为254nm的紫外线从紫外线灯的密封透明灯管内透出,对柜内的物品进行杀菌消毒,柜门透明部分的材料应选______,透明灯管的材料应选______(选填“石英玻璃”“普通玻璃”)。
15. 电磁铁通电后,小磁针N极转至图所示位置,此时铁块在水平桌面上静止并受到电磁铁吸引。
(1)电磁铁甲端应为N极还是S极?
(2)以点表示铁块,在方框内画出铁块受到的摩擦力。

16. 如图所示,以硬尺上某位置为支点O,在尺上挂一重3N的物体M,尺在竖直向上的拉力F作用下保持水平静止,尺的质量不计。
(1)O
______dm刻度线处;
(2)画出F的力臂
______。

17. 某地区把多余电能E1送往制氢装置产生氢气,电能不足时,通过发电装置把这部分氢气燃烧释放的能量转化为电能E2送回电网。
(1)氢气的热值是1.4×108J/kg,20kg氢气完全燃烧放出的热量是______J;
(2)下列属于可再生能源的是______;
①风能
②煤
③太阳能
(3)E1______E2(选填“>”“=”“<”)
18. 小明想探究图甲中的膜被不同粗细的针(表)刚刺破时所受压强是否相等。A针对膜的压力F随时间变化,膜刚被刺破时,压力达到最大值,F-t图象如图乙所示。
针的编号 | A | B |
针与膜接触面积/m2 |
|
|

(1)膜刚被刺破时,A针对膜的压力FA为______N,压强
为______Pa;
(2)t1至t2这段时间,A针对膜的压强是变大、变小还是不变______?
(3)B针刚刺破图甲中的膜时,测得针对膜压力为3.5N,此时B针对膜的压强为
,则
______
(选填“>”“=”“<”)。
19. 我们用图中的装置进行实验,根据现象可推断定值电阻R1和R2的大小关系。

(1)定值电阻R1和R2分别加热容器内的油(甲瓶中的油比乙瓶中的多)。两电阻工作相同时间,油均未沸腾,观察到甲温度计升温比乙温度计多。该过程电阻产生的热量全部被油吸收。根据上述实验可得“R1产生的热量比R2多”,依据是______;
(2)根据上述信息,可判断R1______R2(选填“>”“=”“<”)。
三、解析题(共24分)解析题应写出必要的文字说明、公式和重要演算步骤。只写出最后答案的不能得分。有数值计算的题,演算过程及结果都要在数字的后面写上正确的单位。
20. 装有水的容器在大小为10N的拉力F作用下运动,图甲为容器三段运动的示意图,F的方向始终沿着容器运动方向,OP段、MN段为水平地面。在MN段容器中的水少于OP段,容器在OP段、MN段的速度一时间图象和QR段的路程一时间图象如图乙所示。
(1)求F在OP段做的功______;
(2)求F在QR段的功率______;
(3)容器在OP段和MN段受到摩擦力分别为
、
,则
______
(选填“>”“=”“<”)。

21. 如图所示,小灯泡L的额定电压为3.8V,定值电阻R阻值为20Ω,闭合开关,流过R的电流为0.1A,流过L的电流为0.2A。求
(1)此时L的电阻;
(2)L的实际功率;
(3)通电20s,L、R共消耗的电能。

四、实验探究题(共15分)
22. 如图所示a表示垂直于纸面的一根导线,它是闭合电路的一部分,以下选项中能让a在磁场中水平方向左右运动时产生感应电流的有______。


23. 小明设计的电路图如图甲,小灯泡L1、L2的额定电压分别为2.5V、1.5V。
(1)根据电路图,用笔画线表示导线,把图乙中的实物连接起来______;

(2)电路正确连接后,闭合开关,两灯发光,如图丙电压表V1的示数为______,V2的示数为2.8V,L2是否正常发光______?
(3)小明将L1换成额定电压为2.5V的LED,闭合开关后发现LED亮,而L2不亮;
①小明认为此时L2烧断,他判断是否正确?______依据是______;
②小芳认为L2两端电压不够,将图乙中的电池增至三节,闭合开关,两灯不亮,此时V1、V2的示数均为4.4V,这可能是______烧断(选填“LED”“L2”)。
24. 据说某电子秤可测液体体积,小明进行以下两个实验,验证这种说法是否真实。
实验一:实验过程如图,质量为50.0g的水,该秤显示的体积为50.0mL;

实验二:质量为50.0g
油,该秤显示的体积也为50.0mL;
结合水、油的密度,小明发现该秤可以测出水的体积,不能测出油的体积;
小明猜想:该电子秤不能测出密度不等于水的液体的体积;
利用该电子秤和某种液体(
且
未知),设计实验验证小明猜想是否正确______(若需要,可补充器材)。写出实验步骤和判断小明猜想是否正确的依据______。
2020年广州市初中毕业生学业考试
物理
本试卷分第一部分和第二部分。第一部分第1至第4页,第二部分第4至第8页,共8页。总分100分。考试时间80分钟。
注意事项:
1.答题前考生务必在答题卡上用黑色字迹的签字笔或钢笔填写自己的考生号、姓名;填写考点考场号、座位号;再用2B铅笔把对应该两号码的标号涂黑;
2.第一部分每小题选出答案后,用2B铅笔把答题卡上对应题目的答案标号涂黑;如需改动,用橡皮擦干净后,再选涂其他答案;不能答在试卷上;
3.第二部分答案必须写在答题卡各题目指定区域内的相应位置上;如需改动,先划掉原来的答案,然后再写上新的答案,改动的答案也不能超出指定的区域;除作图可用2B铅笔外,其他都必须用黑色字迹钢笔或签字笔作答。不准使用涂改液。不按以上要求作答的答案无效;
4.考生必须保持答题卡的整洁。考试结束后,将本试卷和答题卡一并交回;
5.全卷共24小题,请考生检查题数。
第一部分(共36分)
一、选择题(每小题3分)每小题给出的四个选项中,只有一项最符合题意。
1. 图为试卷示意图,你正在使用的物理试卷宽约为( )

A. 27mB. 27nmC. 270cmD. 270mm
【答案】D
【解析】
【详解】我们使用的物理试卷的宽度在27cm左右,合270mm,故ABC不符合实际,D符合实际。
故选D。
2. 甲音叉发声时每秒振动256次,乙音叉发声时振动频率为512Hz,相比于乙音叉,甲音叉( )
A. 发声时振幅一定更小
B. 发声时振动频率一定更高
C. 发出声音的音调一定更低
D. 发出声音的响度一定更大
【答案】C
【解析】
【详解】频率的定义是每秒钟振动的次数是多少,频率的单位是赫兹(Hz);音调是指声音的高低,音调跟频率有关,频率越大,音调越高;频率越小,音调越低。由于甲音叉每秒振动256次,即甲音叉发声时振动频率为

所以,相比于乙音叉,甲音叉发出声音的音调一定更低,故C正确。
故选C。
3. 物质M因发生物态变化放热,M在该物态变化前后都具有流动性,则这种物态变化为( )
A. 熔化B. 凝固C. 液化D. 汽化
【答案】C
【解析】
【详解】AD.由于熔化和汽化都需要吸热,故AD不符合题意;
B.物体由液态变成固态的过程叫凝固,由于固体不具有流动性,故B不符合题意;
C.物体由气态变成液态的过程叫液化,液化放热,由于气态和液态的物体都具有流动性,所以可以判断这种物态变化为液化,故C符合题意。
故选C。
4. 如图所示,轻质棒M放在绝缘支架上,与毛皮摩擦后带上负电的绝缘棒L靠近M的A端时,A端被L吸引,则( )

A. M一定带负电
B. M一定带正电
C. 摩擦时,L失去电子
D. 摩擦时,L得到电子
【答案】D
【解析】
【详解】CD.由题意可知,毛皮摩擦后绝缘棒L带上负电,说明绝缘棒L束缚核外电子的能力较强,得到电子带负电荷;故C不符合题意,D符合题意;
AB.绝缘棒L靠近M的A端时,A端被L吸引,则M可能带正电;由于带电体具有吸引轻小物体的性质,所以M也可能不带电;故AB不符合题意。
故选D
5. 图为注射器,小芳迅速下压活塞,注射器内密封的气体温度升高。此过程密封气体的( )

A. 内能增加
B. 分子动能减小
C. 分子热运动速度减小
D. 内能转化为活塞动能
【答案】A
【解析】
【详解】A.注射器内密封的气体温度升高,所以内能增加,故A符合题意;
BC.注射器内密封的气体温度升高,分子的热运动越剧烈,分子热运动速度增加,分子动能增加,故B不符合题意,C不符合题意;
D.该过程是活塞的机械能转化为气体内能,故D不符合题意。
故选A。
6. 金属球用细绳挂在车厢内,并相对于车静止,位置如图甲所示。下列选项中能导致球突然从如图甲位置变成如图乙位置的是( )

A. 车向西起动
B. 车做匀速直线运动
C. 车向东直线运动时加速
D. 车向东直线运动时减速
【答案】C
【解析】
【详解】A.车向西起动,根据牛顿第一定律知识可知,小球会东偏转,故A不符合题意;
B.车做匀速直线运动,根据牛顿第一定律知识可知,小球不会偏转,故B不符合题意;
C.车向东直线运动时加速,根据牛顿第一定律知识可知,由于惯性,小球会保持原来
运动状态,故小球会西偏转,故C符合题意;
D.车向东直线运动时减速,根据牛顿第一定律知识可知,小球会东偏转,故D不符合题意。
故选C。
7. 球竖直向上运动,并落回地面,这过程中先后经过M、S两点。球在这两点的动能和重力势能如图所示,则球在M点的( )

A. 速度比在S点的大
B. 机械能大于在S点的
C. 机械能等于在S点的
D. 离地高度比在S点的低
【答案】B
【解析】
【详解】A.由图可知,M点的动能小于S点的动能,所以球在M点的速度比在S点的小,故A不符合题意;
BC.由图可知,M点的动能和重力势能之和大于S点的动能和重力势能之和,故M点的机械能大于在S点的机械能,故B符合题意,C不符合题意;
D.由图可知,M点的重力势能大于S点的重力势能,所以M点的离地高度比在S点的高,故D不符合题意。
故选B。
8. 如图所示,小明分别使用甲、乙、丙、丁四种机械匀速提升物体(绳长不变),测得拉力和物体M、N所受的重力如表所示,则( )
F甲 | F乙 | F丙 | F丁 | GM | GN |
5.5N | 12N | 5.5N | 8N | 5N | 10N |

A. 甲的机械效率比丙的大
B. 乙、丁的机械效率相同
C. 使用丙提升物体M时省力
D. 实验测得的数据无法算出机械效率
【答案】A
【解析】
【详解】A.设物体上升的距离为h,甲机械绳子自由端移动距离和物体上升的距离相等,所以甲机械的机械效率为

丙机械中绳子的有效段数n=2,所以丙机械的机械效率为

所以甲的机械效率比丙的大,故A符合题意;
B.设物体上升的距离为h,乙机械绳子自由端移动距离和物体上升的距离相等,所以乙机械的机械效率为

丁机械中绳子的有效段数n=2,所以丁机械的机械效率为

所以乙、丁的机械效率不相同,故B不符合题意;
C.由图可知,
,所以使用丙提升物体M时不省力,故C不符合题意;
D.实验测得的数据可以算出机械效率,故D不符合题意。
故选A。
9. 矩形铜线框在某磁场中的位置如图所示,ab、bc、ed和fe段都受到该磁场的作用力,下列哪两段受到该磁场的作用力方向相同( )

A. ab段与bc段B. ab段与ed段
C. ab段与fe段D. fe段与ed段
【答案】B
【解析】
【详解】A.磁场的作用力方向与磁场方向和电流方向有关,由图可知磁场方向不变,由电路分析可知,ab段与bc段的电流方向相反,所以ab段与bc段受到该磁场的作用力方向相反,故A不符合题意;
B.由电路分析可知,ab段与ed段的电流方向相同,所以ab段与ed段段受到该磁场的作用力方向相同,故B符合题意;
C.由电路分析可知,ab段与fe段的电流方向相反,所以ab段与fe段受到该磁场的作用力方向相反,故C不符合题意;
D.由电路分析可知,fe段与ed段的电流方向相反,所以fe段与ed段段受到该磁场的作用力方向相反,故D不符合题意。
故选B
10. 小明测量不同型号铅笔在纸上涂划所得线条的电阻,实验步骤如下:
(1)用铅笔在纸上画出两段长为15cm的线条,在其中一段线条上重复涂划3次,另一段6次;
(2)换用不同型号铅笔重复(1)的操作,得到多组等长等宽的线条如图;
(3)测出每段线条两端的电阻记录在表。

| 2B | 4B | 6B | 8B | 9B |
| |||||
3 | ① | 0.79 | 0.67 | 0.49 | ③ |
6 | ② | 0.65 | 0.43 | 0.28 | ④ |
根据实验数据,可推测电阻最小的是( )
A. ①B. ②C. ③D. ④
【答案】D
【解析】
【详解】由表格数据可知,重复涂划相同时,铅笔的含碳量越高,电阻越小,铅笔的含碳量相同时,重复涂划次数越多,电阻越小,故电阻最小的是④。
故选D。
11. 图甲中圆柱形容器装有适量的水,当水温从0°C升到15°C时,水的密度ρ和水温t关系如图乙所示,此过程水的质量不变,不考虑圆柱形容器的热胀冷缩,下列选项中能正确反映图甲中容器底受到水的压强p和水温t关系的是( )

A.
B. 
C.
D. 
【答案】D
【解析】
【详解】由图乙可知,当水温从0°C升到15°C时,水的密度ρ先变大后变小;水的质量不变,容器的底面积不变,根据
可知容器中水先下降后上升,利用p=ρgh无法判断容器底受到水的压强p如何变化。当水温从0°C升到15°C时,水的质量不变,处于规则容器中,则水对容器底部的压力等于水的重力,根据
可知,当水温从0°C升到15°C时,容器底受到水的压强p不变。故ABC不符合题意,D符合题意。
故选D。
12. 图甲中圆柱形容器装有适量的水,当水温从0°C升到15°C时,水的密度ρ和水温t关系如图乙所示,此过程水的质量不变,不考虑圆柱形容器的热胀冷缩,如图丙,把测力计下悬挂的实心金属块M(体积不变)浸没在水中,M处于静止状态,下列选项中能正确反映测力计示数F和水温t关系的是( )

A.
B. 
C.
D. 
【答案】C
【解析】
【详解】由图乙可知,当水温从0°C升到15°C时,水的密度ρ先变大后变小;实心金属块M(体积不变)浸没在水中时,根据
可知,金属块受到的浮力先变大后变小;金属块M受到本身重力、水对它的浮力、弹簧测力计对它的拉力三个力的作用处于静止状态,弹簧测力计示数F即弹簧测力计对它的拉力,三者之间关系

由于水的密度ρ受水温影响,金属块在水中浸没时受到的浮力先变大后变小,所以测力计示数F先变小后变大,能反应测力计示数F和水温t关系的只有C项,ABD不符合题意。
故选C。
第二部分(共64分)
二、填空作图题(共25分)
13. (1)如图,光源S发出的一束光从空气射向水面,在容器壁上点P、Q处出现光点,画出上述现象的入射光线、反射光线和折射光线______;

(2)如图所示物体MN放在凸透镜前,0cm处为凸透镜光心,M点发出
光线a平行于主光轴;

①凸透镜的焦距为______cm;
②画出光线b经光心后的光线______;
③物体MN经凸透镜成的像相对于物是______(选填“放大”“等大”“缩小”)的;
④要使光线a经凸透镜后的光线经过K点,应使凸透镜沿主光轴水平向左还是水平向右移动______?
【答案】①.
②. 3.0③.
④. 缩小 ⑤. 水平向左
【解析】
【详解】(1)[1]过水面作光源S的对称点S′,即S的像,连结P S′交水面于O点,则SO为入射光线,OP为反射光线,OQ为折射光线,如图所示:

(2) ①[2]由图可知,平行于主光轴的光线经凸透镜后过焦点,故凸透镜的焦距为 3.0cm 。
②[3]光线b经光心后的光线传播方向不改变,如图所示:

③[4]由图可知,凸透镜的焦距为3.0cm,则物体MN在2倍焦距以外,故成倒立缩小的实像。
④[5]要使光线a经凸透镜后的光线经过K点,应使凸透镜沿主光轴水平向左移动,如图所示:

14. 图甲为紫外线的三个波段示意图,其中UVC对人体伤害最大,UVC能通过石英玻璃,普通玻璃可有效阻碍UVC的传播。图乙中家用消毒柜的紫外线灯可发出波长为254nm的紫外线。

(1)波长为254nm的紫外线属于______波段(选填“UVC”“UVB”“UVA”);
(2)波长为254nm的紫外线从紫外线灯的密封透明灯管内透出,对柜内的物品进行杀菌消毒,柜门透明部分的材料应选______,透明灯管的材料应选______(选填“石英玻璃”“普通玻璃”)。
【答案】①. UVC ②. 普通玻璃 ③. 石英玻璃
【解析】
【详解】[1]由图甲可知,紫外线波长在200nm~280nm属于UVC波段,280nm~315nm属于UVB波段,315nm~400nm属于UVA波段,故波长为254nm的紫外线属于UVC波段。
[2][3]由题意知,UVC能通过石英玻璃,普通玻璃可有效阻碍UVC的传播。波长为254nm的紫外线从紫外线灯的密封透明灯管内透出,对柜内的物品进行杀菌消毒,则透明灯管的材料应选石英玻璃;柜门透明部分的材料应选普通玻璃防止对人体造成伤害。
15. 电磁铁通电后,小磁针N极转至图所示位置,此时铁块在水平桌面上静止并受到电磁铁吸引。
(1)电磁铁甲端应为N极还是S极?
(2)以点表示铁块,在方框内画出铁块受到的摩擦力。

【答案】(1) N极;(2) 
【解析】
【详解】(1) 由图可知,小磁针的N极转至左边,根据异名磁极相互吸引,则电磁铁的右端是S极,左端是N极,即甲端为N极。
(2) 电磁铁通电后,有磁性,铁块受电磁铁的吸引力,方向水平向右;因铁块处于平衡状态,所受摩擦力应与引力大小相等方向相反,故摩擦力的方向水平向左,如图所示:

16. 如图所示,以硬尺上某位置为支点O,在尺上挂一重3N的物体M,尺在竖直向上的拉力F作用下保持水平静止,尺的质量不计。
(1)O在______dm刻度线处;
(2)画出F的力臂
______。

【答案】①. 1 ②. 
【解析】
【详解】(1)[1]由题图可知,要使尺保持水平静止,则支点O可能在力F的左侧,或物体M的右侧;当支点O在力F的左侧时,设支点距离力F的位置为L,由杠杆的平衡条件可得

代入数据,解得

即O在1dm刻度线处。
当支点O在物体M的右侧时,设支点距离力物体M的位置为
,由杠杆的平衡条件可得

代入数据,解得

不符合题意,舍去。
(2)[2]由于O在1dm刻度线处,所以F的力臂
如图所示:

17. 某地区把多余电能E1送往制氢装置产生氢气,电能不足时,通过发电装置把这部分氢气燃烧释放的能量转化为电能E2送回电网。
(1)氢气的热值是1.4×108J/kg,20kg氢气完全燃烧放出的热量是______J;
(2)下列属于可再生能源的是______;
①风能
②煤
③太阳能
(3)E1______E2(选填“>”“=”“<”)
【答案】①. 2.8×109J ②. ①③ ③. >
【解析】
【详解】(1)[1]由
知道,20kg氢气完全燃烧放出的热量是

(2)[2]能从自然界源源不断获得的能源是可再生能源,不能从自然界源源不断获得的能源是不可再生能源。所以,①风能和③太阳能可以在短时间内从自然界得到补充,属于可再生能源。
(3)[3]由于氢气燃烧释放的能量转化为电能过程存在能量散失,所以E1>E2。
18. 小明想探究图甲中的膜被不同粗细的针(表)刚刺破时所受压强是否相等。A针对膜的压力F随时间变化,膜刚被刺破时,压力达到最大值,F-t图象如图乙所示。
针的编号 | A | B |
针与膜接触面积/m2 |
|
|

(1)膜刚被刺破时,A针对膜的压力FA为______N,压强
为______Pa;
(2)t1至t2这段时间,A针对膜的压强是变大、变小还是不变______?
(3)B针刚刺破图甲中的膜时,测得针对膜压力为3.5N,此时B针对膜的压强为
,则
______
(选填“>”“=”“<”)。
【答案】①. 0.7 ②.
③. 变大 ④. =
【解析】
【详解】(1)[1]由图乙A针对膜的压力F随时间变化的图像可知,膜刚被刺破时,A针对膜的压力FA为0.7N。
[2]表格中已知A针与膜的接触面积,则A针对膜的压强

(3)[3]由图乙可知,在t1至t2这段时间内,A针对膜的压力在变大,但是受力面积不变,根据
可知A针对膜的压强是变大。
(4)[4]表格中已知B针与膜的接触面积,则B针对膜的压强

则A、B针对膜的压强关系
=
19. 我们用图中的装置进行实验,根据现象可推断定值电阻R1和R2的大小关系。

(1)定值电阻R1和R2分别加热容器内的油(甲瓶中的油比乙瓶中的多)。两电阻工作相同时间,油均未沸腾,观察到甲温度计升温比乙温度计多。该过程电阻产生的热量全部被油吸收。根据上述实验可得“R1产生的热量比R2多”,依据是______;
(2)根据上述信息,可判断R1______R2(选填“>”“=”“<”)。
【答案】①. Q=cm
t②. >
【解析】
【详解】(1)[1] 据题意,甲瓶中的油比乙瓶中的多,而且甲温度计升温比乙温度计多,由Q=cm
t可知甲瓶中的油吸收的热量多,该过程电阻产生的热量全部被油吸收,则R1产生的热量比R2多。
(2)[2]由图知,R1和R2串联,电流相等,通电时间相同,R1产生的热量比R2多,由Q=I2Rt可得,R1>R2。
三、解析题(共24分)解析题应写出必要的文字说明、公式和重要演算步骤。只写出最后答案的不能得分。有数值计算的题,演算过程及结果都要在数字的后面写上正确的单位。
20. 装有水的容器在大小为10N的拉力F作用下运动,图甲为容器三段运动的示意图,F的方向始终沿着容器运动方向,OP段、MN段为水平地面。在MN段容器中的水少于OP段,容器在OP段、MN段的速度一时间图象和QR段的路程一时间图象如图乙所示。
(1)求F在OP段做的功______;
(2)求F在QR段
功率______;
(3)容器在OP段和MN段受到摩擦力分别为
、
,则______(选填“>”“=”“<”)。
【答案】①. 40J ②. 5W ③. =
【解析】
【详解】(1)[1]由图可知,OP段容器做的是匀速直线运动,所以OP段的长度
F在OP段做的功
(2)[2]由图可知,QR段的长度为5m,F在QR段做的功
F在QR段的功率
(3)[3]由图可知,容器在OP段和MN段都是做匀速直线运动,由二力平衡知识可知,容器在OP段和MN段的摩擦力等于拉力,又因为拉力相等,所以容器在OP段和MN段受到摩擦力相等,即。
21. 如图所示,小灯泡L的额定电压为3.8V,定值电阻R阻值为20Ω,闭合开关,流过R的电流为0.1A,流过L的电流为0.2A。求
(1)此时L的电阻;
(2)L的实际功率;
(3)通电20s,L、R共消耗的电能。
【答案】(1) 10Ω;(2) 0.4W;(3) 12J
【解析】
【详解】(1) 由图可知,闭合开关,小灯泡L与定值电阻R并联,由欧姆定律可得定值电阻R两端的电压
UR=IRR=0.1A20Ω=2V
并联电路电压相等,都等于电源电压,由欧姆定律可得此时L的电阻
RL===10Ω
此时L的电阻10Ω。
(2)由P=UI得L的实际功率
PL=UIL=2V0.2A=0.4W
L的实际功率为0.4W。
(3) 小灯泡L与定值电阻R并联,干路电流
I=IR+IL=0.1A+0.2A=0.3A
通电20s,L、R共消耗的电能
W=UIt=2V0.3A20s=12J
答:(1)此时L的电阻为10Ω;
(2)L的实际功率为0.4W;
(3)通电20s,L、R共消耗的电能为12J。
四、实验探究题(共15分)
22. 如图所示a表示垂直于纸面的一根导线,它是闭合电路的一部分,以下选项中能让a在磁场中水平方向左右运动时产生感应电流的有______。
【答案】丙和丁
【解析】
【详解】磁极间的磁感线是从N极指向S极,甲乙中的导体水平方向左右运动时,导体运动方向与磁感线方向平行,不会切割磁感线,所以不会产生感应电流,丙和丁中的导体水平方向左右运动时,导体运动方向与磁感线方向垂直,切割磁感线,会产生感应电流。
23. 小明设计的电路图如图甲,小灯泡L1、L2的额定电压分别为2.5V、1.5V。
(1)根据电路图,用笔画线表示导线,把图乙中的实物连接起来______;
(2)电路正确连接后,闭合开关,两灯发光,如图丙电压表V1的示数为______,V2的示数为2.8V,L2是否正常发光______?
(3)小明将L1换成额定电压为2.5V的LED,闭合开关后发现LED亮,而L2不亮;
①小明认为此时L2烧断,他判断是否正确?______依据是______;
②小芳认为L2两端电压不够,将图乙中的电池增至三节,闭合开关,两灯不亮,此时V1、V2的示数均为4.4V,这可能是______烧断(选填“LED”“L2”)。
【答案】①. ②. 1.5 ③. 否 ④. 不正确 ⑤. L2烧断的情况下,LED灯也不亮 ⑥. LED
【解析】
【详解】(1)[1]由图甲电路图可知,两个小灯泡是串联的,电压表V1测量L1的电压,电压表V2测量L1和L2的总电压,由因为小灯泡L1、L2的额定电压分别为2.5V、1.5V,所以电压表V1应选择0~3V的量程,电压表V2应选择0~15V的量程,实物连接图如图所示
。
(2)[2]如图丙电压表V1的示数为1.5V。
[3]由串联电路中电压的关系可知,此时L2两端的电压
L2的额定电压为1.5V,此时实际电压小于额定电压,所以L2没有正常发光。
(3)[4][5] 串联电路各用电器不能独立工作,L2烧断的情况下,LED灯也不亮,所以小明的判断是不正确的。
[6]闭合开关,两灯不亮,此时V1、V2的示数均为4.4V,这可能是LED烧断。
24. 据说某电子秤可测液体体积,小明进行以下两个实验,验证这种说法是否真实。
实验一:实验过程如图,质量为50.0g的水,该秤显示的体积为50.0mL;
实验二:质量为50.0g的油,该秤显示的体积也为50.0mL;
结合水、油的密度,小明发现该秤可以测出水的体积,不能测出油的体积;
小明猜想:该电子秤不能测出密度不等于水的液体的体积;
利用该电子秤和某种液体(且未知),设计实验验证小明猜想是否正确______(若需要,可补充器材)。写出实验步骤和判断小明猜想是否正确的依据______。
【答案】①. 见解析 ②. ①将某种液体倒入该电子秤的容器内,读出该秤显示的体积为V1;
②在容器上与液体凹液面相平的地方做出标记,并把该液体完全倒出,然后向容器内加入水至标记处,读出该秤显示的体积为V2;
容器内水和液体的体积是相同的,V2是容器内水的体积,则液体的体积也为V2,所以小明的猜想是不正确的。
【解析】
【详解】[1][2]判断依据如下:
①将某种液体倒入该电子秤的容器内,读出该秤显示的体积为V1;
②在容器上与液体凹液面相平的地方做出标记,并把该液体完全倒出,然后向容器内加入水至标记处,读出该秤显示的体积为V2;
容器内水和液体的体积是相同的,V2是容器内水的体积,则液体的体积也为V2,如果V1= V2,则小明的猜想是不正确的;若V1≠V2,则小明的猜想是正确的。









