


第二部分 通用技术(共50分)
一、选择题(本大题共12小题,每小题2分,共24分。每小题列出的四个备选项中只有一个是符合题目要求的,不选、多选、错选均不得分)
16. 如图所示为2025年开工建设的东南沿海海上风电基地,总装机容量超2000万千瓦,年发电量可满足超千万户家庭用电需求,该工程涉及到抗台风、防腐蚀的海上风机基础技术和漂浮式风机技术等。下列说法中不恰当的是()

A. 工程采用的漂浮式风机技术,在发电同时还能减少对近海海域生态的影响,体现了技术的目的性
B. 工程推进中,研发了抗台风、防腐蚀的海上风机基础技术,体现了技术的实践性
C. 工程带动了海上风电装备制造、海底电缆铺设等产业发展,体现了技术的综合性
D. 工程并网后与陆上火电、水电互补,进一步完善区域电力供应体系
【答案】C
17. 如图所示为一款多功能露营灯,下列分析中不正确的是()

A. 该款多功能露营灯配有USB接口可为手机应急充电,主要实现了人机关系的安全目标
B. 该款多功能露营灯能够作为手电筒远射、主灯和帐篷灯,体现了设计的实用原则
C. 该款多功能露营灯外壳采用高强度ABS材料,主要是从“物”的角度考虑
D. 该款多功能露营灯有多种颜色可选,满足人的心理需求
【答案】A
小明发现电控实验室仪器占用桌面空间太大,实验操作很不方便,于是利用通用技术所学知识设计了如第18-19题图所示的仪器收纳架,利用多层横板放置仪器。

18. 关于该收纳架连接处的设计最合理的是()

【答案】B
19. 小明准备用实木板制作仪器收纳架,下列操作合理的是()
A. 木材画线时,为提高辨识度,画线工具宜粗不宜细
B. 侧板和横板的圆弧倒角时,用砂纸将直角打磨成圆角
C. 板料分割时,用板锯进行锯割
D. 表面处理时,先用抛光机整体打磨再进行电镀
【答案】C
如第20-21题图所示的仪器收纳架,夹持机构,转动手柄使钳口夹紧工件。

20. 关于该夹持机构,下列说法中正确的是()
A. 夹紧过程中,摇臂仅受弯曲
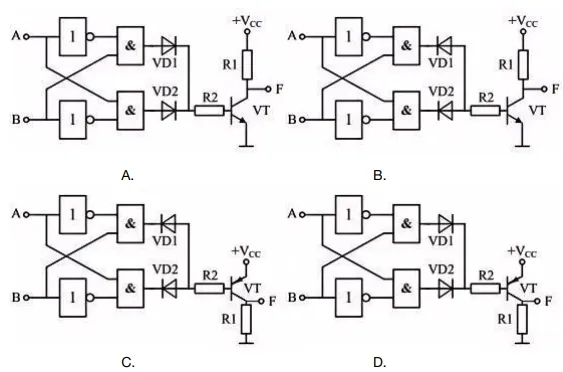
B. 夹紧过程中,手柄仅受扭转
C. 图示位置夹紧工件时,连杆2受弯曲、受压
D. 图示位置夹紧工件时,连杆1受拉
【答案】D
21. 小明想用大小合适的钢块加工连杆2,下列操作不合理的是()
A. 锯割工件时,需要考虑锉削余量
B. 可采用的加工流程为:划线→钻孔→锯割→锉削
C. 在进行钻孔操作时,应先装夹钻头,再装夹工件
D. 可用平锉打磨连杆2下方的90度内角
【答案】D
22. 下列三视图中,左视图不符合投影关系的是()

【答案】B
如第23-24题图所示的自动分拣快递系统,由扫码识别、输送定位、分拣推送和计数子系统组成,工作过程为:扫码器识别快递面单信息,将信息传输至控制器,控制器控制输送机构将快递送至指定分拣口,定位传感器检测到快递到位后,推送机构动作完成分拣,同时计数器计数。根据示意图及描述完成第23-24题。

23. 下列对该系统的分析不恰当的是()
A. 输送机构如果卡住会导致系统无法实现自动分拣,体现了系统的整体性
B. 优化扫码识别的响应速度可以提高计数子系统的准确性
C. 推送机构使用一段时间之后会磨损,需要定期维护,体现了系统的动态性
D. 先保证分拣的准确性,再提升分拣速度,体现了系统分析的综合性原则
【答案】B
24. 下列关于上述快递自动分拣系统中输送定位子系统的说法,正确的是()
A. 输送机构的精度属于干扰因素
B. 计数器的计数值是该子系统的控制量
C. 推送机构是该子系统的执行器
D. 输送机构属于被控对象
【答案】A
25. 下列元器件中,不适合作为输入设备的是

【答案】C
26. 正常电路的输出信号应该是随着输入信号的变化,以某种逻辑关系变化的,如果输出信号不受输入信号影响的电路,则为非正常电路。以下为正常电路的是

【答案】A
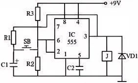
27. 如图所示是点动开关翻转电路,R2、R3阻值相同,按下点动开关SB接通,继电器J状态翻转;不按SB断开,J保持状态。下列分析不恰当的是

A. J通电状态下,按下SB,电容C1放电
B. 适当改变R1、C1,按下SB后,可能造成J延时翻转
C. 快速点击SB,J状态翻转后可能会一直保持不变
D. SB按住不放,J的状态可能会定时不断翻转
【答案】B
二、非选择题(本大题共3小题,第28小题8分,第29小题10分,第30小题8分,共26分。各小题中的“▲”处填写合适选项的字母编号)
28.小明看到妈妈每天都用手动按压式喷壶给花草浇水,很费力,于是想利用闲置的水泵将手动按压式喷壶改装成“手电一体式”喷壶。图a所示是手动式喷壶内部结构与工作原理,其中喷头内部自带单向阀。

(1)分析手动式喷壶内部结构与工作原理,弹簧2的性能特点是▲(单选,填字母);
A.拉簧
B.压簧
(2)小明设计的“手电一体式”喷壶方案如图b,其中单向阀是液压传动中非常重要的零部件,它的特点是:流体只允许一个方向流,反向则阻断。以下是小明设计的单向阀的四种结构原理图,其中不可行的是▲(单选,填字母);


(3)小明发现根据第(2)题的设计,需要用到三通,三通的剖面图如图c所示,选择合适的三通时需要考虑▲(多选,填字母);

A.密封性
B.耐高温性
C.耐磨性
D.连接管口径
E.连接管材料
(4)为了研究手动式喷壶的各种性能以及人机关系,小明应制作▲(单选,填字母)。
A.草模
B.结构模型
C.功能模型
【答案】(1)B(2)C(3)ADE(4)C
29. 为了更好地保护第28题中的花草,小明帮妈妈搭建了花坛,并想设计一个电动遮阳棚。如图所示,在花坛两端窄面上增设导轨,当需要防晒时遮阳棚在花坛上方(图a),不需遮阳时遮阳棚收在花坛侧面(图b)。已知最高的多肉高出花坛 \(30\mathrm{cm}\) ,请你帮助小明设计该装置的机械部分及导轨,设计要求如下:

(a)花坛、遮阳棚表面可以进行钻孔等加工;
(b)装置能驱动遮阳棚在导轨上来回移动,移动时不影响多肉植物;
(c)遮阳棚可调节至导轨任意位置,以调节遮阳率;
(d)导轨表面形状、截面形状不限;
(e)采用一个电机驱动。
(1)设计该装置的机械部分及导轨时,不需要考虑的是▲(单选,填字母);
A.遮阳棚的尺寸
B.遮阳棚的透光率
C.导轨的强度
D.电机轴的尺寸
(2) 请在头脑中构思符合设计要求的多个方案,并画出其中最优方案的设计草图(导轨和遮阳棚可用线条表达,电机可用方框表示,对称装置只需绘制有电机的一侧),简要说明方案的工作过程;
(3)在你的设计草图上标注主要尺寸。
【答案】(1)B;(2)(3)

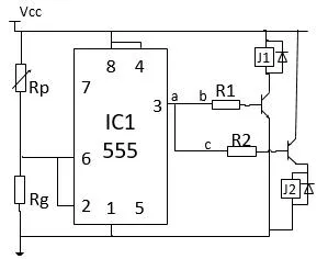
30. 小明给遮阳棚设计一个如图所示的自动控制电路, \(\mathrm{Rg}\) 为光敏电阻,光照越强,阻值越小。当外界光线暗时,电机M正转(电流从“+”到“-”),收起遮阳棚;外界光线亮时,电机M不转;外界光线很亮时,电机M反转(电流从“-”到“+”),展开遮阳棚。请完成下列各题。

(1)电机M安装时应为▲
A.左“+”右“-”
B.左“-”右“+”
(2)两个干簧管B1和B2都常闭的,靠近磁铁断开;B1安装在ab之间、B2安装在ac之间。它们最合适的安装位置是▲(多选)
A.B1安装在遮阳棚上,完全收起遮阳棚后,B1靠近磁铁
B.磁铁安装在遮阳棚上,完全收起遮阳棚后,磁铁靠近B1
C.磁铁安装在遮阳棚上,完全展开遮阳棚后,磁铁靠近B1
D.B2安装在遮阳棚上,完全展开遮阳棚后,B2靠近磁铁
E.磁铁安装在遮阳棚上,完全收起遮阳棚后,磁铁靠近B2
F.磁铁安装在遮阳棚上,完全展开遮阳棚后,磁铁靠近B2
(3)小明在调试过程当中发现,当光线亮时,电机不转,由于测试的电路模型当中缺少继电器驱动电机M的部分,导致无法判断IC1芯片3脚的输出状态。于是决定增加一个IC2芯片设计一个闪烁灯提示器,要求IC1的3脚输出高电平时,LED灯闪烁。请在虚线框中1中完成连线,以实现相应功能。

(4)小明第二天重构演示电路时,发现555芯片少了一块。于是决定以用一个比较器取代IC1,重建电路,请在虚线框2中完成连线,以实现相应功能。

【答案】(1)B
(2)CE
(3)

(4)


通用技术易考通系列资料:
《易考通选考宝典(新教材版)》是选考知识点为主,考前冲刺必备宝典。
《易考通草图设计(新教材版)》是草图案例为主,拓展思维。
《易考通草图刷题含解析(新教材版)》是草图练习题为主,图文详解。
《易考通三视图(新教材版)》是三视图选择题原理方法讲解和配套练习题为主,配答案和立体图。
《易考通基础刷题含解析(新教材版)》是按照通用技术选考试卷题型考点编写的必修一、必修二的练习题和详解,建议一轮使用。
《易考通电控刷题含解析(新教材版)》是按照通用技术选考试卷题型考点编写的选修电子控制技术的练习题和详解,建议一轮使用。
《易考通基础拉分练含解析(新教材版)》是按照通用技术选考试卷题型高频考点编写的必修一、必修二的练习题和详解,建议二轮使用。
《易考通电控拉分练含解析(新教材版)》是按照通用技术选考试卷题型高频考点编写的选修电子控制技术的练习题和详解,建议二轮使用。
《易考通真题精练(新教材版)》是按照通用技术选考真题编写的考点式刷题资料,每题配详解,建议考前使用。
一轮刷题资料:
《易考通基础刷题(新教材版)含解析》、《易考通草图刷题(新教材版)含解析》和《三视图(新教材版)》
二轮刷题资料:
《易考通电控拉分练(新教材版)含解析》和《易考通基础拉分练含解析》

