题库来源:安全生产模拟考试一点通公众号小程序
安全生产模拟考试一点通平台发布施工员设备方向岗位技能题库,涵盖考试内容、模拟试题、实操视频和最新解析,提供免费试题和考试技巧,帮助考生高效备考复审及理论考试,轻松通过岗位技能认证。

1、【多选题】专项施工方案的内容包括:( )。( AB )
A、工程概况
B、明确各类资源配置数量和要求
【解析】A:专项施工方案中必须包含工程概况,这是方案的基础部分;B:资源配置数量和要求是确保施工顺利进行的关……
2、【多选题】图纸变更的原因可能有( )。( ABC )
A、设计单位发现原设计不妥主动提出变更
B、业主或用户依据需要的变化提出变更
C、施工单位发现施工有问题而提出变更
【解析】图纸变更的原因通常涉及多个方面:选项A:设计单位在后续设计深化或复核中发现原设计存在不合理、不经济或……
3、【多选题】如交底工作由企业组织,则参加的人员包括( )。( ABC )
A、项目部的相关管理人员
B、作业队长
C、分包方的有关人员
【解析】企业组织的交底工作通常涉及项目执行层面的相关人员。A:项目部的相关管理人员是直接参与项目实施和管理的……
4、【多选题】属于ISO/TC176整理并编撰八项质量管理原则( )。( ABCDE )
A、以顾客为关注焦点
B、领导作用
C、全员参与
D、过程方法
E、基于事实的决策方法
【解析】ISO/TC176制定的八项质量管理原则是质量管理体系的基础。选项A:强调组织应理解并满足顾客需求;……
5、【多选题】工伤事故类别确定原则( )。( ABC )
A、要着重考虑导致事故发生的起因物方面因素
B、一次事故中同时存在两个或两个以上直接原因,应以先发的、诱导性的原因作为确定事故类别的主要依据
C、突出事故的专业特性
【解析】A:确定工伤事故类别时,应重点分析导致事故发生的直接起因物,这是分类的基础依据。B:当一次事故存在多……
6、【多选题】工程实体的形成应是( )。( ABE )
A、符合施工顺序
B、符合工艺规律
E、符合当前的科学技术水平
【解析】工程实体的形成是一个系统性过程,需要遵循科学原则和实际要求。选项A:符合施工顺序,确保工程按合理步骤……
7、【多选题】工程项目开工前,由项目部技术负责人向全体员工进行交底,内容包括( )。( ABC )
A、工程概况
B、施工方法
C、主要安全技术措施
【解析】在工程项目开工前的技术交底中,项目部技术负责人需向全体员工传达关键信息。A:工程概况是基础内容,包括……
8、【多选题】应急反应的实施原则( )。( ABCD )
A、避免伤亡
B、保护人员不受伤害
C、避免或降低环境污染
D、保护设备、设施或其他财产避免和减少损失
【解析】A:应急反应的首要原则是确保人员安全,避免发生伤亡事故。B:强调在应急过程中采取积极措施,保护人员免……

9、【多选题】成本的控制活动依据( )。( ABCE )
A、工程的承包合同
B、进度统计报告
C、施工成本计划
E、工程变更
【解析】成本控制是项目管理中的重要环节,其依据包括:A:工程承包合同是成本控制的基础,明确了成本目标和责任;……
10、【多选题】施工日志内容包括( )。( ABCDE )
A、计划安排
B、作业人员调动
C、作业面情况变化
D、资源变更
E、日进度统计
【解析】施工日志是施工现场的重要记录文件,内容应全面反映当天的施工活动。选项A:涉及每日施工计划的安排和执行……
11、【多选题】施工的流向是由( )三个方面的要求决定的。( BCD )
B、施工组织
C、缩短工期
D、保证施工质量
【解析】施工流向是指施工活动在空间上的展开方向,其确定需综合考虑多个因素:A:保证施工进度是重要因素,合理的……
12、【多选题】施工进度计划编制中应用( )方法或原则。( ABCE )
A、循环原理
B、系统原理
C、动态控制原理
E、信息反馈原理
【解析】该题考察施工进度计划编制的核心方法或原则。选项A:循环原理,指进度管理是一个持续循环的过程,包括计划……
13、【多选题】施工项目质量管理的原则( )。( ABE )
A、坚持质量第一,用户至上
B、一人为核心
E、以预防为主
【解析】A:正确,坚持质量第一、用户至上是施工项目质量管理的基本原则,体现了对工程质量和用户利益的高度重视。……
14、【多选题】案例10-2:( ABCD )
A、司承建的某住宅小区机电安装工程,住宅楼的生活给水管道最终要经消毒合格后才能交付使用,其基本方法是以溶解氯的高浓度消毒水注入管网中,浸泡至规定时间,经取样检验化验菌落数符合标准规定而判定合格,则消毒工作完成,管网排放消毒水,经冲洗中和后交付用户使用。按这样的消毒流程,项目部技术负责人编制了技术交底文件进行交底,并顺利实施按期完工。技术交底时要关注的指标有____。
B、管网中和清洗
C、消毒水中氯的浓度
D、浸泡的时间
【解析】题目涉及给水管道的消毒流程,技术交底需关注消毒过程中的关键控制指标。选项A(管网中和清洗)是消毒后的……
15、【多选题】确定质量控制点的基础有( )。( ABC )
A、按掌握的基础知识,区分各专业的施工工艺流程
B、熟悉工艺技术规律,熟悉依次作业顺序,能区分可并行工作的作业活动
C、能进行工序质量控制,明确控制的内容和重点
【解析】选项A:正确,区分各专业的施工工艺流程是确定质量控制点的基础,有助于识别关键环节。选项B:正确,熟悉……
16、【多选题】管理环节主要有( )。( ABCDE )
A、施工成本预测
B、施工成本计划
C、施工成本控制
D、施工成本核算
E、施工成本考核
【解析】施工成本管理的环节主要包括:A:指在施工前对成本进行估算和判断;B:是在A基础上制定的成本目标方案;……
17、【多选题】质量事故的处理程序包括( )。( ABCDE )
A、事故报告
B、现场保护
C、事故调查
D、编写质量事故调查报告
E、形成事故处理报告
【解析】质量事故处理程序通常包括以下环节:选项A:事故发生后应立即按规定上报;选项B:需保护现场以利于后续调……
18、【多选题】金属风管制作加工顺序由( )顺序合成。( ABC )
A、板材加工
B、型材加工
C、组合
【解析】金属风管制作加工顺序主要包括:A:板材是风管的主要材料,需先进行切割、折弯等处理;B:型材用于加固风……
19、【单选题】( )MPa不属于钢丝绳的强度级别。( A )
A、1370
【解析】钢丝绳的强度级别有多个标准等级,常见的有1370、1470、1570、1670、1770、1870、……
20、【单选题】( )在施工活动的全部管理工作中属于首位的。( D )
D、施工进度计划的编制、实施和控制
【解析】题目考查施工进度管理工作的首位环节。A:编制好的施工进度计划是基础,但仅是计划制定阶段;B:施工过程……
21、【单选题】( )是编制同期的各种生产资源需要量计划的重要依据。( A )
A、编制好的施工进度计划
【解析】施工进度计划是项目管理中的核心文件,它确定了各项工作的开始和结束时间。选项A:编制好的施工进度计划是……
22、【单选题】ZSTB15的玻璃球色标为( )。( C )
C、绿色
【解析】ZSTB15是自动喷水灭火系统中的闭式洒水喷头型号,其动作温度通常为57℃。根据国家标准,57℃喷头……
23、【单选题】一个屋顶高位水箱,可贮( )min用的消防用水量。( C )
C、10
【解析】根据消防设计规范,高位消防水箱的主要作用是提供火灾初期消防用水,确保在消防泵启动前有足够的水量进行灭……
24、【单选题】不属于施工项目质量管理的原则( )。( D )
D、质量易受投资、进度制约
【解析】选项A:贯彻科学、公正、守法的职业规范,这是施工质量管理的基本原则之一,强调职业道德和规范操作。选项……
25、【单选题】不属于编制专项工程方案的工程有( )。( D )
D、高大模板工程
【解析】根据《危险性较大的分部分项工程安全管理规定》,需要编制专项施工方案的工程包括:A:指达到一定规模的危……
26、【单选题】中标后、开工前项目部关键是( )。( A )
A、工程质量目标的实现
【解析】选项A:工程质量目标的实现是项目管理的最终目标之一,但中标后、开工前项目部更侧重于规划阶段,而非直接……
题库来源:安全生产模拟考试一点通 www.aqscydt.com
27、【单选题】为了用电安全,正常电源和备用电源不能并联运行,备用电源电压值( )。( B )
B、与正常电源电压值保持在相同的水平
【解析】正常电源和备用电源不能并联运行是为了防止环流和相互影响,确保用电安全。若两者电压不同,并联时会产生电……
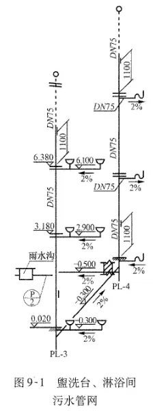
28、【单选题】从图9-1分析,这个排水系统属于( )。
( A )
A、雨污水混流制排放
【解析】图9-1显示排水系统中有两条独立的管道,一条标有雨水,另一条标有污水,且两条管道分别流向不同方向,未……
29、【单选题】企业管理层是( )。( A )
A、其管理从投标开始止于结算的全过程,着眼于体现效益中心的管理职能
【解析】选项A:正确,因为企业管理层负责从投标到结算的全过程管理,其核心目标是实现企业效益最大化,因此体现的……
30、【单选题】千斤顶按照结构不同,可分为( )。( D )
D、螺旋千斤顶、液压千斤顶和齿条千斤顶
【解析】千斤顶按结构不同主要分为三种:螺旋千斤顶、液压千斤顶和齿条千斤顶。选项A缺少齿条千斤顶;选项B缺少液……
31、【单选题】在给水排水工程图的,阅读中要注意施工图上标注的( ),是否图形相同而含义不一致。( D )
D、图例符号
【解析】在给水排水工程图阅读中,图例符号是表示管道、设备、附件等特定含义的图形标记。不同图纸或设计单位可能采……
32、【单选题】大规格风管是指圆形风管直径大于( )mm的。( A )
A、2500
【解析】根据《通风与空调工程施工质量验收规范》GB50243的规定,大规格风管的划分标准是圆形风管直径大于2……
33、【单选题】如施工中某段管子需隐蔽的,则该段管子应先进行( )。( A )
A、灌水试验和通球试验
【解析】根据管道施工规范,隐蔽管道在隐蔽前必须进行严密性试验和通畅性检查。选项A中的灌水试验用于检查管道严密……
34、【单选题】导轨架的作用是.安 全生产模拟考试一点 通.( )。( C )
C、用以支承和引导吊笼、对重等装置运行,使运行方向保持垂直
【解析】选项A描述的是附墙架的作用,而非导轨架;选项B描述的是地面防护围栏的功能;选项C正确描述了导轨架的作……
35、【单选题】尼龙绳和涤纶绳的抗水性能达到( )。( C )
C、96%~99%
【解析】尼龙绳和涤纶绳的抗水性能通常较高,其中涤纶绳因纤维结构疏水,抗水性能更优。选项A:90%~96%的抗……
36、【单选题】工程的承包合同主要指( )。( A )
A、预算收入为基本控制目标
【解析】工程承包合同是项目成本控制的关键依据。选项A:预算收入为基本控制目标,合同价格是预算收入的基础,因此……
37、【单选题】应急调度是指( )。( A )
A、发现进度计划执行发生偏差先兆或已发生偏差,采用对生产资源分配进行调整
【解析】选项A:应急调度是指在进度计划执行过程中,当发现偏差先兆或已发生偏差时,通过调整生产资源分配来应对突……
38、【单选题】应急预案的主要内容不包括( )。( A )
A、各种救护设施是否齐全有效
【解析】应急预案的主要内容通常包括应急组织机构、应急资源保障、应急响应程序、培训演练等。选项A:属于应急资源……
39、【单选题】建筑安装工程施工过程中质量检查实行三检制,是指( )。( B )
B、作业人员的自检、互检和专职质量员的“专检”相结合的检查制度
【解析】三检制指的是自检、互检和专检相结合的质量检查制度。选项A错误,因为互检是作业人员之间的相互检查,不是……
40、【单选题】成本计划是( )。( A )
A、在预测的基础上,以货币的形式编制的在工程施工计划期内的生产费用、成本水平和成本降低率,以及为降低成本采取的主要措施和规范的书面文件
【解析】选项A:正确描述了成本计划的定义,它是在预测基础上,以货币形式编制的施工期生产费用、成本水平、成本降……
41、【单选题】捌链按结构不同,可分为( )。( A )
A、蜗杆传动和圆柱齿轮传动
【解析】捌链是手动提升工具,按结构主要分为两种:A:蜗杆传动,利用蜗轮蜗杆实现自锁和减速;B:链带传动,通过……
42、【单选题】摄像机固定用( )要大小适配,数量符合要求,要隐蔽的摄像机可设置在顶棚或嵌入壁内。( A )
A、安装紧固件
【解析】题目考查摄像机固定使用的部件。选项A安装紧固件:用于将物体牢固固定在指定位置,符合摄像机固定的功能需……
43、【单选题】操作时,电动卷扬机卷筒上的钢丝绳余留圈数不应少于( )圈。( A )
A、3
【解析】根据《建筑施工起重吊装工程安全技术规范》规定,为确保卷扬机运行安全可靠,防止钢丝绳从卷筒上脱落,操作……
44、【单选题】施害物是( )。( C )
C、指直接引起伤害及中毒的物体或物质
【解析】选项A:不完全准确,施害物不仅包括引起中毒的物体或物质,还包括引起伤害的物体或物质,因此A范围过窄。……
45、【单选题】施工作业人员的义务包括:( )。( D )
D、应当遵守安全施工的强制性标准
【解析】选项A:这是施工作业人员的权利,而非义务;选项B:同样属于权利,不是义务;选项C:也是作业人员的权利……
46、【单选题】施工方案比较通常用( )两个方面进行分析。( A )
A、技术和经济
【解析】施工方案比较的核心在于权衡方案的可行性与成本效益。选项A:技术和经济,技术代表方案的可行性、安全性和……
47、【单选题】施工方案比较采用比较的方面不包括( )。( D )
D、施工可靠性
【解析】选项A:技术先进性是比较施工方案时的重要方面,涉及新技术、新工艺的应用水平。选项B:经济合理性是核心……
48、【单选题】施工过程发生设计更变信息传递中断而造成质量问题,应属于( )。( B )
B、事中质量控制失效
【解析】题目描述的是施工过程中因设计变更信息传递中断导致质量问题,这属于在施工活动进行期间发生的控制失效。选……
49、【单选题】施工进度计划的执行是( )的物质保证。( A )
A、施工进度计划实施
【解析】施工进度计划的执行需要资源支持,而编制生产资源供给计划正是为施工进度计划的实施提供所需资源的计划安排……
50、【单选题】材料进场验收是重要一环,目的是( )。( A )
A、检验材料的质量和数量是否符合材料采购合同的约定,判定是否由于运输原因发生变异
【解析】材料进场验收的目的是全面检查材料是否符合采购合同要求,既要检验质量,也要核对数量,同时判断是否因运输……
51、【单选题】案例10-1、某公司承建的大型体育场环形地沟内冷却水循环管网,管径外径达630mm,管道除与设备法兰连接外,管与管、管与配件的连接均为沟槽式连接,应属于柔性连接。由于该公司大口径柔性连接钢管的技术尚属于初次应用,尤其对其试压会产生的弹性变形和复位情况所知不多,为此项目部编制了作业指导书,按作业指导书要求做了模拟试验,对试压用档墩和稳定支架的布置位置作出了修正,并设置了集水坑、配备潜水泵。试压作业前,项目部技术负责人组织了高层次的技术交底,要求施工员、作业队组长各司其职,实行监护,确保作业人员正确操作,增强安全防范意识。由于整个过程组织合理、方法可靠、对风险有预防,所以试压工作顺利完成,并未发生事故。案例10-1该公司技术交底考虑的内容体现了( )。( A )
A、技术性内容和安全防范性内容
【解析】案例中,项目部编制了作业指导书、进行模拟试验、修正档墩和支架位置等,属于技术性内容;设置集水坑、配备……
52、【单选题】案例13-2:( A )
A、司承建一幢高层建筑商住楼的机电安装工程,其中建筑电气工程的导管埋设和电缆桥架及线槽敷设均已到位,因而安排月度作业计划时突出了两个可平行作业的分项工程,即管内穿线和桥架内电缆敷设,由两个作业队分别进行,工作面互不干扰,人员配备相当,测量估计各要用20天方可完成。实施计划前,送检的电线质量检测报告通知,电线质量不符规定,要向供货商退货,更换合格的产品,为此B公司项目部调整了施工作业进度计划。这种影响进度计划实施的因素主要是____。
【解析】本题主要考查影响施工进度计划的因素。根据案例描述,进度调整的原因是送检电线质量不符合规定,需要退货更……
题库来源:安全生产模拟考试一点通 www.aqscydt.com
53、【单选题】案例8-1、A公司自B公司分包承建某商住楼的建筑设备安装工程,该工程地下一层为车库及变配电室和水泵房鼓风机房组成的动力中心,地上三层为商业用户,四层以上为住宅楼。建筑物的公用部分,如车库、动力中心、走廊等要精装饰交付,商场和住宅为毛坯交付。B公司安排了单位工程施工组织设计,提出施工总进度计划,交给A公司,并要求A公司标志建筑设备安装进度计划交总包方审查,以利该工程按期交付业主。案例8-1A公司接到B公司的施工总进度计划后,应策划价值设备安装施工接到计划:第一阶段是( )。( A )
A、与土建工程施工全面配合阶段
【解析】案例中A公司作为分包单位,在接到B公司的施工总进度计划后,需要策划设备安装施工计划。第一阶段应是与土……
54、【单选题】检查工序'安全生产 模拟考试 一点通'活动的结果,一旦发现问题,应采取的措施( )。( C )
C、停止作业活动进行处理,直到符合要求
【解析】选项A:继续作业活动,在作业过程中解决问题,这可能导致问题扩大或影响后续质量,不符合质量控制要求。选……
55、【单选题】正常调度是指( )。( B )
B、进入单位工程的生产资源是按进度计划供给的
【解析】选项A:描述的是进度出现偏差时的调整措施,属于纠偏调度而非正常调度。选项B:说明资源按计划供给,是正……
56、【单选题】每一个质量控制具体方法本身也有一个持续改进的课题,就要用( )循环原理,在实践中使质量控制得到不断提高。( D )
D、计划、实施、检查和改进
【解析】选项A:指的是现场质量检查的目测法手段,不涉及持续改进的循环原理。选项B:列举了质量检查的三种方法,……
57、【单选题】热继电器的符号为( )。( B )
B、FR
【解析】热继电器在电气符号中通常用FR表示,其中F代表Function(功能),R代表Relay(继电器)。……
58、【单选题】特种设备压力管道,其范围规定最高工作压力不小于( )MPa(表压)的流体,且公称直径大于( )mm的管道。( B )
B、0.1,25
【解析】根据《特种设备安全监察条例》对压力管道的定义,最高工作压力大于或者等于0.1MPa(表压),且公称直……
59、【单选题】组织准备包括( )。( B )
B、建立项目组织机构,集结施工队伍,对施工人员进行入场教育等
【解析】选项A属于技术准备,涉及设计审查、图纸熟悉、施工预算编制等,并非组织准备。选项B涉及建立组织机构、集……
60、【单选题】给水排水立管留洞位置失准属于( )阶段的控制失效。( C )
C、施工准备阶段的后期
【解析】施工准备阶段的前期主要涉及图纸会审、技术交底和施工方案制定等基础工作,若此时图纸或技术交底错误,可能……
61、【单选题】自事故发生之日起( )日内,事故造成的伤亡人数发生变化的,应当及时补报。( B )
B、30
【解析】根据《生产安全事故报告和调查处理条例》规定,自事故发生之日起30日内,事故造成的伤亡人数发生变化的,……
62、【单选题】自制吊杆的规格应符合设计要求,吊杆加长采用搭接双侧连接焊时,搭接长度不应小于吊杆直径的( )倍。( C )
C、6
【解析】根据相关规范要求,吊杆的搭接焊接需要保证足够的连接强度。当采用双侧连接焊时,搭接长度需达到吊杆直径的……
63、【单选题】要明确技术交,安全生产模拟考试 一 点通,底的责任,责任人员不包括( )。( B )
B、业主
【解析】技术交底的责任人员通常指项目内部负责技术管理和执行的人员。选项A(项目技术负责人)是技术交底的核心组……
64、【单选题】试运行期间金属容器内进行抢修工作前,应采取强迫通风方法,使内部温度不超过( )℃,严禁用氧气作为通风的风源。( C )
C、40
【解析】根据电力安全规程,在金属容器等受限空间内作业时,为防止高温导致人员中暑或发生其他危险,必须采取强迫通……
65、【单选题】质量事故是( )。( A )
A、由于工程质量不符合标准规定,而引起或造成规定数额以上的经济损失、导致工期严重延误,或造成人身设备安全事故、影响使用功能
【解析】选项A:正确,质量事故是指工程质量不符合标准规定,并造成规定数额以上的经济损失、工期严重延误、人身设……
66、【单选题】质量改进是指( )。( A )
A、致力于增强满足质量要求的能力
【解析】根据质量管理体系的相关定义,质量改进是指通过采取各种措施,持续提升产品、过程或体系的能力,以增强满足……
67、【单选题】费用定额的规定,没有( )特点,要注意时效的变化。( D )
D、片面性
【解析】费用定额的规定具有以下特点:地方性(A:不同地区根据实际情况制定)、变异性(B:会随市场、政策等因素……
68、【单选题】起因物是( )。( B )
B、导致事故发生的物体和物质
【解析】选项A:指直接引起中毒的物体或物质,但起因物范围更广,不限于中毒。选项B:导致事故发生的物体和物质,……
69、【单选题】进度统计报告是( )。( C )
C、实际成本发生的重要信息来源
【解析】进度统计报告主要反映项目实际完成情况和资源消耗情况,是记录和汇总实际成本数据的重要依据,因此选项C正……
70、【单选题】雨雪天作业,起重机制动器容易失灵,故吊钩起落要缓慢。如遇( )级以上大风应停止吊装作业。( A )
A、六
【解析】雨雪天气下,制动器可能因湿滑或结冰导致性能下降,因此操作需缓慢。根据安全规范,当风力达到六级及以上时……
71、【单选题】项目部要对施工升降机的使用建立相关的管理制度不包括( )。( C )
C、升降机的使用培训
【解析】本题考察施工升降机管理制度的内容。根据相关规定,施工升降机使用管理制度应包括:A:司机的岗位责任制,……
72、【单选题】风机压出端的测定面要选在( )。( A )
A、通风机出口而气流比较稳定的直管段上
【解析】本题考察风机压出端测定面的选择原则。选项A:通风机出口而气流比较稳定的直管段上,符合风机性能测定的要……
73、【单选题】高度超过( )m的建筑物的周边,当无外脚手架时,应在外围边沿架设一道安全平网。( B )
B、3.2
【解析】根据《建筑施工高处作业安全技术规范》(JGJ 80-2016)的规定,当建筑物高度超过3.2米时,若……
74、【单选题】承担爆破设计的单位应持有有关部门核发的()。( C )
C、爆破设计证书
【解析】根据《爆破安全规程》等相关规定,承担爆破设计的单位必须具备相应的专业资质。选项A涉及的是爆炸物品的储……
75、【单选题】高空作业要从( )人手加强安全管理。( A )
A、作业人员的身体健康状况和配备必要的防护设施
【解析】高空作业安全管理的核心在于预防坠落风险,应从源头控制。选项A直接关注作业人员的身体条件和防护设施配备……
76、【单选题】麻绳使用注意事项:如果与滑轮配合使用,滑轮直径应大于绳径( )倍。( B )
B、7~10
【解析】麻绳与滑轮配合使用时,为保证安全性和减少磨损,滑轮直径需足够大。根据相关安全规范,滑轮直径应大于麻绳……
77、【判断题】事故类别是根据导致事故发生的起因物和施害物来确定的。( × )
【解析】事故类别的确定依据《企业职工伤亡事故分类标准》(GB6441-1986),主要是根据导致事故发生的起……
78、【判断题】企业定额的建立是在积累资料和数据的基础上‘安全 生产模拟 考试一 点通‘,形成自己的定额也是软实力的表现。( √ )
【解析】选项A:正确。企业定额是企业根据自身生产技术水平、管理水平和施工条件等实际情况,自行编制并使用的定额……
题库来源:安全生产模拟考试一点通 www.aqscydt.com
79、【判断题】发生质量事故基本上是违反了施工质量验收规范的主控项目的规定,而一般的质量缺陷基本上是违反了施工质量验收规范中的一般项目的有关观感的规定。( √ )
【解析】选项A:正确。该说法符合施工质量验收规范的实际情况。主控项目是工程安全、使用功能及环境保护等方面的关……
80、【判断题】国务院建设行政主管部门负责全国房屋建筑工程和市政基础设施工程的竣工验收备案管理工作。( √ )
【解析】根据《房屋建筑工程和市政基础设施工程竣工验收备案管理暂行办法》第三条规定,国务院建设行政主管部门(现……
81、【判断题】建筑物施工时用来做横向运输的平台,楼层边沿接料等处,均应装设安全门或活动栏杆。( × )
【解析】根据建筑施工安全规范,在建筑物施工过程中,用于横向运输的平台、楼层边沿接料口等位置,必须设置安全防护……
82、【判断题】成本管理的基本程序就是宏观上成本控制必须做到的六个环节或六个方面。( √ )
【解析】选项A:成本管理的基本程序包括成本预测、成本决策、成本计划、成本控制、成本核算和成本分析等环节,这些……
83、【判断题】露天矿山用12V、36V、120V和220V的插座,应有区别标志。( √ )
【解析】根据《金属非金属矿山安全规程》规定,露天矿山使用不同电压的插座时,应有明显的区别标志,以防止误插引发……
84、【判断题】成本计划是进行成本控制活动的基础二( √ )
【解析】成本计划是成本管理的重要环节,它为成本控制活动提供了目标和依据,因此是成本控制活动的基础。选项A:正……
85、【判断题】把目标和承诺依靠组织结构体系分解成层层可操作的活动,并用书面文件说明操’安全生产模拟考试一点 通’作的程序和预期的结果。( √ )
【解析】该描述符合目标管理和计划管理中的过程,即通过组织结构将总体目标分解为具体可执行的活动,并制定书面文件……
86、【判断题】按常规施工安排,泵房的水泵安装通常排在进度计划的收尾。( × )
【解析】选项A:错误。在常规施工安排中,泵房的水泵安装通常不是排在进度计划的收尾阶段,而是需要在主体结构完成……
87、【判断题】摄像机安装之前应带电检测、调试,正常后才可安装。( √ )
【解析】选项A:摄像机安装前进行带电检测和调试是为了确保设备功能正常,避免安装后出现故障,提高安装效率和系统……
88、【判断题】施工现场管理的基本要求:在管理实施中坚持“安全第一、预防为主、综合治理”的理念。( × )
【解析】该题考查施工现场管理的基本理念。根据我国安全生产方针,施工现场管理必须坚持安全第一、预防为主、综合治……
89、【判断题】施工进度计划表达的两种方法:横道图计划和网络计划。( √ )
【解析】施工进度计划常用的表达方法主要包括横道图计划和网络计划两种。横道图计划直观展示各项工作的开始和结束时……
90、【判断题】案例15-1,某市星级宾馆由A公司总承包承建,各专业分包单位均纳入其质量管理体系,但未做经常性培训,也不作日常的运行检查。工程完工,正式开业迎客前,A公司邀请若干名相关专家,协助A公司对工程质量及相关资料进行全面检查,准备整改后申报当地的工程质量奖项。经现场检查,屋面、客房、地下室机房等安装工程质量符合标准,大堂、墙地面均华丽质优,唯独专业配合施工的平顶上电气的灯具、通风的风口、消防的火灾探测器喷淋头、智能化的探头传感器等布置无序凌乱,破坏了建筑原有艺术风格,有必要进行返工重做,否则评奖会成问题。于是在查审相关资料时,专门查验了有关质量控制文件,发现平顶上设备安装要先放样,召集土建、安装、装修共同协调确认后,才能开孔留洞进行施工,而且明确说明这个控制点属于停止点。但查阅有关记录,无关于协调确认的记载。在技术上属于违反了工艺技术规律所导致的质量问题,只要按规定的顺序办理,就可以避免此类事故的发生。( √ )
【解析】题目描述了某市星级宾馆工程中,由于未严格执行质量控制流程(特别是平顶设备安装的协调确认停止点),导致……
91、【判断题】检验点是个特殊的点,即这道工序未作检验,并尚未断定合格与否,是不是进行下道工序的,只有得出结论为合格者才可以进入下道工序。( × )
【解析】选项A:正确。检验点的定义确实是在生产或工作流程中,用于对某道工序进行质量检验的特殊位置。如果未完成……
92、【判断题】特种设备安装、改造、维修的施工单位应当在施工前将拟进行的设备安装、改造、维修情况书面告知直辖市或者设区的市的特种设备安全监督管理部门、告知后即可施工。( √ )
【解析】根据《特种设备安全监察条例》第十七条规定,特种设备安装、改造、维修的施工单位应当在施工前将拟进行的特……
93、【判断题】电动卷扬机的种类按起重量分有0.5t、1t、2t、3t、4t、5t、10t、20t等。( × )
【解析】该题考察电动卷扬机的分类知识。按起重量划分,电动卷扬机确实有0.5t、1t、2t、3t、4t、5t、……
94、【判断题】直流焊机分为磁放大器式、整流式和旋转直流弧焊发电式三大类( × )
【解析】直流焊机根据工作原理和结构不同,确实主要分为磁放大器式、整流式和旋转直流弧焊发电式三大类。磁放大器式……
95、【判断题】要把施工记录的形成时间充分考虑到设计变更送达时间和工程形成时间,要有序结合起来。( √ )
【解析】选项A:该说法正确,因为施工记录作为工程档案的重要组成部分,其形成时间必须与设计变更的送达时间、相关……
96、【判断题】计划成本与承包成本比较即可判定项目的盈亏情况。( × )
【解析】选项A:该说法错误。计划成本是项目预算中的预计成本,承包成本是合同约定的成本,两者比较只能反映成本控……
97、【判断题】进度控制的目的是在进度计划预期目标引导下,对实际进度进行合理调节,以使实际进度符合目标要求。( √ )
【解析】选项A:进度控制的定义确实是在项目执行过程中,通过监控实际进度,并与计划进度进行比较,若出现偏差则采……
98、【判断题】遇有7级以上大风、大雪、大雾及雷暴雨等恶劣天气时,应停止露天作业,并做好吊装构件和吊装机械的加固工作。( × )
【解析】根据《建筑施工安全检查标准》等相关安全规范,遇有6级及以上大风、大雨、大雪、大雾等恶劣天气时,应停止……
99、【判断题】重点、难点分部工程和专项工程施工方案由施工单位技术部门组织相关专家评审,施工单位技术负责人批准。( √ )
【解析】根据《危险性较大的分部分项工程安全管理规定》,重点、难点分部工程和专项工程施工方案的审批流程并非仅由……
100、【判断题】麻绳一般有三股、五股和九股三种。( × )
【解析】麻绳的股数通常有三股、四股和九股等常见类型,但题目中提到的五股并不属于麻绳的标准分类,因此选项A的说……
支持全国各地区精准施工员-设备方向-岗位技能考试试题,支持安全资格证,特种作业操作证,职业技能鉴定等工种题库练习。