



技术学科
本试卷分两部分,第一部分信息技术,第二部分通用技术。满分100分,考试时间90分钟。
第二部分通用技术(共50分)
一、选择题(本大题共12小题,每小题2分,共24分。每小题列出的四个备选项中只有一个是符合题目要求的,不选、多选、错选均不得分)
1. 如图所示为一款手电钻及其评价图。根据评价图,下列分析中不恰当的是()

A. 操作方便B. 能耗较高C. 外形较美观D. 适用场合广
【答案】B
2. 对如图所示水龙头进行的分析与评价中,不正确的是()

A. 轻按喷头上的按钮就可快速转换出水模式,主要是从“人”的角度考虑
B. 喷头与把手架间采用磁吸设计,主要是从“环境”的角度考虑
C. 喷头可从把手架拆卸,便于清洁冲洗,符合设计的实用原则
D. 通过了国家相关的机械、质量、安全和卫生标准测试,符合设计的技术规范原则
【答案】B
3. 小明构思了下列木质书桌方案,从结构强度角度考虑,最合理的是()
【答案】A
4. 如图所示是某形体的主视图和左视图,相对应的俯视图是()

【答案】B
5. 如图所示
夹持机构,可由电机带动杆3,并通过杆2、杆1及杆4驱动夹臂夹紧物体。夹臂夹紧物体时,下列对构件主要受力形式分析中正确的是()

A. 杆1受压,夹臂受压B. 杆1受拉,夹臂受弯曲
C. 杆1受拉,夹臂受压D. 杆1受压,夹臂受弯曲
【答案】D
6. 小明在通用技术实践课上用大小足够的钢块加工如图所示的夹臂。加工夹臂时,下列有关操作的说法中正确的是()

A. 应使用相同直径的钻头加工圆孔和圆弧
B. 加工钳口时,可先锯割,再使用圆锉锉削
C. 须加工钳口后,再加工圆孔和凹槽
D. 凹槽的加工流程可以为:划线→钻孔→锯割→锉削
【答案】D
7. 如图所示为某隧道内防水板铺设的工艺流程框图,下列关于该流程的分析中合理的是()

A. 防水板焊成大幅后,才能进行施工段断面净空检查
B. 焊缝检查未通过,必须进行重焊或修补
C. 存在“防水板检查”环节,可省略“防水板检查签证”环节
D. “安设纵、环向盲沟”与“接头焊接质量检查”属于串行环节
【答案】D
如图所示的谷物湿度控制系统,传送装置运送谷物,检测装置检测谷物湿度,自动阀门按照调节器的指令对谷物流进行加湿,以达到设定湿度。请根据描述完成下面小题。

8. 下列关于谷物湿度控制系统的分析中不恰当的是()
A. 检测装置的精度会影响湿度控制效果,体现了系统的整体性
B. 检测装置1用于检测输入谷物的湿度,体现了系统的目的性
C. 设计时经过计算和试验确定传送装置传送速率,体现了系统分析的科学性原则
D. 设计时既要保证湿度控制精度,又要考虑提高生产率等目标,体现了系统分析
综合性原则
【答案】B
9. 关于谷物湿度控制系统,下列从控制系统角度进行的分析中恰当的是()
A. 调节器的指令是控制量B. 输入谷物的湿度属于干扰因素
C. 控制方式为开环控制D. 检测装置2检测的是给定量
【答案】B
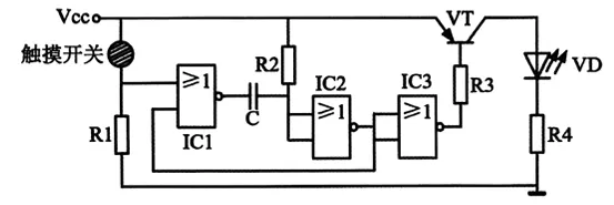
10. 小明准备在面包板上搭建如图所示的触摸延时灯实验电路。下列表述中,合理的是()

A. 在选择R3时阻值应尽可能大,保证VT能饱和导通
B. 所选的四2输入或非门集成电路的引脚数量为12个
C. 插接前需要对电容C极性进行识别,其长脚为正,短脚为负
D. 插拔元器件或者改变跳线连接应在断开电源的状态下进行
【答案】D
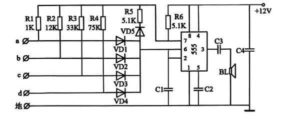
11. 如图所示的多点断线式报警电路,a~d 4个接线柱分别通过导线与“地”接线柱相连(导线未画出),用来监控4处不同的报警位置。下列分析中正确的是()

A. C3的作用是实现断线后延时报警
B. d处断线比a处断线发出的警报声更尖锐
C. 若a处和b处同时断线,也会发出报警声
D. 若接通电路后未断线时持续发出报警声,可能是VD5或C1短路造成
【答案】C
12. 如图所示的光控灯电路,初始状态下VT1和VT2处于截止状态,用强光照射其中一个光敏电阻后VD1可发光,VD1发出的光不会干扰Rg1、Rg2。下列分析中正确的是()

A. 强光照射Rg1后VD1发光,强光移除后VD1熄灭
B. 强光照射Rg2后VD1发光,强光移除后VD1熄灭
C. VD1熄灭时,VT2可能处于饱和、放大或截止任一状态
D. 在初始状态下,给予Rg2连续增强的光照,VT2会逐渐导通
【答案】C
二、非选择题(本大题共3小题,第28小题8分,第29小题10分,第30小题8分,共26分。各小题中的“”处填写合适选项的字母编号)
13. 如图所示的小明家地下室入口,四周用水泥挡条围起。小明发现入口不封闭存在安全隐患,准备为地下室入口设计一个盖板装置。请完成以下任务:

(1)小明发现问题的途径是
A. 观察日常生活
B. 收集和分析信息
C. 技术研究与技术试验
(2)为了设计制作盖板装置,小明进行了以下分析,其中不恰当的是
A. 首先应满足功能要求,再考虑成本及制作难易程度
B. 盖板能方便地打开和关闭
C. 有人靠近地下室入口后,盖板立即打开
D. 人在地下室入口外或者入口内都能打开盖板
(3)选择制作盖板的材料时,以下需要考虑的是
A. 材料的加工工艺性能B. 材料的强度
C. 材料的成本D. 材料的导电性
(4)小明希望在按下相应按钮后实现盖板的打开和关闭。以下是小明绘制的装置控制系统方框图,其中正确的是

【答案】(1)A(2)C(3)ABC(4)A
14. 如图所示的小明家地下室入口,四周用水泥挡条围起。小明发现入口不封闭存在安全隐患,准备为地下室入口设计一个盖板装置。请完成以下任务:

小明希望在按下相应按钮后实现盖板的打开和关闭,请你帮助小明进行该装置机械部分的设计。已知水泥挡条相关尺寸如图a所示,设计要求如下:


①能同时带动10mm厚度的不锈钢盖板1和盖板2压住挡条(盖板1和盖板2还未连接),可靠地封住地下室入口,效果如图b所示;
②采用一个功率足够的减速电机驱动,通过电机的正反转实现两块盖板的打开与关闭,两盖板打开后不影响进入地下室;
③装置连接可靠,运行过程稳定;
④材料自选。
请完成以下任务:
(1)设计该装置时,可以不考虑的尺寸是
A
800B. 2100C. 130D. 80
(2)在头脑中构思符合设计要求的多个方案,画出其中最优方案的设计草图(装置安装涉及的地面、挡条和盖板等可用线条表示,电机可用方框表示),简要说明方案的工作过程;
(3)在草图上标注主要尺寸。
【答案】(1)C
(2)

(3)见图,尺寸标注合理即可。
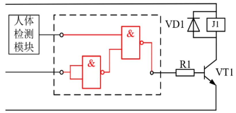
15. 如图所示的小明家地下室入口,四周用水泥挡条围起。小明发现入口不封闭存在安全隐患,准备为地下室入口设计一个盖板装置。请完成以下任务:

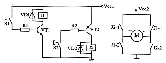
针对盖板装置,小明设计了如图所示的控制电路。电机正转(电流从“+”到“-”)时盖板打开,电机反转(电流从“-”到“+”)时盖板关闭。已知开关S1、S2为触动开关(按下时闭合,松开后断开)。请完成以下任务:

(1)下列电路功能分析正确的是
A. S1按下时盖板打开,S2按下时盖板关闭
B. S1按下时盖板关闭,S2按下时盖板打开
(2)小明在调试电路过程中发现盖板始终无法打开,下列原因中可能的是
A. R2阻值过大
B. VD2接反
C. VT2发射极断路
D. 继电器J2标注的触点负荷远大于Vcc2
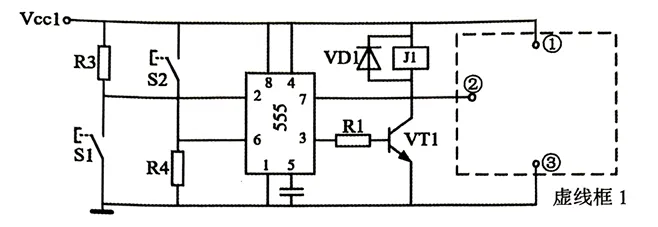
(3)小明发现打开或关闭盖板时需要长按S1或S2,于是使用555电路重新设计了如下图所示电路(暂不考虑电机如何停止的问题)。针对虚线框1中缺少的电路,小明设计了下列方案,其中可行的是

(4)小明希望装置检测到一定时间内无人靠近地下室入口,盖板能够实现自动关闭。已知人体检测模块检测到有人时输出高电平,人离开后延时一段时间输出低电平。请在虚线框2内用个数尽量少的二输入与非门设计电路,实现功能。

【答案】(1)B(2)ABC(3)BD
(4)


通用技术易考通系列资料:
《易考通选考宝典(新教材版)》是选考知识点为主,考前冲刺必备宝典。
《易考通草图设计(新教材版)》是草图案例为主,拓展思维。
《易考通草图刷题含解析(新教材版)》是草图练习题为主,图文详解。
《易考通三视图(新教材版)》是三视图选择题原理方法讲解和配套练习题为主,配答案和立体图。
《易考通基础刷题含解析(新教材版)》是按照通用技术选考试卷题型考点编写的必修一、必修二的练习题和详解,建议一轮使用。
《易考通电控刷题含解析(新教材版)》是按照通用技术选考试卷题型考点编写的选修电子控制技术的练习题和详解,建议一轮使用。
《易考通基础拉分练含解析(新教材版)》是按照通用技术选考试卷题型高频考点编写的必修一、必修二的练习题和详解,建议二轮使用。
《易考通电控拉分练含解析(新教材版)》是按照通用技术选考试卷题型高频考点编写的选修电子控制技术的练习题和详解,建议二轮使用。
《易考通真题精练(新教材版)》是按照通用技术选考真题编写的考点式刷题资料,每题配详解,建议考前使用。
一轮刷题资料:
《易考通基础刷题(新教材版)含解析》、《易考通草图刷题(新教材版)含解析》和《三视图(新教材版)》
二轮刷题资料:
《易考通电控拉分练(新教材版)含解析》和《易考通基础拉分练含解析》

