

初中生日常
老师今天整理了初三物理中考 | 高分必刷:5种测电阻常见方法,建议考前死磕掌握!

第一种、伏安法
1、器材:电流表,电压表,滑动变阻器(或电阻箱)R0
2、电路图:

3、步骤:
第一,设计电路图;
第二,根据电路图连接电路,开关断开;
第三,移动滑动变阻器的滑片,分别读出三组电流、电压值;
第四,根据I=U/R,算出电阻,求出平均值。
4、误差分析:
(1)外接法:由于电压表有一定的电流,电流表测的是总电流,比RX的电流大,因此求出的电阻比实际的小。(R=U/I,I大,R变小)当RX的电阻远远小于电压表的电阻时,用外接法。
(2)内接法:由于电流表有一定的电阻,有一定的电压,电压表测的是总电压,比RX的电压大,因此求出RX的电阻比实际的大。(R=U/I,U大,R变大)当RX的电阻远远大于电流表的电阻时,用内接法。
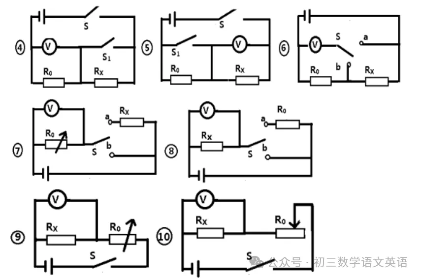
第二种、安阻法
1、器材:电流表一个,开关S一至三个,定值电阻(或电阻箱,或最大阻值已知的滑动变阻器)R0
2、电路图:

3、步骤:
④图:第一,闭合开关S、S1,读出电流表A的示数I0;第二,闭合开关S、S2,读出电流表A的示数Ix,第三、根据I=U/R算出Rx= I0R0/Ix
⑤图:第一,闭合开关S,读出电流表A的示数Ix;第二,闭合开关S、S1,读出电流表A的示数I,第三、根据I=U/R算出Rx=(I –Ix)R0/Ix
⑥图:第一,闭合开关S,读出电流表A的示数I0;第二,闭合开关S、S1,读出电流表A的示数I,第三、根据I=U/R算出RX= I0R0/ (I –I0)
⑦图:第一,开关S接a,读出电流表A的示数I0;第二,开关S接b,读出电流表A的示数Ix,第三、根据I=U/R算出Rx= I0R0/Ix
⑧图:第一,闭合开关S1,读出电流表A的示数I0和电阻箱的示数R0;第二,闭合开关S2,读出电流表A的示数Ix,第三、根据I=U/R算出Rx= I0R0/Ix
⑨图:第一,开关S接a,读出电流表A的示数I0和电阻箱的示数R0;第二,开关S接b,读出电流表A的示数Ix,第三、根据I=U/R算出Rx= I0R0/Ix
⑩图:第一、闭合开关S,滑片P在最左端,读出电流表A的示数I,第二、滑片P在最右端,读出电流表A的示数I0,第三、根据I=U/R算出RX=I0R0/(I-I0)
⑪图:第一、闭合开关S,滑片P在最右端,读出电流表A的示数I0,第二、闭合开关S1,读出电流表A的示数I,第三、根据I=U/R算出RX=I0R0/(I-I0)
第三种、安安法
1、器材:电流表两个,开关S一个,定值电阻(或电阻箱,或最大阻值已知的滑动变阻器)R0
2、电路图:

3、步骤:
①图:第一,闭合开关S,分别读出电流表A1、A2的示数I0、Ix;第二,根据I=U/R算出Rx= I0R0/Ix
②图:第一,闭合开关S,分别读出电流表A1、A2的示数I0、I;第二,根据I=U/R算出Rx=I0R0/(I-I0)
③图:第一,闭合开关S,分别读出电流表A1、A2的示数I、Ix;第二,根据I=U/R算出Rx= (I-I0)R0/ Ix
第四种、伏阻法
1、器材:电压表一个,开关1、2个,定值电阻(或电阻箱,或最大阻值已知的滑动变阻器)R0
2、电路图

3、步骤:
④图:第一,闭合开关S,读出电压表V的示数U0;第二,闭合开关S、S1,读出电压表V的示数U,第三、根据I=U/R算出RX=( U-U0)R0/U0
⑤图:第一,闭合开关S,读出电压表V的示数UX;第二,闭合开关S、S1,读出电压表V的示数U,第三、根据I=U/R算出RX=UXR0/(U-UX)
⑥图:第一,开关S接a,读出电压表V的示数U;第二,开关S接b,读出电压表V的示数U0,第三、根据I=U/R算出RX= (U-U0)R0/U0
⑦图:方法一:第一,开关S接b,读出电压表V的示数U;第二,开关S接a,调电阻箱,读出电压表V的示数U0和电阻箱的示数R0,第三、根据I=U/R算出RX= (U-U0)R0/U0
方法二:第一,开关S接b,读出电压表V的示数U;第二,开关S接a,调电阻箱,使电压表V的示数为U/2,,读出电阻箱的示数R0,第三、算出RX=R0
⑧图:第一,开关S接b,读出电压表V的示数U;第二,开关S接a,读出电压表V的示数UX,第三、根据I=U/R算出RX= UXR0/ (U-UX)
⑨图:第一、闭合开关S,调电阻箱R0的示数为0,读出电压表的示数为U,第二、调电阻箱R0,使电压表的示数为U/2,读出调电阻箱为R,第三、可得RX=R
⑩图:第一、闭合开关S,调滑动变阻器R0的滑片在最左端,读出电压表的示数为U,第二、调滑动变阻器R0的滑片在最右端,读出电压表的示数UX,第三、根据I=U/R得RX=UXR0/(U-UX)
第五种、伏伏法
1、器材:电压表两个,开关一个,定值电阻(或电阻箱,或最大阻值已知的滑动变阻器)R0
2、电路图:

3、步骤:
①图:第一、闭合开关S,读出电压表V1、V2的示数U0、UX,第二、根据I=U/R算出RX的阻值:RX=UXR0/U0
②图:第一、闭合开关S,读出电压表V1、V2的示数U、U0,第二、根据I=U/R算出RX的阻值:RX=(U-U0)R0/U0
③图:第一、闭合开关S,读出电压表V1、V2的示数U、UX,第二、根据I=U/R算出RX的阻值:RX= UXR0/ (U-UX)初中生配套学习教辅

如何领取更多初中学习资料

